аспирант, Ташкентский химико-технологический институт, Узбекистан, г. Ташкент
ИСПОЛЬЗОВАНИЕ АВТОМОБИЛЬНЫХ ГЕНЕРАТОРОВ В НЕБОЛЬШИХ ВЕТРЯНЫХ ТУРБИНАХ ДЛЯ ОБЕСПЕЧЕНИЯ ЭНЕРГИЕЙ ОТДАЛЕННЫХ РАЙОНОВ УЗБЕКИСТАНА
АННОТАЦИЯ
Цель данного исследования - выяснить, можно ли использовать автомобильные генераторы переменного тока в небольших ветряных генераторах. Теоретические ожидания сравниваются с результатами экспериментов, в которых стандартный автомобильный генератор используется в небольших ветряных мельницах. Удалось смоделировать автомобильный генератор, используемый в небольшом ветровом роторе. Для создания модели использовался Simulink.
ABSTRACT
The point of this study is to find out if car alternators could be used in small wind generators. Theoretical expectations are compared with results from experiments that use a standard car generator in small wind mills. It was possible to simulate the car generator that is used in a small wind rotor. Simulink was used to make the model.
Ключевые слова: ветротурбина, генератор переменного тока, малый ветрогенератор, ВЭС, Matlab
Keywords: wind turbine, alternator, small wind generator, WPP, Matlab.
Узбекистан входит в число крупнейших производителей природного газа в мире. В 2019 году объем производства энергии достиг 54,5 млн тонн нефтяного эквивалента (Мтнэ). В 2008 году объем производства достиг беспрецедентного пика в 56,7 млн т н.э. К 2015 году этот показатель снизился на 20 %, что в основном объясняется глобальным экономическим кризисом и сокращением запасов природного газа. К 2019 году этот показатель вырос на 22 % по сравнению с уровнем 2015 года благодаря реализации газовых проектов в Узбекистане. Природный газ является основным источником энергии в Узбекистане, составляя 90,5% от общего объема производства энергии (49,3 млн т н.э. в 2019 году), другими источниками являются нефть (5,8%), уголь (2,6%), гидроэнергия (1,0%) и небольшое количество биотоплива [1].
Однако в будущем ожидается значительное снижение доли природного газа в энергобалансе Узбекистана, вплоть до полного исчезновения, что будет обусловлено ростом цен на природный газ, сокращением его запасов, увеличением численности населения и его потребностей, а также экономическими сложностями, связанными с геополитической ситуацией в Центральной Азии и во всем мире.
В докладе ООН «Перспективы мирового населения до 2024 года» [10] утверждается, что население Узбекистана демонстрирует постоянную тенденцию к росту, начиная с 1990 года. С примерно 20 миллионов в 1990 году до 36 миллионов в 2024 году население выросло. Согласно будущим оценкам, численность населения будет постепенно увеличиваться и к 2100 году достигнет около 72 миллионов человек (рис. 1).
/Usmonov.files/image001.jpg)
Рисунок 1. Численность населения, 1990 - 2100 гг.
Прогнозы на будущее основаны на среднем сценарии ООН [10].
Быстрый рост населения приводит к значительному увеличению спроса на энергию, особенно на электричество. По прогнозам, к концу века численность населения удвоится, поэтому потребность в надежных, устойчивых и доступных энергетических решениях станет еще более острой. Поскольку все больше людей нуждаются в доступе к энергии, существующие электросети могут не справиться с удовлетворением спроса, особенно в сельских и отдаленных районах.
Загрязнение воздуха, являющееся второй основной причиной смертности в Узбекистане (32 500 смертей в 2021 году) [11], в значительной степени вызвано выбросами CO₂ и загрязняющими веществами, образующимися при производстве электроэнергии на основе газа Рисунок 2. Зависимость от газовой генерации электроэнергии, которая составляет большую часть производства энергии в Узбекистане [12] (более 80% по состоянию на 2023 год) Рисунок 3, приводит к выбросам CO₂ и загрязнению воздуха, внося значительный вклад в развитие респираторных и сердечно-сосудистых заболеваний - факторов, которые являются причиной тысяч смертей ежегодно, о чем свидетельствует высокий уровень смертности от загрязнения воздуха и высокого кровяного давления в 2021 году [11]. Переход на возобновляемые источники энергии (например, ветряную и солнечную) может значительно сократить выбросы CO₂ и улучшить качество воздуха. Более чистый воздух снизит смертность от загрязнения воздуха и сопутствующих заболеваний.
/Usmonov.files/image002.jpg)
Рисунок 2. Смертность по факторам риска, Узбекистан, 2021 год [11]
/Usmonov.files/image003.jpg)
Рисунок 3. Доля производства электроэнергии по источникам, Узбекистан из [12]
В результате эти факторы заставляют страну переходить на возобновляемые источники энергии, в частности на энергию ветра и солнца, и расширять свой энергетический портфель, не завися от природного газа. Переход на возобновляемые источники энергии не только поддерживает устойчивое производство электроэнергии, но и решает проблему здравоохранения Узбекистана, снижая смертность от загрязнения воздуха.
Анализ данных, приведенных в ежегодных отчетах Всемирной ассоциации ветроэнергетики [2] и Международного агентства по возобновляемой энергии [3], показывает, что развитые страны постоянно увеличивают объем электроэнергии, генерируемой с помощью ветра.
Для Узбекистана ветроэнергетика является новой сферой деятельности. Развитие этого сектора экономики имеет дальновидную перспективу как для энергетического сектора, так и для страны.
Первые шаги в развитии технологий ветрогенерации уже сделаны. Одним из примеров является Зарафшанская ВЭС мощностью 500 МВт, которая уже работает и обеспечивает чистой энергией 500 000 домов [4]. В ближайшие годы также ожидается открытие Башской ВЭС мощностью 500 МВт [5], Джанкельдинской ВЭС мощностью 500 МВт [6] и Каратауской ВЭС мощностью 100 МВт [7].
/Usmonov.files/image004.jpg)
Рисунок 4. Зарафшанская ВЭС мощностью 500 МВт, Навоийская область, Узбекистан
/Usmonov.files/image005.jpg)
Рисунок 5. Баш ВЭС 500 МВт, Бухарская область, Узбекистан
По данным Международной финансовой корпорации [8], общая стоимость проекта Зарафшанской ВЭС оценивается примерно в 560 миллионов долларов США, а общий пакет долгосрочного долгового финансирования - примерно в 360 миллионов долларов США.
По данным Международного агентства по возобновляемым источникам энергии [3], в Узбекистане в 2022 году в возобновляемую ветроэнергетику было вложено 615,54 млн долларов общественных средств.
Эти цифры показывают, что строительство и эксплуатация крупных ветроэнергетических установок обходится очень дорого. Кроме того, поставка энергии с централизованных ветряных электростанций в места, не имеющие к ней доступа, может оказаться дорогостоящей. Для некоторых районов, в частности, удаленных фермерских поселений или изолированных деревень, более целесообразно производить энергию на месте для удовлетворения своих специфических энергетических потребностей. Именно здесь малые ветроэнергетические системы могут принести реальную пользу. Рост численности населения Узбекистана, как видно из прогнозов (Рисунок 1), подчеркивает острую необходимость в инновационных и децентрализованных энергетических решениях. Разработка доступных и ремонтопригодных малогабаритных ветряных турбин может помочь удовлетворить растущий спрос на электроэнергию, способствуя при этом энергетической устойчивости и независимости.
Малые ветряные турбины можно использовать не только для производства огромного количества электроэнергии. Небольшие турбины, улавливающие энергию ветра, могут облегчить нагрузку на национальную электросеть, обеспечивая устойчивое электроснабжение для бытовых нужд, таких как компьютер, приготовление пищи, освещение и другие необходимые вещи. Малые ветряные турбины являются жизнеспособным решением для удовлетворения местных потребностей в энергии в отдаленных сельскохозяйственных общинах или городах, где расширение инфраструктуры является непомерно дорогим. Тем не менее, несмотря на свой потенциал, малые ветряные турбины пока не получили значительного распространения в Узбекистане. Это связано с нехваткой запасных частей, отсутствием местных специалистов по техническому обслуживанию и непомерно высокими ценами на продукцию.
Одна из задач нашего исследования - выяснить, можно ли использовать автомобильные генераторы в небольших ветряных турбинах, чтобы сделать эти решения более доступными. Автомобильные генераторы легко найти, и существует хорошая цепочка поставок, поэтому проще достать запасные части и провести техническое обслуживание. Если мы сможем разработать доступные по цене небольшие ветряные турбины, это даст сельским и труднодоступным общинам устойчивый и самодостаточный источник энергии».
В этом исследовании рассматривается, насколько хорошо автомобильные генераторы работают в небольших ветряных турбинах, как в теории, так и на практике. Мы разработали симуляцию автомобильного генератора, используемого в небольшой ветряной турбине, с помощью Simulink, чтобы предсказать и оптимизировать его работу. Используя автомобильные генераторы, мы надеемся помочь большему количеству людей в Узбекистане использовать малую ветряную энергию, сделав ее более практичной, экономически эффективной и простой в обслуживании на местах.
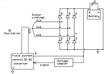
Электрическая энергия подается на автомобили через генератор переменного тока. Он состоит из статора, шести диодов, регулятора и ротора, который установлен на двух концевых подшипниках рамы машины. В автомобильном генераторе используется трехфазный синхронный генератор с намотанным полем.
Железные полюса и несколько витков проволоки образуют ротор, который располагается над валом машины. Контактные кольца и щетки соединяют катушку ротора с внешней цепью. При подаче напряжения на катушки ротора создается электромагнитное поле. Оно намагничивает шесть полюсов зубчатого когтя на северном и южном магнитных полюсах [9]. Трехфазные обмотки статора генератора обычно соединены в звезду. Трехфазный выпрямитель, состоящий из шести полупроводниковых диодов, преобразует выходное напряжение статора в постоянное напряжение и регулирует его до напряжения батареи. Регулятор включается, когда вал генератора достигает скорости отключения, около 1000 об/мин. Если ток возбуждения постоянен, выходное напряжение генератора растет линейно с частотой вращения. Автомобильные генераторы обеспечивают номинальное напряжение для зарядки аккумулятора на холостом ходу; на более высоких скоростях нерегулируемое напряжение вызывает очень высокое перенапряжение аккумулятора. На рисунке 6 показаны ротор и статор обычного генератора.
Встроенный регулятор проверяет напряжение аккумулятора и регулирует ток возбуждения для управления напряжением в автомобиле. Переменный рабочий цикл напряжения с широтно-импульсной модуляцией (ШИМ), подаваемого на обмотку возбуждения, управляет током возбуждения. Это показано на рисунке 7.
/Usmonov.files/image007.png)
Рисунок 6. Ротор и статор обычного генератора переменного тока
Выходное напряжение уменьшается по мере того, как генератор потребляет больше тока. Пробник напряжения обнаруживает это снижение выходного напряжения и увеличивает рабочий цикл, чтобы увеличить ток возбуждения и выходное напряжение. При снижении электрической нагрузки выходное напряжение повышается, поэтому рабочий цикл уменьшается, чтобы снизить его.
/Usmonov.files/image008.jpg)
Рисунок 7. Схема системы
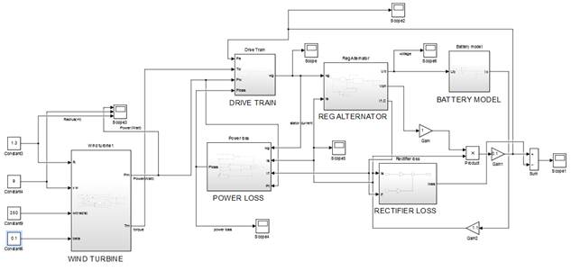
Возбуждение обмотки возбуждения подается от аккумулятора при запуске и самостоятельно от генератора во время работы. Для автоматизации этой системы необходим центробежный переключатель, установленный на валу генератора, который будет включать обмотку возбуждения при достижении достаточной скорости ветра и выключать ее при недостаточной или избыточной скорости ветра. Модель Simulink показана на рисунке 8.
/Usmonov.files/image009.jpg)
Рисунок 8. Simulink-модель структуры системы
|
a |
b |
Рисунок 9: (a) Профиль скорости ветра, лямбда; (b) Скорость вращения генератора, напряжение зарядки батареи для структуры системы
Заключение. Рост населения Узбекистана и увеличение спроса на энергоносители в сочетании с высокой зависимостью страны от природного газа для производства электроэнергии подчеркивают острую необходимость в устойчивых энергетических решениях. Газовые электростанции вносят значительный вклад в выбросы CO₂ и загрязнение воздуха, вызывая серьезные последствия для здоровья, включая респираторные и сердечно-сосудистые заболевания. Несмотря на то, что потенциал ветроэнергетики в Узбекистане не слишком велик в крупных масштабах, существуют возможности для эффективного использования энергии ветра в сельских и отдаленных районах. Малогабаритные ветрогенераторы (ВГ) могут обеспечить локальные энергетические решения, особенно там, где расширение сети является дорогостоящим или нецелесообразным. Эти системы могут быть адаптированы для удовлетворения основных бытовых потребностей, таких как освещение, приготовление пищи и небольшая электроника, что повышает качество жизни в изолированных регионах. В данном исследовании изучается возможность использования автомобильных генераторов переменного тока в небольших ветряных турбинах в качестве доступного и обслуживаемого на месте решения для производства энергии. Была разработана симуляция Simulink для анализа и прогнозирования работы автомобильных генераторов переменного тока при различных ветровых условиях.
Полученные результаты демонстрируют потенциал автомобильных генераторов для эффективной выработки энергии ветра. Хотя эти выводы остаются в значительной степени теоретическими, они создают прочную основу для дальнейшей экспериментальной проверки и практической реализации. Внедрение небольших ветроэнергетических систем не только поможет Узбекистану удовлетворить растущий спрос на электроэнергию, но и будет способствовать улучшению качества воздуха, снижению уровня смертности и долгосрочной энергетической устойчивости. Сосредоточение внимания на небольших, локализованных решениях, таких как ветряные турбины в сельских районах, подкрепленное моделированием и теоретическими разработками, может проложить путь к энергетической независимости и экологической устойчивости.
Список литературы:
- International Energy Agency (IEA), (2022). Solar Energy Policy in Uzbekistan: A Roadmap. Paris: Available at: https://www.iea.org/reports/solar-energy-policy-in-uzbekistan-a-roadmap
- World Wind Energy Association, (WWEA), 2024. Annual Report 2023. Bonn, Germany: World Wind Energy Association. Available at: https://wwindea.org/AnnualReport2023
- International Renewable Energy Agency (IRENA), 2024. Renewable Energy Statistics 2024, Abu Dhabi. https://www.irena.org/Publications/2024/Jul/Renewable-energy-statistics-2024
- Masdar, Abu Dhabi Future Energy Company, 2023. Zarafshan Wind Farm. Available at: https://masdar.ae/en/renewables/our-projects/zarafshan-wind-farm
- ACWA Power. Bash wind IPP. https://acwapower.com/e
- ACWA Power. Dzhankeldy wind IPP. https://acwapower.com/en/projects/dzhankeldy-wind-ipp/
- ACWA Power. Karatau wind IPP. https://acwapower.com/
- International Finance Corporation (IFC). IFC PROJECT INFORMATION & DATA PORTAL. https://disclosures.ifc.org/
- M. Ehsani, A. Emadi, and J. M. Miller, Ed. (2000). Vehicular Electric Power Systems: Land, Sea, Air, and Space Vehicles. CRC Press.
- UN, World Population Prospects (2024) https://ourworldindata.org/
- IHME, Global Burden of Disease (2024) –. “Air pollution (outdoor & indoor)”. https://www.healthdata.org/research-analysis/gbd
- Ember (2024); Energy Institute - Statistical Review of World Energy (2024) – Learn more about this data OurWorldinData.org/energy
/Usmonov.files/image010.jpg)
/Usmonov.files/image011.jpg)