доцент, Наманганский инженерно-строительный институт, Республика Узбекистан, г. Наманган
РАЗРАБОТКА ТЕХНОЛОГИИ ПОЛУЧЕНИЯ УГЛЕГРАФИТОВЫХ МАТЕРИАЛОВ ДЛЯ ЭЛЕКТРОТЕХНИЧЕСКОЙ И МЕТАЛЛУРГИЧЕСКОЙ ОТРАСЛЕЙ
АННОТАЦИЯ
В статье представлен процесс графитирования образцов аморфного углеродного материала, содержащего нефтяной кокс и нефтяную смолу, при высоких температурах в среде среднего вакуума в специальной лабораторной печи. Изучена степень графитизации, образующаяся в этих образцах, а также приведены аналитические результаты по формированию кристаллических количеств графита.
ABSTRACT
The article presents the process of graphitizing samples of amorphous carbon material containing petroleum coke and petroleum resin at high temperatures in a medium vacuum environment using a specialized laboratory furnace. The degree of graphitization occurring in these samples was studied, and analytical results on the formation of crystalline graphite quantities are also provided.
Ключевые слова: технология, углеграфит, графит, кокс, нефть, электротехника, степень графитизации, удельное сопротивление, плотность, смола, вольтметр, термопара, анизотропия.
Keywords: technology, carbon graphite, graphite, coke, petroleum, electrical engineering, degree of graphitization, specific resistance, density, resin, voltmeter, thermocouple, anisotropy.
Разработка и применение углеграфитовых материалов обусловлены необходимостью создания высокоэффективных и надёжных компонентов, способных выдерживать экстремальные условия эксплуатации. Углеграфитовые материалы состоят из углеродных волокон, встроенных в графитовую матрицу, что позволяет достичь комбинации уникальных свойств. Эти композиты характеризуются высокой прочностью, лёгкостью, устойчивостью к высоким температурам и агрессивным химическим средам[1].
В электротехнической области углеграфитовые материалы широко используются для изготовления электрощеток, токосъёмников и других электрических контактов благодаря своей высокой электропроводности и износостойкости. В металлургии они применяются для создания тиглей, подложек и компонентов печей, работающих при высоких температурах, благодаря их термостойкости и устойчивости к коррозии.
Современные методы получения углеграфитовых материалов включают многоступенчатые процессы, такие как подготовка и карбонизация углеродных волокон, формование и термообработка матрицы, а также финальная механическая обработка. Каждый этап требует точного контроля параметров и использования передовых технологий для обеспечения высокого качества конечного продукта.
Исследование свойств углеграфитовых материалов является важным направлением научных исследований. Особое внимание уделяется механическим, термическим и электрическим характеристикам, а также устойчивости к воздействию химических агентов. Эти исследования позволяют постоянно улучшать свойства материалов и расширять области их применения[2].
Таким образом, углеграфитовые материалы являются неотъемлемой частью современного высокотехнологичного мира, обеспечивая надёжность и эффективность различных технических систем и устройств. Разработка новых методов получения и исследование свойств этих материалов продолжают оставаться актуальными задачами для учёных и инженеров.
Известно, что степень графитизации углеродистых материалов оценивается либо по уменьшению межплоскостного расстояния на рентгенограмме, либо по соотношению интенсивности различных линий, либо по размеру кристаллов материала[3].
Согласно результатам исследований, проведенных учеными по степени графитизации углеродистых материалов, степень графитизации аморфного углерода зависит в первую очередь от температуры[4, 5]. При этом степень графитизации аморфного углерода при постоянной температуре достигает определенного предела[6]. Однако, согласно данным, приведенным в ряде литературных источников, кинетические исследования процесса графитизации аморфного углерода показали, что графитизация аморфного углерода зависит не только от температуры, но и от продолжительности процесса. Согласно расчетам, проведенным учеными, для осуществления процесса графитизации нефтяного кокса достаточна температура 2420 °С. Для достижения этого результата при более низких температурах потребуется 13 часов при 2150 °С, месяц при 1900 °С, 1,5 года при 1500 °С и 3200 лет при 1000 °С[7-9]. Для достижения этого результата при других низких температурах потребуется 13 часов при 2150 оС, месяц при 1900 оС, 1,5 года при 1500 оС, 3200 лет при 1000 оС[10].
При обработке углеродных материалов при высоких температурах трудно наблюдать изменение их свойств. Обычно при исследовании свойств углеродных материалов сначала аморфный углерод обрабатывают при высоких температурах, а затем проводят исследование после полного охлаждения образца, что может усложнить процесс исследования и вызвать ряд неопределенностей [11, 12].
Процесс графитизации образца, состоящего из кокса и мелассы, изготовленного из местного сырья, имеющего форму трубы с размерами: наружный диаметр 96 мм, внутренний диаметр 76 мм, высота 240 мм, осуществляли в печи при температурах 1600...2500 °С, выдерживая при каждом значении этих температур в течение 1 часа.
Специальная лабораторная печь предназначена для обжига образцов, изготовленных методом порошковой металлургии, в высоком вакууме или в защитной газовой среде до температуры 2500 °С. Внешняя часть печи выполнена из двухслойного стального листа, который постоянно охлаждается путем пропускания воды между листами, чтобы печь не перегревалась [рис. 1]. Внешняя часть печи выполнена из двухслойного стального листа, который постоянно охлаждается, пропуская воду между листами, чтобы печь не нагревалась [рис. 1].
/Ubaydullaev.files/image001.jpg)
Рисунок 1. Прокаливание в специальной лабораторной печи и испытание физико-механических свойств материала
1 - вакуумный насос; 2 - термопара; 3 - манометр; 4 - термодатчик; 5 - амперметр; 6 - вольтметр; 7 - система охлаждения; 8 - автомат; 9 - тиристорный блок; 10 - испытуемый образец; 11 - бронзовый контакт; 12 - радиатор; 13 - токопровод.
Химический состав исследуемых образцов и технологические показатели процесса графитизации приведены в таблице 1.
Таблица 1.
Химический состав исследуемых образцов и технологические показатели графитизации
|
№ |
Химический состав, % |
Температура графитирования,ОС |
Продолжительность процесса, часов |
|
1 |
Кокс + нефтяная смола |
1600 |
1 |
|
2 |
1800 |
||
|
3 |
2200 |
||
|
4 |
2500 |
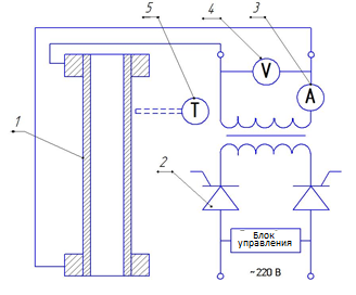
Электрическая схема печи, разработанной для осуществления процесса графитирования образцов, представлена на рисунке 2.
/Ubaydullaev.files/image002.png)
Рисунок 2. Схематическое изображение процесса графитирования
1 - образец; 2 - тиристор; 3 - амперметр; 4 - вольтметр; 5 - термопара.
Для определения степени графитизации аморфных углеродных образцов мы вырезали фрагменты из образцов, прошедших процесс графитизации, и провели анализ их структурно-фазового состава на рентгеновском дифрактометре (XRD) "MiniFlex 600." На рисунке 3 представлены максимумы дифракционных профилей кристаллографических плоскостей 002 исследованных углеродных образцов.
/Ubaydullaev.files/image003.jpg)
Рисунок 3. Максимумы дифракционных профилей кристаллографических плоскостей 002 образцов углерода, прошедших процесс графитизации при различных температурах
При этом интегральная ширина β дифракционной линии 002 с повышением температуры обработки уменьшалась с 1,56° до 0,2°. Такое изменение интегральной ширины связано, прежде всего, с изменением среднего размера областей когерентного рассеяния рентгеновских лучей вдоль кристаллографической оси "c" (Lс). При этом Lс постепенно увеличивается с повышением температуры обработки: при температуре 1500 °С до 5 нм, при температуре 2500 °С до 45 нм. Увеличение размеров областей когерентного рассеяния с повышением температуры обработки сопровождалось смещением центров дифракционных профилей кристаллографических плоскостей 002 вправо (в сторону больших углов) (рис. 3). Это связано с уменьшением межплоскостного расстояния d002 с 0,344 нм при температуре 1500 °С до 0,33 нм при температуре 2500 °С.
В процессе графитизации аморфного углерода аморфная структура переходит в кристаллическую. При этом одним из важных показателей процесса графитизации является температура процесса. Согласно анализу литературы, графитирование углерода с аморфной структурой при температуре 1600...2500 °С обеспечивает полный переход аморфной структуры в кристаллическую (рис. 4).
Согласно графику, представленному на рисунке 4, кристаллизация аморфных углеродных материалов усиливалась в зависимости от температуры процесса и времени выдержки при этой температуре.
/Ubaydullaev.files/image004.png)
Рисунок 4. Влияние степени графитизации аморфного углерода, температуры процесса графитизации и времени выдержки при этой температуре
Заключение:
В результате проведенных исследований можно сделать следующий вывод: установлено, что степень графитизации аморфных углеродных материалов, содержащих нефтяной кокс и смолу, зависит от температуры и времени. Полученный в результате графитовый материал позволил производить продукцию, применяемую в электротехнической и металлургической отраслях.
Список литературы:
- Usmonov, J. M., Shakirov, S. M., Ubaydullayev, M. M., & Parmonov, S. O. (2021). Aluminum-based composition materials for processing aluminum scrap. ACADEMICIA: An International Multidisciplinary Research Journal, 11(8), 590-595.
- Shakirov, S. (2021). Электр двигателларда кулланиладиган углеграфитли материалларни ишлаб чицариш технологиясини тахлил цилиш. kompozitsion materiallar.
- Shuxrat, S., Akmal, A., Mamasidiq, U., & Bohodir, E. (2022). Determination of the effect of temperature on the graphitization process of amorphous carbon materials. Conferencea, 284–288.
- Алланазаров Акмал, Убайдуллаев Мамасидиқ, Ҳайдаров Улуғбек, & Боходир Эгамбердиев. (2022). Углерод асосли материалларини қиздириш элементи сифатида қўллаш истиқболлари. Innovations in Technology and Science Education, 1(2), 82–91. Retrieved from https://humoscience.com/index.php/itse/article/view/62
- Пармонов, С. Т., Шакиров, Ш. М., Шарипов, К. А., Убайдуллаев, М. М., & Усмонов, Ж. М. Қаттиқ қотишма кукунларини преслаш жараёнига пластификаторлар ва уларнинг миқдорларининг таъсири. in конференция-симпозиум (p. 156).
- Убайдуллаев, М. М., Абдуллаев, К., Баратов, А., & Шакиров, Ш. М. (2023). Маҳаллий хом ашё асосида углеграфитли материалларни олиш технологиясини такомиллаштириш: маҳаллий хом ашё асосида углеграфитли материалларни олиш технологиясини такомиллаштириш. “Qurilish va ta'lim” ilmiy jurnali, 1(1), 111-114.
- Турабоев, Д., & Убайдуллаев, P. М. (2023). Анализ конструкции буксовый узел для железнодорожных вагонов: анализ конструкции буксовый узел для железнодорожных вагонов. “Qurilish va ta'lim” ilmiy jurnali, 1(1), 50-53.
- Убайдуллаев, М. М., Абдуллаев, К., Бегматов, Д., Абдувалиев, С. М., & Мухаммадалиев, Б. Д. (2023). Углерод асосли электр чўтка материалларни олиш истиқболлари: углерод асосли электр чўтка материалларни олиш истиқболлари. “Qurilish va ta'lim” ilmiy jurnali, 1(1), 99-101.
- Убайдуллаев, М. М., & Исроилов, Н. Н. (2023). Маҳаллий хомашёлар асосида олинган углерод асосли материалларни хоссаларини татқиқ қилиш усуллари: маҳаллий хомашёлар асосида олинган углерод асосли материалларни хоссаларини татқиқ қилиш усуллари. “Qurilish va ta'lim” ilmiy jurnali, 1(1), 245-248.
- Ahmadjonov, M., & Ubaydullayev, M. (2023). Prospects of obtaining mineral powder based on local raw materials: prospects of obtaining mineral powder based on local raw materials. “Qurilish va ta'lim” ilmiy jurnali, 1(1), 296-298.
- Алланазаров, А., Убайдуллаев, М., Улуғбек, Ҳ., & Эгамбердиев, Б. (2022). Углерод асосли материалларини қиздириш элементи сифатида қўллаш истиқболлари. Innovations in Technology and Science Education, 1(2), 82-91.
- Ubaydullayev, M. (2021). Aluminum-based composition materials for processing aluminum scrap. An International Multidisciplinary Research Journal.