доц., PhD, Бухарский государственный технический университет, Узбекистан, г. Бухара
ОПРЕДЕЛЕНИЕ ПРОИЗВОДИТЕЛЬНОСТИ И ОСНОВНЫХ ПАРАМЕТРОВ РАЗРЫХЛИТЕЛЬНО-ОЧИСТИТЕЛЬНЫХ БАРАБАНОВ
АННОТАЦИЯ
В статье анализирована траектория движения сырья под воздействием кипы барабана, рассчитаны основные показатели ворсовых барабанов и угол удара сырья для двухворсового барабана, определены эффективный зазор между торцами сваи и колонной, определены основные параметры подающих роликов и изучен коэффициент их трения о валки шерсти. Теоретически определена производительность колосниковых трипально-очистительных барабанов. При расчёте производительности барабанов обосновано смещение слоя шерстяных волокон с определённой высотой слоя, обладающего массой, на рабочей поверхности. При переработке шерстяного сырья для колосникового барабана-трупального очистителя определена длина пути скольжения сырья по колоснику. С учётом пустот в слое шерстяного сырья определена фактическая часовая производительность.
ABSTRACT
The article analyzes the trajectory of raw material movement under the influence of the drum pile, calculates the main indicators of pile drums and the impact angle of the raw material for a two-pile drum, determines the effective clearance between the ends of the pile and the column, defines the main parameters of the feeding rollers, and examines their friction coefficient against wool rolls. The productivity of pinned beating-cleaning drums has been theoretically determined. In calculating the productivity of the drums, the displacement of a layer of wool fibers of a certain thickness and mass on the working surface was substantiated. During the processing of wool raw material, the sliding path length of the raw material along the grate of the pinned beating-cleaner drum was established. Taking into account the voids in the wool layer, the actual hourly production capacity was determined.
Ключевые слова: сырья, барабан, гребенки, эффективный зазор, координата, диаметр, коэффициент, трения.
Keywords: raw materials, drum, comb, effective gap, coordinate, diameter, coefficient, friction.
Введение. На схеме работы питающих валиков, имеющих одинаковый диаметр и одинаковую скорость вращения, показан процесс их работы в марах для обеспечения. Получение шерсти с ленты и передача её на барабан с кольясниковой решеткой осуществляется при сильном взаимодействии между валами, вращающимися в противоположные стороны, что приводит к деформации массы шерсти в рабочей зоне. Необходимо теоретически обосновать процесс воздействия кольясниковой решетки барабана.
Основная часть. Перемещение шерстяного сырья через решетчатую или сетчатую поверхность требует учета скорости барабана и уровня трения. На рисунке 1 показаны несколько траекторий движения волокон, а также колковый барабан и сетчатая поверхность [1].
/Ismoilov.files/image001.jpg)
Рисунок 1. Траектория движения сырья под воздействием колкового барабана
На рисунке 1 показана траектория движения сырья под воздействием колкового барабана.
Волокна шерсти движутся по траекториям A, B, S на поверхности гребенки, образуя углы α1, α2, α3. При угле схода α = 0 движение волокон должно быть горизонтальным. Для более тщательной очистки волокон шерсти и отделения посторонних примесей из их состава необходимо увеличить время и расстояние их движения по поверхности гребенки, а также направить их под определенным углом [5].
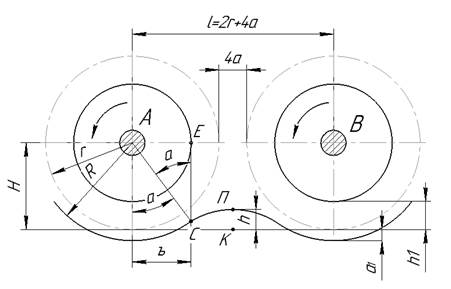
Метод и методология исследования. Рассчитываем основные показатели колковых барабанов и угол удара сырья для двухворсового барабана. Схема очистительно-разрыхлительного барабана имеет гребенчатую поверхность [3]. При постоянстве Ɩ, R, r — необходимо найти угол движения сырья λ, координаты начальной точки C, b, H, а также обосновать высоту h приподнятой части поверхности гребенки между двумя соседними барабанами относительно начальной точки C.
(1)
Как видно из треугольников ABC и AEC, из треугольников AEC и BEC находим следующее:
(2)
/Ismoilov.files/image005.jpg)
Рисунок 2. Вид очистных барабанов свайного типа с рифлённой поверхностью
Если известен интервал 4а, то последнее уравнение можно изменить следующим образом, учитывая, что диаметр барабана свои равен D = 2R [4].
(3)
Находим угол в треугольнике ABC:
(4)
Чтобы определить высоту h, рассмотрим треугольник CPC,
(5)
в этом случае:
(6)
подставляя R и Ɩ, получаем следующее:
(7)
Эффективный зазор 2a принимается равным зазору между торцами сваи и колонной. В этом случае Ɩ = 2R, и последнее уравнение можно записать в следующем виде:
(8)
Однако высота h₁- всегда должна быть больше h-. Это обусловлено размером самого крупного компонента смеси — движущегося шерстяного волокна, отклонением траектории движения (из-за скоростной силы), колебаниями скорости и другими факторами [7]. Используемая высота:
(9)
Теоретически обосновано воздействие подающих роликов на куски шерсти. Конструкция предлагаемого гофрированного подающего ролика, сбалансированного по потоку шерсти, отражает эффективность принципа работы [10].
При расчёте производительности колосникового разрыхлительно-очистительного барабана понимается смещение слоя шерстяных волокон на рабочей поверхности, обладающего массой при определённой высоте слоя. Наивысшая эффективность очистки обеспечивается только тогда, когда степень трения движущихся шерстяных волокон о сетчатую поверхность соответствует условию fтрен< fmax [4].
При переработке шерстяного сырья для колосникового барабана разрыхлительного очистителя, если длина пути скольжения сырья по колоснику равна L, а средняя скорость движения шерстяного сырья составляет m/мин, его производительность выражается следующим образом [2]:
(10)
Здесь:
— количество прохождения сырья через поверхность колосника (за определённый промежуток времени);
F — площадь полного поперечного сечения (для прохождения шерстяного сырья);
— средняя частота вращения барабана, м/мин.;
— объёмная плотность шерстяного сырья, кг/м³
Результаты и обсуждение. Время пребывания шерстяного сырья в зоне действия колосникового барабана Tq определяется следующим образом в соответствии с продолжительностью технологического цикла [9]:
(12)
Теоретическая производительность очистителя определяется следующим образом:
(13)
С учётом пустот в слое шерстяного сырья фактическая часовая производительность определяется следующим образом:
(14)
Здесь:
= 0,25÷0,30 — коэффициент использования рабочей поверхности;
— коэффициент использования машины, учитывающий установленные и плановые остановки в процессе работы [6].
Эффективность очистки двухбарабанного K-очистителя определяется по эмпирической (экспериментально основанной) формуле.
(15)
поэтому:
— производительность очистителя.
Заключение. Определены основные параметры подающих роликов и изучен коэффициент их трения о валки шерсти. Исследованы: течение шерстяного сырья через вал между валками и состояние насыпной массы. Найдены значения дуги захвата валков шерсти подающими роликами.
Список литературы:
- ГОСТ 28491-90. Шерсть овечья немытая с отделением руна. Характеристика немытой шерсти. — М.: Стандартинформ, 2006. — 18 с.
- Amonov A. Determination of the Friction Force Between the Roller of the Polymer Composition Coating Equipment on the Seams of Tarpaulin Materials and the Surface of the Tarpaulin // AIP Conference Proceedings. — 2023. — Vol. 2789. — P. 040053.
- Ismoyilov F.B., Ismoyilov I.B. The importance of using an inclined cleaner in primary wool processing // Universum: Technical Sciences. — 2023. — № 7(112). — Рр. 46–49.
- Ismoyilov I.B., Kuldashev E.I., Abrorov A.S., Ismoyilov F.B., Bozorov R.R. Improvement of the machine for wool scutching for obtaining ecologically clean fiber // E3S Web of Conferences. — 2023. — Vol. 390. — P. 01010. https://doi.org/10.1051/e3sconf/202339001010
- Jiang Z., Zhang N., Wang Q., Wang P., Yu Y., Yuan J. A controlled highly effective and sustainable approach to the surface performance improvement of wool fibers // Journal of Molecular Liquids. — 2021. — Vol. 322. — № 15. — Рр. 114–952.
- Mavlonova I. Experimental studies of the dynamics of the proposed design of the presser foot with an additional conical spring // Journal of Physics: Conference Series. — 2022. — Vol. 2373. — Pp. 022047.
- Minfeng Tang, Weiping Zhang, Hui Zhou, Jing Fei, Juan Yang, Weimin Lu, Shuya Zhang, Shanghua Ye, and Xiaoping Wang A real-time PCR method for quantifying mixed cashmere and wool based on hair mitochondrial DNA // Textile Research Journal. — September 2014. — Vol. 84. — № 15. — Pp. 1612–1621.
- Reti C., Casetta M., Duquesne S., Delobel R., Soulestin J., Bourbigot S. Intumescent Biobased-Polylactide Films to Flame Retard Nonwovens // Journal of Engineered Fibers and Fabrics. — 2009. —Vol. 4. — № 2. — Рр. 33–39.
- Sayitkulov S. Optimization of the parameters on the combined cotton cleaning machine and analysis of cleaning efficiency // E3S Web of Conferences. — 2024. — Vol. 508. — P. 08020.
- Tuguzbaeva R.B., Hakimov Sh. Sh. Development of the Design of an Extractor to Increase the Efficiency of Wool Washing // Amaliy va fundamental tadqiqotlar jurnali. — 2024. — Vol. 5. — Pp. 23–28.