Master, Academy of Military Science and Technology, Vietnam, Hanoi
DEVELOPMENT OF AN INTEGRATED ALTITUDE MEASUREMENT METHOD FOR SMALL UAVS
ABSTRACT
With the progression of scientific inquiry and technological innovation, the automation of operational procedures in unmanned aerial vehicles (UAVs) has become increasingly significant. Among these procedures, low-altitude flight plays a crucial role in determining the overall performance and efficiency of UAV operations. This manuscript proposes the development of a comprehensive altitude measurement system designed specifically for small UAVs, intending to enhance their automation and operational quality.
АННОТАЦИЯ
С развитием научных исследований и технологических инноваций автоматизация рабочих процессов в беспилотных летательных аппаратах (БПЛА) приобретает все большее значение. Среди этих процессов полет на низкой высоте играет ключевую роль в определении общей производительности и эффективности работы БПЛА. В данной статье предлагается разработка комплексной системы измерения высоты, специально предназначенной для малых БПЛА, с целью повышения их автоматизации и качества работы.
Keywords: Altitude measurement, infrared height measurement, Ultrasonic height measurement, UAVs.
Ключевые слова: Измерение высоты, инфракрасное измерение высоты, ультразвуковое измерение высоты, БПЛА.
Introduction
In general, research on UAVs often focuses on building controllers to improve the controllability of UAVs in practice. The author [1] synthesized the controller of UAVs in the lateral plane, while the group of authors [2] focused on evaluating the safety of UAVs in conditions of relatively strong turbulence. Phuong Anh Pham Thi and her colleagues [3] built a tracking algorithm and problems related to trajectory tracking. In addition, Dr. Van Toan Ngo [4], [5] built PI controllers to track the trajectory of UAVs and optimize the landing trajectory in short runways. In addition, Dr. Quoc Tuan Do [6] built a landing program using image processing methods. In particular, the author Hong Son Tran [7] developed a landing controller for fixed-wing UAVs in the longitudinal plane, the author used a predetermined wind model and optimal parameters selected by the Matlab tools. However, the above studies have not mentioned methods to improve the accuracy of UAV operations by building precision measuring devices. Methods to effectively measure UAV parameters help to enhance the quality of its operations. In practice in aviation engineering, people are currently using radio altimeters, laser altimeters and barometric altimeter methods. In their research, the authors limit the scope of research and application to these methods. The first commonly used altimeter method is the radio altimeter method. This method has the advantage of determining the actual altitude of the aircraft during operation and has high accuracy when the aircraft flies on different terrains. However, this method has errors when the reflective surface of the terrain has many changes and when the aircraft has an inclination angle and pitch angle. As for the barometric altimeter method, this method determines the relative altitude and absolute altitude of the aircraft. Moreover, the structure of this measurement method is relatively simple and convenient for use and exploitation. However, this method is faced with the low accuracy of the aircraft at low altitude. On the other hand, we see that during the operation of the aircraft, determining the actual altitude is very important because it is used throughout the operation of the aircraft. When determining the actual altitude, we need to know the absolute altitude and the altitude of the terrain above sea level (because the actual altitude = absolute altitude - altitude of the terrain above sea level). Meanwhile, the altitude of the terrain above sea level is always changing, so determining the actual altitude will not be accurate without accurate information about the altitude of the terrain above sea level. Therefore, if we use a barometric altimeter to determine the actual altitude, we will encounter errors and these errors cannot be overcome without knowing the exact information about the altitude of the terrain above sea level. On the other hand, the method of measuring barometric pressure encounters errors due to inaccurate static pressure collection. Moreover, this method has errors due to random changes in pressure according to non-standard altitude. When studying the dependence of atmospheric pressure on altitude, we see that each altitude has a corresponding atmospheric pressure. However, at an altitude, there is not always a pressure value like that, but it has a small change. This causes errors in the barometric altimeter. The laser altimeter method is also widely used in aviation. This method is performed by a laser pulse generator that creates pulses with very narrow widths (
) so it is possible to accurately mark the time of transmitting the pulse and the time of receiving the pulse; High directional ability of laser radiation; The wave of the laser emitter is smaller than the wave of the radio altimeter, so the accuracy of the laser altimeter is more accurate than the radio altimeter. On the other hand, the high directional ability of the laser will also cause other error components leading to errors for this method. In addition, the error of the method is encountered due to the different convexity and concavity of the ground, the height measuring device measures the height relative to trees, roofs, and even rain clouds containing many water particles... The scattering law of the laser beam when encountering water particles in the air will cause height measurement errors for the laser height measurement method. The influence of meteorological conditions, the atmosphere, and the wave propagation process also significantly affects the laser height measurement method.
ANALYSIS OF THE POSSIBILITY OF CONSTRUCTING A COMBINED ALTIMETER
For the research subject in the authors' study, small unmanned aerial vehicles (UAVs) using a single type of altimeter that ensures accuracy in all UAV operations is unsuitable. Therefore, it is necessary to develop a combined altimeter system to accurately determine altitude across the UAV's operational stages. This system comprises components with different altitude measurement principles, employed at appropriate times to ascertain the UAV's altitude.
Separate Diagram: The simplest approach to constructing a combined altimeter is to use a separate configuration. This configuration is demonstrated in Figure 1.
/Tran.files/image002.png)
Figure 1. Separate Combination Diagram with Altitude Sensor
In this configuration, altitude signals are generated by two transducers that operate independently. The accuracy of each altitude measurement method varies across different altitude ranges. Some transducers provide precise measurements at low altitudes, while others are accurate at higher altitudes. Therefore, the placement of the switching block in this configuration is critical. Based on the altitude, the system can be designed to act as a switching block that connects to a specific transducer only when its signals are accurate for the given altitude.
The loose coupling diagram is illustrated in Figure 2.
/Tran.files/image003.png)
Figure 2. Loose Coupling Diagram with Altitude Sensing Transducers Using Kalman Filtering
This method relies on the generation of deviation signals based on two altitude sensors: Altitude sensor 1 and Altitude sensor 2. The central component of this combined system is the Kalman filter, which resolves the estimation problem based on the measured deviations provided. The signals from the two transducers are input into the Kalman filter, which generates error estimates
. These error estimates are then used to determine accurate altitude parameters.
The above analysis provides an overview of the altimeter devices used in aviation in general and specifically for small unmanned aerial vehicles (UAVs). Each altitude measurement method has its advantages and limitations, making it unsuitable to rely on a single method for altitude measurement in small UAVs. Hence, it is essential to develop a method that combines various altitude measurement approaches into a single device to effectively solve the problem of accurate altitude determination for small UAVs. This content will be detailed in this paper.
METHOD
In their study, the authors propose developing a combined altimeter utilizing infrared and ultrasonic distance sensors. For infrared distance sensors, the authors observe that the maximum measurable altitude depends on the specific sensor type. Sensors capable of measuring short distances (less than 10 cm) have a limited range (less than 80 cm), whereas sensors designed for greater altitudes (over 550 cm) cannot measure short distances, with a minimum measurable altitude of 100 cm.
/Tran.files/image005.jpg)
Figure 3. Infrared Distance Sensor
In practice, the infrared distance measurement block has a relatively large error margin (±5%) and is influenced by sunlight and the color of obstacles. Its detection zone consists of a narrow vertical beam, making it resistant to interference but susceptible to the color of the obstructing object.
The ultrasonic distance measurement block operates by emitting a signal pulse and measuring the time taken for the signal to return. After detecting the return signal, the ultrasonic sensor calculates the time elapsed between transmission and reception, thereby deducing the distance from the sensor to the target object.
/Tran.files/image006.jpg)
Figure 4. Ultrasonic Distance Sensor
The pulses emitted by the ultrasonic sensor are ultrasonic waves, and the accuracy of the sensor varies with the frequency of the pulses. Typically, higher frequencies are used to achieve greater accuracy. Additionally, the sensor's performance depends on the target's composition and the reflection angle. Soft objects may produce weak or no reflections, and a proper reflection angle is necessary to receive a signal. This type of sensor has the advantage of a wide measurement range
, from a few centimeters to several meters, with minimal error (
). However, it has limitations, such as inaccuracies in close-range measurements due to its conical detection area, susceptibility to ultrasonic interference, and potential obstruction during operation.
As analyzed above, using only infrared and ultrasonic distance measurement sensors on small unmanned aerial vehicles (UAVs) across all ranges is impractical due to their respective advantages and limitations. One critical reason is the differing operational ranges of each sensor. Therefore, the authors propose designing a combined altimeter system that operates effectively across different altitude ranges.
For low altitudes (
), I propose a solution using four infrared distance measurement blocks with the following structure:
/Tran.files/image010.png)
Figure 5. Placement of Sensors in the Body Frame Coordinate System of a Small UAV
As shown in Figure 5, the line segments
correspond to the distance measurement directions of the infrared altitude sensors. All the infrared altitude sensors are mounted on the body of the small unmanned aerial vehicle (UAV). Infrared altitude sensor 1 and sensor 2 are positioned within the
the plane, forming an angle α with the
axis. Similarly, infrared altitude sensor 3 and sensor 4 are located within the
the plane, forming an angle
with the
axis.
The distances and points are labeled in Figure 5. Based on this configuration, a mathematical model can be developed to determine the altitude of the small UAV:
|
|
|
(1) |
|
|
|
(2) |
|
|
|
(3) |
|
|
|
(4) |
Where:
: Volumes of pyramids
and
;
: Heights of the pyramids
và
;
: Base area of the pyramid;
: Distances measured by the corresponding infrared distance sensors.
From equations (2) and (3), we have:
|
|
|
(5) |
Consider the following triangles:
|
|
|
(6) |
|
|
|
(7) |
From (6) and (7), we have:
|
|
According to the formula for calculating the volume of a pyramid, we have:
|
|
|
(8) |
From equation (8), the height
of the small unmanned aerial vehicle (UAV) from the ground can be calculated. The pitch and roll angles can also be calculated using the following formulas:
|
|
|
(9) |
|
|
|
(10) |
|
|
|
(11) |
|
|
|
(12) |
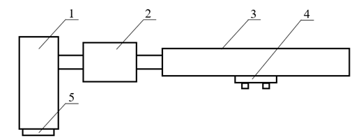
For heights greater than 80 cm, I propose using a stabilization method with an ultrasonic distance measuring sensor mounted to determine the height, as shown in the structural diagram in Figure 6.
The purpose of this method is to always keep the bar (3) parallel to the Earth's surface. The higher the accuracy achieved in this objective, the greater the accuracy of the height measurement from the ultrasonic sensor (4) mounted on the bar (3). To achieve this, servo (1) is firmly attached to the small UAV and connected to the servo (2) in such a way that servo (1) can control both the servo cluster (2), the bar (3), and the ultrasonic distance sensor (4). The roll and pitch angles of the UAV are obtained from the sensor (5). Based on this signal, through a control circuit, the two servos (1) and (2) are controlled accordingly to ensure that the bar (3) always remains in a horizontal plane.
/Tran.files/image039.png)
Figure 6. Principle diagram of the ultrasonic distance sensor stabilization mount
EVALUATION OF THE HEIGHT MEASUREMENT ERROR OF THE COMBINED HEIGHT MEASUREMENT DEVICE
Assume that the measurement errors of the sensors are as follows:
. Then, we have
|
|
|
(14) |
|
|
|
(15) |
|
|
|
(16) |
From (14) to (15), we have:
|
|
|
(17) |
Consider the following triangles:
|
|
(18) |
|
|
(19) |
From (14) and (15), we have:
|
|
(20) |
According to the formula for calculating the volume of a pyramid, we have:
|
|
(21) |
We also have:
|
|
|
(22) |
|
|
|
(23) |
From equation (9) and (24), error altitude is shown:
|
|
|
(24) |
Assume that the infrared altimeter sensor blocks are installed in compliance with the specified conditions
, and a small unmanned aerial vehicle (UAV) is deployed in the landing zone, operating in hover mode
. The actual distances from the infrared altimeter sensor blocks to the corresponding measurement points on the ground are as follows: /Tran.files/image054.png)
Assume that the infrared altimeter blocks exhibit errors. The accuracy of the infrared altimeter blocks, as described above, is ±
. The error values for the infrared altimeter blocks are as follows:
|
|
|
(25) |
At that point, it follows from equations (1) to (9) that:
|
|
|
(26) |
From (10) to (19) we have:
|
|
|
(27) |
From (20), we have:
|
|
|
(28) |
From the results obtained from equations (28), it can be observed that using infrared altimeter blocks with the proposed structural design results in minimal errors during operation. This ensures optimal conditions during the landing process of small unmanned aerial vehicles (UAVs).
Error in the ultrasonic altimeter block: The ultrasonic altimeter block exhibits no methodological error when measuring at large distances, with only instrumental errors caused by environmental conditions.
CONCLUSION
The proposed method successfully develops an altimeter with a compact size and lightweight design, meeting the requirements for measuring short-range distances while ensuring convenience during the landing process.
Additionally, the proposed method demonstrates minimal error, significantly improving the quality and precision of automatic landing operations for small UAVs.
References:
- V. H. Quang. (2008). Synthesis of the onboard edge motion control system for UAV.
- C. V. Dang, T. P. Le, D. T. Nguyen, and M. T. Le. (2016). Application of adaptive controller improves flight safety for small UAVs in wind turbulence conditions. Journal of Military Science and Technology.
- P. A. P. Thi, V. Nguyen, and T. L. Phan. (2018). Path following algorithm for UAV. Journal of Military Science and Technology.
- V. T. Ngo, Xuan Can Nguyen, N. D. Nguyen, and H. S. Tran. (2019) Optimizing the landing trajectory of the UAV in short runway conditions. Journal of Military Science and Technology.
- V. T. Ngo, X. C. Nguyen, T. P. Le, V. T. Nguyen, and C. V. Dang. (2020). Using PI controller to track landing trajectory for small UAV, Journal of Military Science and Technology.
- V. T. Do, Q. T. Do, and V. T. Ngo, (2016). Identify drone landing data on the image processing database. Journal of Science and Technique.
- H. S. Tran, D. C. Nguyen, T. P. Le, and C. Van Nguyen. (2022) Development of Automatic Landing Control Algorithm for Fixed-Wing UAVs in Longitudinal Channel in Windy Conditions, in Modern Mechanics and Applications. Lecture Notes in Mechanical Engineering. pp. 945–958. doi: 10.1007/978-981-16-3239-6_74.
/Tran.files/image017.png)
/Tran.files/image018.png)
/Tran.files/image019.png)
/Tran.files/image020.png)
/Tran.files/image027.png)
/Tran.files/image028.png)
/Tran.files/image029.png)
/Tran.files/image030.png)
nên
/Tran.files/image034.png)
/Tran.files/image035.png)
/Tran.files/image036.png)
;
/Tran.files/image041.png)
/Tran.files/image042.png)
/Tran.files/image043.png)
/Tran.files/image044.png)
/Tran.files/image045.png)
/Tran.files/image046.png)
/Tran.files/image047.png)
/Tran.files/image048.png)
/Tran.files/image049.png)
/Tran.files/image050.png)
/Tran.files/image051.png)
/Tran.files/image056.png)
/Tran.files/image057.png)
/Tran.files/image058.png)
/Tran.files/image059.png)