(PhD), доц., Каршинский инженерно-экономический институт, Республика Узбекистан, г. Карши
ПРОИЗВОДСТВА МОДЕЛЬНОЙ УСТАНОВКИ БЕЛОГО ХЛОРИДА КАЛИЯ И НИТРАТА КАЛИЯ
АННОТАЦИЯ
В работе изучалось влияние технологических параметров на процесс.В приборе были получены белый кристаллический хлористый калий, калийная селитра и хлористый аммоний. Лабораторная модель установки прибора состоит из двух автономных: первая часть установки заключается в получении белого кристаллического хлористого калия и превращении аммиачной селитры в хлористый калий процесс сопровождается получением кристаллической калиевой селитры и соли хлористого аммония. Изучены оптимальные технологические параметры получения калийной селитры конверсией хлористого калия и аммиачной селитры, также было обнаружено, что продолжительность трансформации практически не влияет на процесс.
ABSTRACT
The paper studied the influence of technological parameters on the process. White crystalline potassium chloride, potassium nitrate and ammonium chloride were obtained in the device. The laboratory model of the device installation consists of two autonomous ones: the first part of the installation consists in obtaining white crystalline potassium chloride and converting ammonium nitrate into potassium chloride. The process is accompanied by the production of crystalline potassium nitrate and ammonium chloride salt. The optimal technological parameters for the production of potassium nitrate by conversion of potassium chloride and ammonium nitrate were studied, and it was also found that the duration of transformation practically does not affect the process.
Ключевые слова: установка, хлорида калия, нитрата калия, кристаллизация, растворитель, фильтрация, кристаллов, конверсия.
Keywords: potassium nitrate, crystallization, crystal micrography, granule, conversion.
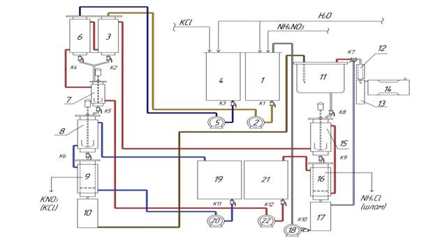
Введение. Установка состоит из двух автономных часты: первая част состоит из растворителя, конвертора, кристаллизатора и фильтрации.(рис. 1).
Первая часть установки предназначена для получения белого кристаллического хлорида калия и для проведения процесса конверсия хлорида калия нитрата аммония с получением кристаллического нитрата калия и раствора хлорида аммония. Вторая часть установки предназначена для получения хлорида аммония из первичной фильтровой жидкости с получением кристаллического хлорида аммония и вторичной фильтровой жидкости, возвращаемую на стадии получения раствора нитрата аммония.
Объекты и методы исследований. В установке также имеется вспомогательная часть для стадии охлаждения, нагревания и выпарки фильтрации.
Результаты и обсуждения. Процесс получения белого кристаллического хлорида калия:
Флотационный хлорид калия и расчётное количество воды поступает в растворитель поз 4, снабженный барбатером и обогревающим устройством.
Полученный раствор с помощью центробежного насоса поз 5 перекачивают в напорный бак поз 5, откуда через кран К4 поступает в реактор поз 7, где температура системы поднимается до 95-100оС. Полученный мутный раствор с помощью трехходового кран К5 направляется в поз 15 для отделения нерастворимой части.
Полученный прозрачный раствор с температурой не менее 95оС через барометрический сборник 16 с помощью центробежного насоса К5 перекачивают в кристаллизатор поз 8 где охлаждается до температуры 20оС. С понижением температуры системы образуется кристаллический хлорид калия.
Полученная суспензия самотеком поступает на НУТЧ фильтр поз 9. где отделяется твёрдая фаза – продукционный белый хлорида калия. Фильтрат с помощью центробежного насоса (на схеме не указано) перекачивают на стадию растворения поз 4 и цикл закрывается.
Для получения нитрата калия и хлорида аммония и гранул нитрата аммония полученный белый кристаллический хлорид калия растворяется в расчётных количествах воды в растворителях поз.1 и поз.4 и перекачиваются в напорное баки поз 3 и поз 5 соответственно при температуре 100оС. С помощью кранов К4 и К2 регулируют их соотношения и они поступают в реактор конверсии поз 7.
Через 5-10мин раствор сливают в кристаллизатор поз 8. где раствор охлаждается до температуры 20 оС с помощью галогена, поступающего из поз 17 с помощью центробежного насоса поз 18. Образующая суспензия через кран К6 поступает на НУТЧ фильтр поз 9., где отделяется кристаллы нитрата калия от первичного фильтрата где вакуум создают с помощью вакуум насоса поз 13.
Под разрежением жидкая фаза первичного маточника сначала поступает в барометрический сборник фильтра поз 10 откуда поступает в вакуум-испаритель поз 11. Испаряющаяся вода конденсируется в поз 12.
Процесс упарки раствора продолжается до достижения плотности системы 1,355 г/см3.
/Uljayeva.files/image001.jpg)
Рисунок 1. Модельной установки по производству белого кристаллического хлорида калия и нитрата калия
1-растворител NH4NO3; 2,5,18,20,21-водяной насос поверхностный; 3-напорный бак NH4NO3; 4-растворитель KCl; 6-напорный бак KCl; 6- растворитель KCl; 7- Реактор конверсионного по перемещающий; 8,14- Реактор кристаллизатор по перемещающий; 9,15- Фильтр, 10; 14- Барометрический ёмкость; 11- Испаритель; 12-конденсатор; 13-вакуумный насос; 16- Охладитель; 19- Теплоноситель; к1, к2, к3……к9,к12-кран.
Упаренный раствор поступает на кристаллизатора поз 17, где охлаждается до температуры 59-60 оС, через 15-20 мин самотеком поступает на НУТЧ фильтр поз 15. Температура на НУТЧ фильтре поз 15, кристаллизаторе поз 17 и позициях 7,6,4 и 1 поддерживается с помощью теплоносителя подогревателя поз 19, который перекачивают с помощью центробежного насоса в поз 20. Из НУТЧ фильтра поз 15 отделяют кристаллы хлорида от вторичного маточного раствора. Вторичный маточник от поз 16 с помощью центробежного насоса поз 21. перекачивают в стадию растворения нитрата аммония поз и цикл закрывается.
Таким образом, данная модельная установка позволяет произвести белый кристаллический хлорида калия, нитрата калия и хлорида аммония. Производительность установки по хлориду калия 30 кг/сутка, по нитрату калия и хлориду аммония 15, 8 кг/сутка соответственно.
Список литературы:
- Erkayev A.U., Kucharov B.X., Toirov Z.K., Normamatov F., Dormeshkin O.B., Dadakhodjaev A.T. Study of theinfluence of technological parameters on the quality of potassium nitrate. International Journal of Aquatic Science. 2021.Vol.12, Issue.2,Р.4947-4962.WebofSciece(1).
- Нормаматов Ф.Х., Кучаров Б.Х., Тоиров З.К., Эркаев А.У. Исследование основных стадий получения нитрата калия конверсионным способом. Узбекский химический журнал. 2021. №1. С.9-15.(02.00.00.№6).
- Нормаматов Ф.Х., Кучаров Б.Х., Тоиров З.К., Эркаев А.У. Изучение процесса упарки маточных растворов при получении нитрата калия. Композицион материаллар журнал. 2022г. №1. 6-10с.(02.00.00;№4).
- Нормаматов Ф.Х., Эркаев А.У., Дадаходжаев А.Т., Тоиров З.К., Кучаров Б.Х. Исследование процесса получения нитрата калия. «Universum:технические науки». Москва. 2019. Выпуск: 9(66). 71-77с.(02.00.00;№1).
- А.с.1572997, МПК С01D9/08. Способ получения нитрата калия. - Опубл.23.06.90//Бюл.№23,19907.
- Узаков О.А,, Дехканов З.К., Мадаминов О.А., Базаров А,А. Получение нитрата калия методом конверсии.// Universum:Техническиенауки.-2022.-№2(92).
- Коган В.Г., Огородников С.К., Кофаров В.В. Справочник по растворимости. Книгатретья.-М:Наука,1969.-1171с.