ст. преп. кафедры «Технология пищевых продуктов» Ташкентского химико-технологического института, Узбекистан, г. Ташкент
ПРОГРАММА ДЛЯ РАСЧЕТА КОРМОВЫХ ЕДИНИЦ СЫРЬЯ ДЛЯ КОРМОВ И КОМБИКОРМОВ
АННОТАЦИЯ
В данной работе рассматривается задача разработки программы для расчета кормовой единицы кормового или комбикормового сырья. Организация эффективного кормления в животноводстве играет важную роль в обеспечении продуктивности, здорового развития и экономической эффективности животных. Поэтому автоматизация точного и оперативного расчета питательной ценности кормов с помощью современных информационных технологий является актуальной задачей. Программное обеспечение позволяет автоматически рассчитывать кормовую единицу на основе сухого вещества, сырого протеина, сырого жира, сырой клетчатки и безазотистых экстрактивных веществ в сырье. Это способствует оптимизации кормовых формул, составлению экономически эффективного рациона и совершенствованию производственного процесса.
ABSTRACT
This work addresses the task of developing a program for calculating the feed unit of feed or mixed feed raw materials. Organizing effective feeding in livestock farming plays a significant role in ensuring animal productivity, healthy development, and economic efficiency. Therefore, automating the accurate and prompt calculation of feed nutritional value using modern information technologies is a pressing issue. The software allows for the automatic calculation of feed units based on dry matter, raw protein, raw fat, raw fiber, and nitrogen-free extractive substances in raw materials. This contributes to optimizing feed formulas, creating an economically efficient ration, and improving the production process.
Ключевые слова: MATLAB, Simulink, корм, комбикорм, кормовая единица
Keywords: MATLAB, Simulink, feed, mixed feed, feed unit
Введение. Комбикорм, состоящий из смеси нескольких различных компонентов, приготовлен по специальным рецептам, проверенным при кормлении сельскохозяйственных животных и подтвержденным по питательной ценности. Рецепты составляются с учетом того, что все питательные вещества, необходимые для скота, должны быть в достаточном количестве, а их энергия должна удовлетворять физиологические потребности животного. Цель приготовления комбикормов заключается в том, чтобы восполнить недостающие или отсутствующие в одном виде корма питательные вещества, витамины, минеральные вещества или микроэлементы путем смешивания двух, трех или нескольких видов ингредиентов.
С этой целью все виды комбикормов, производимые в нашей Республике, обогащаются традиционными и нетрадиционными видами сырья[1], и ведутся масштабные исследования по улучшению их усвояемости организмом животных и повышению продуктивности.
Вопрос экономической и биологической оптимизации кормов и кормовых смесей в системе научно обоснованного кормления животных имеет долгую историю. С середины ХХ века процесс формирования рецепта комбикорма начал осуществляться на основе математического моделирования. Алгоритм Simplex, разработанный основателем теории линейного программирования, позволил определить самый дешёвый рацион при составлении рецепта комбикорма[2]. Этот подход до сих пор используется в качестве основного механизма оптимизации в комбикормовой промышленности.
Усовершенствованная версия современных вычислительных систем была разработана с использованием моделей на базе Excel Solver, где классический подход был интегрирован с современными данными анализа кормов [3]. Исследователи отмечают, что механизм расчета практически не изменился, однако система биологической оценки питательных веществ значительно усовершенствовалась. Этот подход эффективен как в учебном процессе, так и на производстве.
Система оценки состава корма исторически основана на методе Weende (проксимальный анализ), который определяет энергию и питательную ценность на основе сырого протеина, сырого жира, сырой клетчатки, сырой золы и безазотистых экстрактивных веществ[4]. Однако этот метод не может полностью отразить современные биохимические процессы. Исследования, критически анализирующие системы оценки энергии, показывают, что существующие методы не отражают реальный биологический энергетический обмен с достаточной точностью [5].
В птицеводческой промышленности для оценки энергии в основном используется показатель корректируемой азотной энергии (nitrogen corrected apparent metabolizable energy) [6]. При этом системы обменной энергии (ME) и чистой энергии (NE) считаются физиологически более точными. Концепция оценки с использованием эквивалентов АТФ на основе энергетического обмена более точно описывает фактическое усвоение энергии в организме животного [7,8].
Материал и методология исследования. Вторичное сырье крахмало-паточной промышленности - кукурузный глютен, пакет моделирования динамических систем Simulink. Комбикорма, комбикормовое сырье по ГОСТ 13496,3-92. Методы определения влажности. Комбикорма, комбикормовое сырье по ГОСТ 13496,14-87. Методы определения золы, нерастворимой в соляной кислоте. ГОСТ 13496,4-93 Комбикорма, комбикормовое сырье. Методы определения содержания азота и сырого протеина. ГОСТ 13496,15 Методы определения содержания сырого жира. ГОСТ 13496,2-91 Корма, комбикорма, комбикормовое сырье. Метод определения сырой клетчатки.
Проблема и ее постановка. В современном животноводстве и птицеводстве затраты на производство кормов составляют 60-75% от общей себестоимости продукции. Поэтому точная оценка питательной ценности комбикормов и их сырьевых компонентов является ключевым фактором экономической эффективности. На практике определение кормовой единицы часто основывается на традиционных нормативных таблицах, упрощенных энергетических показателях (в частности, обменной энергии) или классическом методе анализа состава корма. Однако существующие подходы имеют ряд ограничений:
- недостаточно учитывают региональную и сезонную изменчивость состава сырья;
- не интегрированы усвояемые аминокислоты и фактические белковые фракции;
- не учитывают комплексно системы метаболической и чистой энергии;
- не позволяют динамически моделировать действие ферментных препаратов и биологически активных добавок;
- не полностью интегрированы с цифровым производством и автоматизированными системами составления рецептур.
Разработка научно обоснованной, гибкой и автоматизированной программы расчета кормовой единицы комбикорма в условиях процессов цифровизации, требований Индустрии 4.0, концепций экологической устойчивости и ресурсосбережения является актуальной задачей.
Исходя из целей и задач данного исследования, поставленная проблема анализируется на основе современного программного обеспечения - пакета моделирования динамических систем Simulink среды MATLAB. Данный подход позволяет инженерно-техническим работникам производственных предприятий и студентам высших учебных заведений изучать и оценивать процессы на основе современных информационных технологий.
В настоящее время научно-практические исследования и моделирование развиваются стремительными темпами. Интенсивное развитие общества вызывает коренные изменения и в системе образования, требуя совершенствования концепции образования, содержания, методологии и форм организации экспериментальной работы. С этой точки зрения, для повышения эффективности экспериментов важно рациональное и системное использование современных информационно-коммуникационных технологий в учебном процессе.
Результаты и их обсуждение.
На основе вышеизложенного можно сформулировать следующие задачи исследования:
1. Проанализировать существующие теоретические и практические методы определения кормовой единицы и выявить их сильные и слабые стороны.
2. Систематизировать на научной основе взаимосвязь между химическим составом, усвояемыми питательными веществами и энергетическими показателями комбикормового сырья и разработать на их основе алгоритм определения кормовой единицы.
3. Создать математическую модель, учитывающую изменчивость состава сырья.
4. Интегрировать элементы линейного программирования и оптимизации в систему расчета кормовой единицы.
5. Разработать алгоритм расчета в виде программного обеспечения (пользовательский интерфейс, база данных, модуль автоматического расчета).
6. Сравнить результаты разработанной программы с действующими нормативными методами и оценить экономическую эффективность.
7. Обосновать возможности применения программы расчета кормовой единицы в производственных условиях.
Для реализации этих задач рассмотрим в качестве примера расчет кормовой единицы кукурузного глютена на основе его химического состава, который широко применяется в качестве корма. В настоящее время на предприятии по производству крахмально-паточной продукции "Golden Corn" в Ташкенте в качестве кормовой добавки к рациону животных производят кукурузный глютен, дробленое зерно и сухую мезгу. Были исследованы основные показатели качества и биологическая ценность вторичных продуктов производства крахмала из зерна кукурузы [9].
Полученные промышленные образцы были проанализированы в научно-исследовательских лабораториях кафедры "Технология пищевых и парфюмерно-косметических продуктов" Ташкентского химико-технологического института и ООО "Агро-химический стандарт" (г. Ташкент). При этом учитываем, что его состав следующий (таблица 1):
На современном этапе все более усиливается взаимная интеграция науки и технического прогресса, расширяется сфера использования его практических результатов. В результате внедрения цифровых технологий в производственные процессы предприятия получают возможность осуществлять мониторинг, визуальный анализ и точные расчеты расхода сырья и готовой продукции в режиме реального времени. Особенно эффективно такие системы цифрового управления и контроля применяются в зерноперерабатывающей промышленности [10,11,12].
Таблица 1.
Некоторые физико-химические показатели, влияющие на питательность
|
Физико-химические показатели |
Кукурузный глютен |
|
Влажность, % |
4,89 |
|
Содержание сырой золы, % |
1,29 |
|
Содержание сырого протеина, % |
69,57 |
|
Содержание сырого жира, % |
9,32 |
|
Содержание сырой клетчатки, % |
2,48 |
|
БЭВ (безазотистые экстрактивные вещества) |
12,45 |
MATLAB, разработанный компанией MathWorks в 1984 году, представляет собой высокотехнологичную вычислительную среду, предназначенную для выполнения научных вычислений, визуализации данных и интерактивного программирования [13]. Простота языка программирования и удобный интерфейс создали основу для его широкой популярности. Сегодня эта платформа активно используется не только в научно-исследовательских учреждениях, но и в системе образования, становясь неотъемлемой частью учебного процесса. В частности, во многих инженерных и естественнонаучных направлениях в европейских и американских университетах MATLAB принят в качестве основного экспериментального и практического инструмента [14]. В то же время компания MathWorks продолжает совершенствовать программное обеспечение до уровня современных научных и профессиональных требований путем его регулярного обновления.
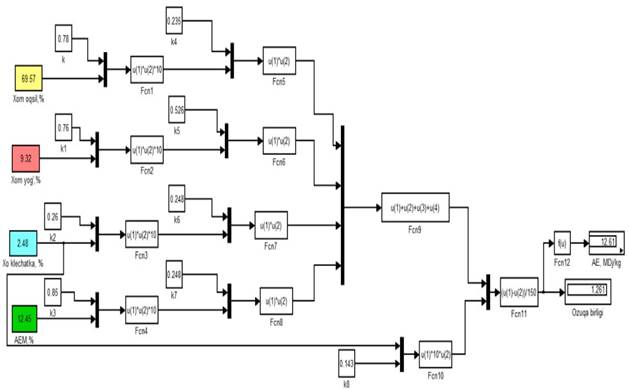
Для выполнения работы, указанной в задании, мы также используем возможности пакета моделирования динамических систем Simulink программы Matlab. Блок-схема, представленная на рисунке 1, сформирована на основе программы расчета динамических систем Simulink программы Matlab для определения питательной ценности кормов и сырья для комбикормов. Предполагается, что состав комбикорма состоит из следующих основных компонентов: сырой протеин, сырой жир, сырая клетчатка, безазотистые экстрактивные вещества. Коэффициенты переваримости каждого компонента соответственно (k1 - для белка; k2 - для жира; k3 - для клетчатки; k4 - для БЭВ). Переваримые фракции определялись путем умножения на соответствующие коэффициенты. Коэффициенты энергетического эквивалента (в МДж/кг) также были определены путем умножения на коэффициенты белка, жира, клетчатки и БЭВ. Переваримые фракции определялись путем умножения на соответствующие коэффициенты.
/Sarbolaev.files/image001.jpg)
Рисунок 1. Программа для расчета питательной ценности кормового сырья и комбикормов в пакете моделирования динамических систем Simulink программы Matlab
Данная модель основана на детерминированном энергетическом балансе, где обменная энергия определяется на основе усвояемых фракций химических компонентов в корме и их энергетических эквивалентов. Алгоритм состоит из следующих этапов:
Этап 1: Ввод данных проксимального анализа;
Этап 2: Применение коэффициента усвояемости для каждого компонента;
Этап 3: Умножение усвояемой фракции на энергетический коэффициент;
Этап 4: Определение общей обменной энергии;
Этап 5: Расчет кормовых единиц;
Этап 6: Автоматический вывод и анализ результатов.
Модель реализована с помощью функциональных блоков в среде Simulink, где каждое питательное вещество рассчитывается как отдельный модуль и в итоге объединяется в суммирующем блоке.
Вывод. При расчете пищевой ценности исследуемого корма или сырья комбикорма на основе долей основных питательных веществ (сырой белок, сырой жир, сырая клетчатка, БЭВ и др.) в сырье разработана модель определения обменной энергии (ОЭ) и кормовой единицы с использованием программной среды MATLAB Simulink. В модели вклад каждого компонента в энергию учитывался через коэффициенты, а общий энергетический показатель формировался с помощью блоков суммирования. В результате система позволяет автоматически рассчитывать и визуально контролировать энергетическую ценность кормов в режиме реального времени. Это создает такие возможности, как быстрая оптимизация состава, уточнение энергетического баланса и уменьшение ошибок в производственном процессе при формировании рецепта комбикорма. Кроме того, разработанная модель служит эффективным средством формирования у студентов навыков практического моделирования в процессе высшего образования. Осуществление энергетического учета на основе современных цифровых технологий способствует дальнейшему совершенствованию теории кормления и повышению эффективности производства.
Список литературы:
- Джахангирова Г.З и др. Повышение кормовой ценности комбикормов с использованием нетрадиционного сырья // Universum: технические науки. 2021. №4-3 (85). URL: https://cyberleninka.ru/article/n/povyshenie-kormovoy-tsennosti-kombikormov-s-ispolzovaniem-netraditsionnogo-syrya.
- Dantzig, G. B. (1963). Linear Programming and Extensions. Princeton University Press.
- Pesti, G. M., Choct, M., Chrystal, P. V., Bedford, M. R., & Moss, A. F. (2024). Teaching the principles of least-cost poultry feed formulation utilizing the Solver function within a computer software workbook. Poultry Science, 103, 103636. https://doi.org/10.1016/j.psj.2024.103636
- Henneberg, W., & Stohmann, F. (1866). Beiträge zur Begründung einer rationellen Fütterung der Wiederkäuer. Weende Experiment Station, Germany.
- Mateos, G. C., Cámara, L., Fondevila, G., & Lázaro, R. P. (2019). Critical review of the procedures used for estimation of the energy content of diets and ingredients in poultry. Journal of Applied Poultry Research, 28, 506–525.
- World’s Poultry Science Association (WPSA). (1989). European Table of Energy Values for Poultry Feedstuffs (3rd ed.). Spelderholt Centre for Poultry Research, The Netherlands.
- Kleiber, M. (1975). The Fire of Life: An Introduction to Animal Energetics. Robert Krieger Publishing.
- Livesey, G. (1984). The energy equivalents of ATP and the energy values of food proteins and fats. British Journal of Nutrition, 51, 15–28.
- Сарболаев Ф.Н. Исследование побочных продуктов производства кукурузного крахмала как компонента комбикормов/ Ф.Н. Сарболаев, Г.З. Джахангирова// Вестник НУУз, – 2023. - № 3/2/1. –С.461-464.
- Сарболаев Фаррухбек Набиевич, Махмудова Дилдора Хасановна, Умарова Шохида Сайпулла Қизи. Использование возможностей программы matlab при составлении помольных партий зерна // Universum: технические науки. 2022. №2-5 (95). URL: https://cyberleninka.ru/article/n/ispоlzоvanie-vоzmоzhnоstey-prоgrammy-matlab-pri-sоstavlenii-pоmоlnyh-partiy-zerna.
- Сарболаев Ф.Н, Миралимова А.И, Исломова Ф.К, Эргашев Г.Ж. Формирование акта о зачистке при обойном помоле с использованием возможностей программ matlab // Universum: технические науки. 2024. №1 (118). URL: https://cyberleninka.ru/article/n/fоrmirоvanie-akta-о-zachistke-pri-оbоynоm-pоmоle-s-ispоlzоvaniem-vоzmоzhnоstey-prоgramm-matlab
- Sarbolayev F.N., Miralimova A.I., Islamova F.K. Fermer xо‘jaliklari bilan bug‘dоy dоnini qabul qilishda xisоb-kitоb tartibini xisоblash dasturi. “Central asian food engineering and technology” Ilmiy jurnali, Volume 3, Issue 3, 2025. 40-46 b.
- Tawfeeq Y J, Al-Sudani J A. Digital Rоck Samples Pоrоsity Analysis by ОTSU Threshоlding Technique Using MATLAB. Iraqi Jоurnal оf Chemical and Petrоleum Engineering, 2020, 21(3):57 – 66.
- Danfeng Lin, Applicatiоn оf Mathematical Mоdeling Based оn MATLAB in Experimental Data Analysis, Prоcedia Cоmputer Science, Vоlume 247, 2024, Pages 86-92, ISSN 1877-0509, https://dоi.оrg/10.1016/j.prоcs.2024.10.011.