Assistant, Department of Mechanics and Engineering Graphics Bukhara State Technical University, Uzbekistan, Bukhara
DISPLACEMENT OF TECHNOLOGICAL SYSTEM ELEMENTS UNDER THE ACTION OF CUTTING FORCES
ABSTRACT
This paper investigates the influence of elastic deformations of non-rigid workpieces on machining accuracy. The study analyzes displacements in the integrated "machine–tool–workpiece" system under cutting forces. Using beam theory, deflection equations are derived for three clamping schemes: between centers, cantilever mounting, and chuck with tailstock support. Analysis shows that machining accuracy is predominantly affected by displacements normal to the machined surface. The normal force component is not the sole factor; tangential and axial components also contribute through moment effects. Introducing additional supports significantly reduces deformation, enabling productivity improvement without complex compensation calculations. This approach provides a practical basis for optimizing machining parameters for non-rigid workpieces.
АННОТАЦИЯ
В статье исследуется влияние упругих деформаций нежестких заготовок на точность механической обработки. Выполнен анализ перемещений элементов системы «станок–инструмент–деталь» под действием сил резания. С использованием теории балок получены уравнения прогиба для трех схем закрепления: в центрах, консольно и с поддержкой задним центром. Показано, что на точность обработки наибольшее влияние оказывают перемещения, нормальные к обрабатываемой поверхности. Нормальная составляющая силы резания – не единственный фактор; касательная и осевая составляющие также вносят вклад через моменты сил. Введение дополнительных опор существенно снижает деформацию, повышая производительность без сложной компенсации. Подход дает основу для оптимизации параметров обработки нежестких заготовок.
Keywords: cutting force, MTW system, non-rigid workpiece, deformation, machining accuracy, supports.
Ключевые слова: сила резания, технологическая система, система СИД, нежесткая заготовка, деформация, точность обработки, опоры, схемы закрепления.
1. Introduction
The MTW system includes machine units, tool holders, fixtures, the tool, and workpiece. Under cutting forces, elastic displacements occur that directly influence machining accuracy [1, 5, 6]. For non-rigid workpieces, even small deformations can cause dimensional errors exceeding tolerances [3, 4].
While previous research established relationships between cutting forces and deformations, the comparative effect of different clamping schemes remains insufficiently systematized for engineering practice.
Purpose: To analyze MTW system displacements under cutting forces, derive analytical expressions for workpiece deflection for different clamping schemes, and identify methods to reduce deformations of non-rigid workpieces.
2. Materials and Methods
The MTW system is modeled as series-connected elastic elements. Total displacement in any direction equals the algebraic sum of individual element displacements [1, 3]:
y = ym + yt + yw (1)
where: ym – machine displacement; yt – tool displacement; yw – workpiece displacement.
In practice, tool and workpiece body deformations are often negligible compared to support compliance. When yt = 0 and yw = 0:
ym = yts + yws (2)
where yts and yws are tool and workpiece support displacements.
Spatial cutting force R is resolved into orthogonal components Rx, Ry, Rz [5, 6]. The Y-axis is normal to the machined surface; Z-axis along cutting direction; X-axis along feed.
/Isamov.files/image001.jpg)
Figure 1. Cutting force components – stationary tool
/Isamov.files/image002.jpg)
Figure 2. Cutting force components – grinding wheel
Displacements along Y-axis most significantly affect accuracy [3, 5]. X and Z displacements produce second-order effects.
For cylindrical machining, radial error Δr from axial displacement a satisfies:
∆r=
(3)
Since a² is second-order small, this influence is negligible [3, 4].
Thus, machining accuracy is primarily affected by displacements normal to the machined surface (XOY and ZOY planes). However, these displacements do not occur solely under normal component Py [3, 5].
3. Analytical Deflection Models.Using Euler–Bernoulli beam theory [1], the elastic curve equation is:
EI
=M(x) (4)
where E – Young's modulus, I – second moment of area.
/Isamov.files/2.png)
Figure 3. Workpiece machined between centers
For a workpiece between centers, considering driving forces, maximum deflection is [3, 4]:
max yд=
+
(5)
This is derived by superposition: (1) concentrated force P<sub>Y</sub>, and (2) moment M = PZ r/R cosα· a from the driving dog.
where: r – workpiece radius; R – driving plate radius; α – dog rotation angle; a – distance to dog; l – workpiece length.
/Isamov.files/1.png)
Figure 4. Workpiece clamped in chuck
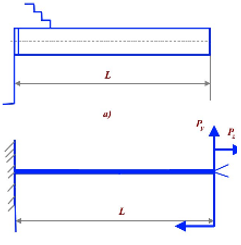
For cantilever mounting [1, 4]:
max yд=
-
(6)
The second term represents axial force contribution. Negative sign indicates PX reduces deflection in this configuration [4].
With tailstock support [3, 4]:
max yд=
-
(7)
The coefficient 1/110 (vs 1/3 in Eq. 6) reflects significantly increased stiffness. This configuration transforms the workpiece from cantilever to a beam with one fixed and one simply supported end [3, 4].
Note: Centers were modeled as simple supports, though actual centers partially restrain ends, experimentally confirmed in [3, 4].
4. Results and Discussion.
1. Multi-component force influence: Workpiece deformation depends on all force components (PY, PZ, PX) through moment arms determined by clamping geometry, not just normal component PY.
2. Clamping scheme dominates stiffness: Comparing Eqs. (6) and (7) shows adding tailstock support reduces deflection coefficient from 1/3 to 1/110 – a 35× improvement. Additional supports (steady rests, jacks) can further reduce deformation [3-6].
3. Practical implication: By properly supporting non-rigid workpieces, effective stiffness increases until elastic deformations become negligible compared to tolerances.
Engineering conclusion: It is more economical to increase system stiffness through additional supports than to implement complex deformation compensation algorithms.
5. Conclusion
1. Machining accuracy is primarily affected by MTW system displacements normal to the machined surface.
2. Workpiece deformation strongly depends on clamping configuration.
3. Additional supports dramatically reduce deformation – tailstock support provides 35× reduction versus cantilever mounting.
4. Instead of complex deformation compensation, practical fixture design with adequate supports enables productivity improvement without sacrificing accuracy.
5. The derived analytical expressions provide engineers with rapid estimation tools for process planning.
References:
- Timofeev V.P. Strength of Materials. – Moscow: Vysshaya Shkola, 1990. – 463 p.
- Babichev A.P. Metal-Cutting Machine Tools. – Moscow: Mashinostroenie, 1985. – 512 p.
- Kozochkin M.P. Ensuring Machining Accuracy of Components. – Moscow: Mashinostroenie, 2005. – 256 p.
- Reznikov A.N. Machining Accuracy on Metal-Cutting Machine Tools. – Moscow: Mashinostroenie, 1980. – 312 p.
- Altintas Y. Manufacturing Automation. – Cambridge University Press, 2012. – 366 p.
- Shaw M.C. Metal Cutting Principles. – Oxford University Press, 2005. – 651 p.