доцент кафедры хранения и переработки сельскохозяйственной продукции, Ташкентский государственный аграрный университет, Республика Узбекистан, г. Ташкент
ИЗМЕРЕНИЕ ВЛАЖНОСТИ ЗЕРНА, ДИЭЛЬКОМЕТРИЧЕСКИМ МЕТОДОМ В ПРОЦЕССЕ ОТВОЛАЖИВАНИЯ ПРИ СТАТИЧЕСКОМ И ДИНАМИЧЕСКОМ РЕЖИМЕ
АННОТАЦИЯ
Влажность регулируется качеством продукции, поэтому ее показатели не теряют своей актуальности. От качества зависят как экономические, так и социальные задачи. Одна из них – это гидротермическая обработка зерна (ГТО), а также систематическое измерение влажности зерна во время отволаживания. Гидротермическая обработка зерна – ключевой процесс в его подготовке к помолу в технологии производства муки. Вслед за увлажнением обязательной операцией является отволаживание зерна. Перенос влаги осуществляется диффузионным путем и с невысокой скоростью, что делает процесс отволаживания достаточно продолжительным по времени. Режим отволаживания ведётся двумя методами – порционное отволаживание (статический способ), когда зерно неподвижно находится в емкостях, и непрерывное (динамический).
Данная статья направлена на изучение и анализ проблемы контроля влажности зерна в процессе отволаживания и научных обоснований отволаживания статический и динамический режим.
ABSTRACT
Humidity is regulated by product quality, so the indicator does not lose its relevance. Both economic and social objectives depend on quality. One of them is the hydrothermal treatment of grain (GTO) and the systematic measurement of grain moisture during cooling. Hydrothermal processing of grain is a key process in its preparation for grinding in flour production technology, after moistening, the mandatory operation is to cool the grain. Moisture transfer is carried out by diffusion and at a low speed, which makes the process of rejuvenation quite long in time. The cooling mode is carried out by two methods — portioned (static), the grain is stationary in containers, and continuous (dynamic).
Ключевые слова: зерна, влажность, измерение, диэлькометрический, порционное (статический), непрерывное (динамический), приборы, сверхвысокочастотным (СВЧ), высокочастотным (ВЧ)
Keywords: grains, humidity, measurement, dielectric, thermogravimetric, batch (static), continuous (dynamic), instruments, ultrahigh frequency (UHF), high frequency (HF)
Введение. В сфере зерноперерабатывающих предприятий показатель влажности является одним из главнейших для оценки качества сырья, полуфабрикатов, а также и готовых изделий, т.к. влияет на калорийность и стойкость продукта при хранении. Этот показатель не теряет своей актуальности, поскольку от качества зависят как экономические, так и социальные задачи [5]. Увеличение влажности муки на 1 % понижает выход хлеба на 1,5–2 %, а повышение влажности мякиша хлеба на 1 % приводит к повышению его выхода на 2–3 %. Для повышения качества продукции, хлебопродуктов, надо решить ключевые проблемы. Одна из них – это гидротермическая обработка зерна (ГТО) и систематическое измерение его влажности во время отволаживания. Гидротермическая обработка зерна – ключевой процесс в его подготовке к помолу, который существенно повышает технологический, энергетический и экономический производственный эффект [1]. В технологическом процессе производства муки необходимо обеспечить высокую эластичность и прочность оболочек, чтобы не допускать их излишнего дробления при измельчении. При проведении ГТО стремятся усилить эти различия, процесс организуют так, чтобы прочность оболочек повысилась, а прочность эндоспермы снизилась. Процесс гидротермической обработки осуществляется в результате многоступенчатого воздействия на зерно с водой, на первом этапе технологии увлажнение осуществляют при полном погружении в воду или теплой водой с невысокой температурой [2]. Второй этап – это отволаживание зерна в специальных емкостях. Время отволаживания – от 8 до 24 часов и более зависимо от стекловидности. Третий заключительный этап – это увлажнение зерна и кратковременное отволаживание (до 30 минут).
В процессе отволаживания зерно должно находиться в емкостях, что исключает интенсивное испарение влаги в атмосферу и делает единственно возможным перемещение влаги от периферии к центру зерна (в эндосперм) и от зерна к зерну. Перенос влаги осуществляется диффузионным путем и невысокой скоростью, что делает процесс отволаживания достаточно продолжительным по времени [2].
/Mukimov.files/image001.jpg)
аm- коэффициентом диффузии влаги.
Увлажнение зерна представляет собой операцию особой важности: необходимо не только ввести в зерновую массу определенное количество воды, (W = Wopt - Wn.) но при этом обеспечить равномерное распределение ее по всей массе зерна. Поэтому в технологии производства муки, вслед за увлажнением обязательной операцией является отволаживание зерна.
/Mukimov.files/image002.png)
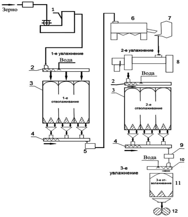
Рисунок 1. Технологическая схема гидротермической обработки зерна
1 – мойка зерна; 2 – распределительный шнек; 3 – I-ая- II-ая- отволаживания; 4 – шнек-смеситель; 5 – прибор для определения влажности; 6 – горизонтальная обоечная машина; 7 – пневмосепарирующий канал ; 8 – увлажнителный апарат; 9 – весовой дазатор; 10 – шнек-смеситель; 11 – III-ая отволоживания 12 I ДР.С.
Способ отволаживания ведётся двумя методами – порционное отволаживание (статический метод), зерно неподвижно находится в емкостях, и непрерывное (динамический), когда зерно в процессе отволаживания перемещается в емкостях непрерывно со скоростью, обеспечивающей заданное время отволаживания [1]. Процесс ГТО считается эффективным, если при этом удается разрушить связь оболочек и эндосперма, характеризуется улучшением его структуры, уменьшением зольности муки, улучшением цвета и увеличением объёмного выхода хлеба.
В связи с этим гидротермическая обработка в первую очередь направлена на преобразование исходных технологических свойств зерна, их оптимизация для помола и улучшение качества готовой продукции [2]. Кроме этого надо особо отметить, при обработке зерна в моечном обородувании удаляются минеральные примеси и существенно снижается зольность. Переработка зерна без ГТО приводит к следующим последствиям:
- ухудшается качество готовой продукции и товарный вид;
- затрудняет разделение на самостоятельные продукты помола – муку и отруби;
- измельчение идет с повышенным расходом Электроэнергии;
- состояние оболочек предопределяет их повышенную дробимость и попадание в муку частиц отрубей;
- биологически активные вещества зерна сосредоточены в большом количестве по периферии, что способствует их потере в побочные продукты;
- плохо отражается на санитарном состоянии мельницы.
Для обеспечения стабильности технологического процесса производства муки по регламенту каждые два чеса измерияют влажность зерна. Процесс очень трудоемкий, измерение проводится методом термогравиметрическим, точность измерения такого метода – максимальная погрешность составляет всего 0,005–0,5 %. Единственный недостаток – измерение влажности как уже сказано трудоемкий и занимает несколько часов, поэтому для оперативного определения влажности такой метод не приемлем [2]. Следовательно, вопрос выбора влагомера на каждом этапе гидротермической обработки зерна представляет собой одну из актуальных задач.
Материалы и обсуждение
В настоящее время на мукомольных заводах активно внедряется автоматизированное определение влажности зерна в процессе отволаживания. Прибор автоматического определения влажности зерна должен отвечать определеным требованям, а именно:
- конструкция датчика должна включать элементы, которые обеспечивают безопасное перемещение устройства;
- низкочастотный преобразователь должен функционировать в установленном диапазоне температур ( +15 о С +50 о С);
- погрешность измерений не должна превышать ( 0.3–0,5 % н/б );
- обеспечить точные и воспроизводимые результаты измерений для соблюдения требований технической спецификации зерна.
Решение этой задачи требует теоретических и практических исследований для построения и внедрения современных приборов для контроля влажности. В практике основной метрологии отдается предпочтение диэлькометрическим методам, сверхвысокочастотным (СВЧ), высокочастотным (ВЧ) и которые основаны на изучении свойств зерен в высокочастотных электромагнитных полях. При этом диапазон частот для СВЧ – от 5107 до 5,15 ГГц, а для ВЧ варьируется от 5 до 5107 Гц, ддиэлькометрический метод используется в средне и коротковолновом (0,3–30 МГц) диапазонах частот [4].
Данная статья направлена на изучение и анализ проблемы контроля влажности зерна в процессе отволаживания и научных обоснований способа отволаживания в Республике Узбекистан. Чтобы обеспечить в дальнейшем максимальную технологическую и экономическую эффективность переработки зерна в муку и крупу, рекомендуется в мельнице систематически и регулярно оперативно измерять влажность зерна в процессе отволоживания.
Для зерноперерабатывающих предприятий в Республике требуется внедрение более надежных, современных, более эффективных приборов для контроля влажности зерна вместо существующих устройств, а также научно обоснованных способов отволаживания в процессе ГТО с учетом локализованного сырья.
Заключение
В связи с вышесказанным, перед исследователями стоит несколько важных задач, которые необходимо последовательно решить для достижения желаемого результата. Первая задача заключается в тщательном исследовании статического и динамического режимов отволаживания с целью обосновать научным путем, который из этих режимов более приемлем для отволаживания зерна после помолной партии, ориентируясь на качества по ГОСТу локализованых сортов пщеницы.
Вторая ключевая задача – создание высокоточных, надежных, высокочастотных влагомеров для зерна в процессе отволаживания. Этот прибор должен обеспечить достаточно точное предсказание в зависимости от диэлектрических свойств материала и внешних факторов, а также анализа характеристик первичного высокочастотного измерительного преобразователя. Не менее важно изучить функцию влияния, которая описывает, каким образом различные внешние факторы, помимо собственно диэлектрических свойств материала, влияют на показания преобразователя.
В частности, необходимо экспериментально установить зависимость диэлектрических свойств исследуемых материалов, поступающих на мельницу. Эти исследования должны проводиться в широком диапазоне условий, чтобы обеспечить достоверность результатов и адекватное описание функций преобразования и влияния в различных эксплуатационных условиях. Для этого потребуется разработка специальных методик проведения измерений с учетом высокой точности и воспроизводимости результатов. Важно обеспечить контроль и учет всех возможных источников погрешности на каждом этапе процесса гидротермической обработки.
Список литературы:
- Егороа Г.А.Технология муки. Технология крупы. – 4-е изд. – М.: Колос, 2005.
- Жабборов Х.Ш. Сиғимли цилиндирик ўзгартикич асосида дон ва дон махсулотлари намлиг- ини ўлчаш асбоби // Техника фанлари бўйича фалсафа доктори (PhD) диссертацияси. – Т.: 2020. – 110 б.
- Каландаров П.И., Мукимов З.М. Приборы для контроля влажности при гидротермической обработке зерна и продуктов его переработки // Приборы. – 2020. – № 11. – С.16–21.
- Каландаров П. И. Высокочастотный влагомер для измерения влажности зерна и зернопродуктов // Измерительная техника. – 2022. – № 4. – С. 65–71.
- Мукимов З.М. Особенности использования диэлькометрического метода определения влажности зерна в процессе гидротермической обработке // Universum: технические науки. – Вып. 6 (123). – 2024. – Ч. 2. – С. 9–13.
- Электронный ресурс https://russkayaferma.ru/stati/vlazhnost_zerna_metody_izmereniya_analizatory