Candidate of Technical Sciences, Azerbaijan State Oil and Industry University, Azerbaijan, Baku
GENERATOR MODE OF A HYBRID ELECTRIC MACHINE
ABSTRACT
The article analyses the generator mode of a hybrid electric machine, in which hybrid and electric vehicles usually use a starter generator that combines the functions of a starter and an energy generator. An important issue related to the use of HEM is being considered, where the process of switching to generator mode must be investigated with complete accuracy. For a detailed analysis, the HEM power supply circuit is modelled, allowing to obtain the time characteristics of the output voltages and currents of the inverter using the MATLAB platform, compiling them using blocks and elements in the Simulink/SimPowerSystems section. The change in the output voltage of the generator is considered depending on several factors, including changes in the load, including the operation of the voltage regulator.
АННОТАЦИЯ
В статье анализируется генераторный режим гибридной электрической машины, в котором гибридные и электрические транспортные средства обычно используют стартер-генератор, совмещающий функции стартера и генератора энергии. Рассматривается важный вопрос, связанный с использованием ГЭМ, где процесс перехода в генераторный режим должен быть исследован с полной точностью. Для детального анализа моделируется схема питания ГЭМ, позволяющая получить временные характеристики выходных напряжений и токов инвертора с помощью платформы MATLAB, составив их с помощью блоков и элементов в разделе Simulink/SimPowerSystems. Рассматривается изменение выходного напряжения генератора в зависимости от ряда факторов, в том числе изменения нагрузки, в том числе работы регулятора напряжения.
Keywords: generator mode, hybrid electric machine, power supply, output voltages.
Ключевые слова: режим генератора, гибридная электрическая машина, источник питания, выходные напряжения.
Introduction
The generator mode of a hybrid electric machine (HEM) is a device operating mode in which hybrid and electric vehicles usually use a starter generator that combines the functions of a starter and an energy generator [2, 6, 10]. The main functions of HEM:
1. Starting the engine. HEM works like a traditional starter, providing the start of an internal combustion engine (ICE). In startup mode, it consumes energy from the battery to power the internal combustion engine.
2. Power generation. In generator mode, HEM works the other way around, converting the mechanical energy of the rotating crankshaft into electrical energy, charging the battery and providing energy to other vehicle systems. It can generate current that is used to charge the battery of a hybrid car or electric vehicle.
The advantages of the HEM generator mode are as follows:
- High efficiency HEM combines two functions in one device, which reduces the weight and complexity of the system compared to separate starter and generator.
- Increased fuel efficiency - in hybrid and electric vehicles, HEM helps maintain battery power and increases the overall efficiency of the vehicle's power system.
- Energy recovery - during braking, the HEM can operate in recovery mode, converting kinetic energy into electrical energy and returning it to the battery.
Materials and methods
The HEM is used in hybrid cars, in which it can work with an internal combustion engine, as well as in electric vehicles to charge batteries more efficiently.
An example of using HEM is the “soft hybrid system”, in which the HEM not only helps to start the engine, but is also integrated into the energy recovery system during braking, increasing the overall efficiency of the car [1, 3, 4, 9, 10].
The HEM usually works in two directions: it starts the internal combustion engine and when braking or driving, it works as a generator, converting mechanical energy into electrical energy and providing battery power.
Thus, HEM in generator mode plays a key role in hybrid and electric transport systems, increasing their fuel efficiency and operational characteristics due to the efficient use of energy [5].
Results and discussion
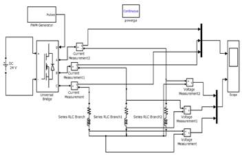
As one of the important issues related to the application of HEM, the process of switching to generator mode must be investigated with complete accuracy. One of the difficulties that arise in this process is the automatic connection of the device to the AC circuit (source) of the on-board electrical network when switching from one mode to another. The anchor coupling, which performs the function of powering the on-board power supply, simultaneously performs the function of switching to the engine operation mode. The diagram of the HEM power circuit (Fig. 1) makes it possible to obtain the time characteristics of the output voltages and currents of the inverter using the MATLAB platform by compiling them through blocks and elements in the Simulink/SimPowerSystems section.
Time characteristics of voltages and currents at the output of the inverter are shown in Fig. 2.
In a four-pole electric machine, two identical types of coils must be added to the anchor circuit, which are connected in parallel in generator mode. The terminals of the converters (converter blocks) are also connected to additional inserted clamps [7, 14]. Rectifiers are connected to the coils of the anchor circuit and one of these circuits is connected to one pair of a four-pole electric machine, and the other to another pair. With this connection, switching to the generator mode is performed in normal mode [4, 8, 9, 11].
/Khanahmedova.files/image001.jpg)
Figure 1. MATLAB/Simulink/SimPowerSystems model of the HEM power circuit
/Khanahmedova.files/image002.jpg)
Figure 2. Time characteristics of voltages and currents at the output of the inverter
It should be borne in mind that the parallel connection of these types of units leads to a decrease in high-frequency vibrations and to the fact that the rotor provides the on-board network with electricity in the required range, even at low frequencies.
At the same time, it is necessary to take into account the range of rotational speeds of the bearing, even in starting and generator modes. The rotation frequency of the HEM armature has the ability to perform a normal operating function in the range n0÷nmax (Fig. 3).
An important issue is the use of a power converter to study the HEM workflow in generator mode. The model of the power converter shown in Fig. 4 is compiled using the functional blocks of the Simulink/simponesystems section.
/Khanahmedova.files/image003.jpg)
Figure 3. The range rotation frequency of the HEM
/Khanahmedova.files/image004.png)
Figure 4. The model of the power converter
The issue of HEM research in generator mode is being investigated both in non-loading operation mode and at rotational speeds, which have different values [3, 6, 12, 14]. To obtain expressions of the rotor rotation frequency in the d-q coordinate system, it is necessary to create the following mathematical model of the system of equations.
/Khanahmedova.files/image005.png)
where: id, iq - stator projections in the coordinate system d-q, ud,uq - stator voltages in the coordinate system d–q, ld, lq -inductance; R - active resistance of the stator, p - number of pairs of poles, wel - electric angular velocity of the rotor, wr - - angular frequency of rotation of the rotor, Yd, Yq –magnetic gearing fluxes (in the coordinate system d-q), Y0 - magnetic gearing fluxes of the stator coil, Mel - electromagnetic moment.
To simulate HEM, in accordance with the process of operation without load in the generator mode [9, 10, 13], the 3-phase smoothed voltage of the generator is calculated according to the formula:
/Khanahmedova.files/image006.png)
where: Ku=Ud/Uf - smoothing coefficient depending on the combination and number of phases (»2.34); Kg=(1 - cosg)/2 - smoothing coefficient, taking into account the switching of rectifiers of the 3-phase smoothing circuit corresponding to the non-boot mode of the generator Kg=1.
The mechanical part of the model is written using the following expressions:
/Khanahmedova.files/image007.png)
where: J - moment of inertia of the rotor and the load, F - coefficient of friction of the rotor and the load, q - position of the rotor angle, Tm - moment of resistance.
The developed models make it possible to study the HEM parameters in the generator mode. The resulting graphs can be used to analyse the work depending on the load change. For example, in Fig.5 an instantaneous (abrupt) change in voltage and current is depicted. Thus, it is possible to analyze the impact of such changes on the sustainable operation of HEM [2, 8.].
When researching the generator mode, it is necessary to pay attention to the output voltage of the HEM. The output voltage of the HEM generator depends on several factors, including:
1. Motor speed (rotor speed). The HEM generator works when the rotor rotates. The higher the rotation speed, the higher the output voltage. This is because the output voltage is proportional to the speed of rotation of the rotor and the magnetic flux.
2. Magnetic flux. The intensity of the magnetic field generated in the generator affects the value of the output voltage. The stronger the magnetic field, the more voltage will be generated.
/Khanahmedova.files/image008.jpg)
/Khanahmedova.files/image009.jpg)
a) b)
Figure 5. Instantaneous (abrupt) change in current (a) and voltage (b)
3. Generator load. When the load increases (the current consumed by the generator), the voltage may decrease slightly if the generator cannot maintain the required power level. It also depends on the design of the HEM generator, voltage regulator, and control system.
4. Operating mode of the HEM generator. During operation, the HEM generator can operate as a starter (when the engine is started at low speed) or as a generator (when the engine is running while generating electricity). In the generator mode, depending on the load, the voltage is regulated by a voltage regulator, which maintains it at a constant level.
5. Operating temperature. Temperature changes can affect the properties of the materials from which the generator elements are made (for example, conductors and magnets). This can affect the resistance of the windings and, ultimately, the output voltage.
6. Voltage regulator. HEM generators are often equipped with voltage regulators that maintain a stable output voltage within an acceptable range. The voltage regulator automatically adjusts the excitation effect (or other parameters) to provide the voltage needed to power the system. Thus, the output voltage of the HEM generator depends on its design, rotation speed, load and other factors, including the operation of the voltage regulator [5, 9, 14].
The characteristic of the HEM output voltage depends on many factors, including the type of vehicle (hybrid, electric car, traditional car), design features and purpose of the device. Depending on the mode, the output voltage will be different.
1. The output voltage when starting the engine is in most cases low-voltage and is within 12 V (for cars with traditional 12-volt batteries) or 48 V (for more modern hybrid cars with mild-hybrid system).
- In this mode, the HEM acts as a regular starter, providing the necessary voltage and current to start the internal combustion engine.
2. The output voltage in the generator mode.
When the HEM operates as a generator, its output voltage varies significantly depending on the crankshaft speed and the operating mode of the car [13]. In this mode, the output voltage is usually high, especially for hybrid and electric vehicles.
In hybrid vehicles with low or medium voltage (for example, 48 V or 60 V), the HEM can output a voltage from 100 V to 200 V, depending on the current RPM and battery condition. In high-voltage systems (for example, in hybrid cars with a voltage system from 200 V to 700 V), HEM can output voltage in the range 100 V to 400 V depending on the operating mode.
When braking or decelerating, HEM can operate in recovery mode, where it converts the kinetic energy of the car into electrical energy. This voltage may vary: when braking, when the starter generator restores electricity, the voltage at its output will depend on the speed of the car and the braking mode. For example, in some hybrid vehicles, recovery can occur at a voltage of 200V - 400V depending on the system.
Factors affecting the output voltage:
- Engine speed: the voltage of the starter generator will vary depending on the speed of the crankshaft. The higher the RPM, the higher the output voltage.
- Battery status: if the battery is charged, the starter generator will operate in a more efficient mode, ensuring a stable output voltage. When the battery is low, the output voltage may be lower.
- Type of system (low-voltage or high-voltage): in low voltage systems (for example, 12V or 48V), HEM operates within these values, whereas in high voltage systems the output voltage can be significantly higher.
The characteristic of the HEM output voltage depends on the type of system, operating mode, and condition of the car. It is important to understand that the starter generator functions as a starter at low voltages (12-48 V), and as a generator - with much higher voltages, usually in the range from 100 V to 400 V in modern hybrid cars.
Conclusion
The article examines the generator mode of a hybrid electric car, in which hybrid and electric machines usually use a starter generator combining the functions of a starter and an energy generator. The main problems related to the use of HEM were considered, where the process of switching to generator mode must be investigated with full accuracy. For a detailed analysis, a HEM power supply circuit has been modeled, which allows to obtain the time characteristics of the output voltages and currents of the inverter using the MATLAB platform, compiling them using blocks and elements in the Simulink/SimPowerSystems section.
The issue of HEM research in generator mode is analyzed both in the no-load mode and at rotational speeds, which have different values. Mathematical models of the system have been created to obtain expressions of the rotor rotation frequency in the d-q coordinate system.
When braking or slowing down, HEM can operate in recovery mode, where it converts the kinetic energy of the car into electrical energy. This voltage may vary: during braking, when the starter generator restores the power supply, the voltage at its output will depend on the speed of the car and the braking mode. The factors affecting the output voltage and the characteristics of the output voltage, which depend on the type of system, operating mode and condition of the car, are considered.
References:
- S.A.Khanahmedova. ”The decision of problems at transition in a generating mode of the starter–generator”, Romania, Proceeding of the International Conference on Electronics, Computers and artifical intelligence ECAI’09 Edited by University of Pitesti, No 2, 2009, www.eccai.org/ecai.shtml.
- S.A. Khanahmedova, S.J. Alimamedova, S.M. Kerimova, “Mathematical modeling of the operation of a three-phase power transformer at low voltage quality”, International Journal on “Technical and Physical Problems of Engineering” Published by International Organization of IOTPE, No4, Vol 14, pp. 225-232, 2022.
- S.A. Khanahmedova, S.C. Shikhaliyeva, S.J. Alimamedova, S.M. Kerimova. ”Some questions in the design of a hybrid electric machine”, International Journal on “Technical and Physical Problems of Engineering” (IJTPE) Published by International Organization of IOTPE, Vol. 15, No 3, September 2023, pp. 45-52.
- S.A. Khanahmedova, A.I. Mamedov. ”Mathematıcal analysıs of the regulated dc motor Of the hybrıd system”. International Journal on “Technical and Physical Problems of Engineering” (IJTPE), Published by International Organization of IOTPE, No4, vol.15 December 2023, pp. 19-24.
- S.A. Khanahmedova, A.I. Mamedov. “Structural design and theoretical studies of operation of a drive hybrid electric machine”, International Journal on “Technical and Physical Problems of Engineering”, vol.16, No1, March 2024, pp. 1-6.
- Kerimzade G.S.“Method for determining the overall dimensions of an induction control support”, PRZEGLAD Elektrotechniczny Publishing house of magazines and technical literature SIGMA-NOT. ISSN 0033-2097, R.100 NR 06/2024.Warszawa. pp.235-237.
- S.A. Khanahmedova “Analysis of mathematical relations in the calculation of dynamic processes of the starter-generator complex", Mechanical engineering technology No1, Moscow, 2015. http://www.ic-tm.ru /info/1_26
- Rzayeva S.V., Ganiyeva N.A., Piriyeva N.M. Modern methods of diagnostics of electric power equipment. The 19th International Conference on “Technical and Physical Problems of Engineering” 31 October 2023 International Organization of IOTPE. Rumıniya. s.105-110.
- Rzayeva S.V., Piriyeva N.M., Guseynova I.A. Analysis of reliability of typical power supply circuits. Reliability: Theory and Applications, RTA, №3 (79) Volume 19, 173-178 September 2024
- I.M.Marufov, N.M.Piriyeva, N.S.Mammadov, Sh. Ismayilova. Calculation of induction levitation vertical axis wind generator-turbine system parameters, levitation and influence loop. Warszawa przegląd elektrotechniczny, R. 100 NR 2/2024 pp.135-139.
- Kerimzade G.S. “Analytical connections of the parameters and sizes of the precision stabilizer of alternating current using the effect of inducial levitation”// 24-IJ TPE Journal, ISSN 2077- 3528,Vol.14, No3. September, 2022,pp.175-184.
- Kerimzade G.S. “Analysis of the methodology for calculation current stabilizer with induction levitation”.// 23-IJ TPE Journal, ISSN 2077-3528 ISSUE 53.Volume 14.Number 4.December, 2022,(Serial № 0053-1404-1222),pp.170-174.
- Kerimzade G.S. “Analytical expressions of the relationship to the calculation of the AC stabilizer with induction levitation”.// 20-IJ TPE Journal, ISSN 2077- 3528 ISSUE 54.Volume 15. No1. March,2023,(Serial № 0054-1501-0323),pp.135-139.
- Н.М. Пириева. Возвращение альтернативной энергии от городского транспортного средства. Технический журнал «Автоматизация. Современные технологии» № 1, Москва 2021 г