д-р филос. технических наук PhD, доцент, Гулистанский государственный университет, Узбекистан, г. Гулистан
КАЧЕСТВЕННАЯ ОЧИСТКА ГРАНАТОВОГО СОКА С ИСПОЛЬЗОВАНИЕМ ЭЛЕКТРОФЛОТАЦИИ
АННОТАЦИЯ
В статье описываются проведенные исследования по качественной очистке гранатового сока с использованием электрофлотации, способ очистки сока, а также результаты проведенного эксперимента и другие результаты, связанные с данным исследованием. В результате проведенных исследований установлено, что метод электрофлотации обеспечивает эффективное орошение гранатового сока. Определены факторы, влияющие на процесс электрофлотации, и найдены их альтернативные значения. Органолептический анализ был проведен с участием научных сотрудников и показал, что электрофлотационная обработка улучшает внешний вид и вкус гранатового сока.
ABSTRACT
The article describes the research conducted on qualitative cleaning of pomegranate juice using electro flotation, method of cleaning juice, also results of conducted experiment and other results related to this research. As a result of the research, it was found that the method of electroflotation provides effective irrigation of pomegranate juice. Factors affecting the electroflocation process were determined and their alternative values were found. Organoleptic analysis was conducted with the participation of scientific staff and showed that electroflotation processing improves the appearance and taste of pomegranate juice.
Ключевые слова: концентрат, электрофлотация, пищевой промышленность, гранатовый сок, катодный электроды, эксперимент, плотность, пастеризации, процесс, флотация.
Keywords: concentrate, electroflotation, food industry, pomegranate juice, cathode electrodes, experiment, density, pasteurization, process, flotation.
Введение. В настоящее время выращивание плодов граната в мире составляет 3,086 млн. тонн. В частности, в 2016 году его было собрано в Индии 900 тыс. тонн, Иране 800, Китае 290, Турции 220, США 200, Пакистане 120, Афганистане 90, Тунисе 85, Азербайджане 82, Сирии 79 и Узбекистане 60 тыс. тонн. Именно поэтому большинство научных исследований направлено на внедрение технологий с целью ускоренного развития переработки гранатового сока, получения сока, концентрата и других ассортиментов.
Создан широкий спектр научных разработок по хранению плодоовощной продукции и внедрению технологий переработки, производства экспортных соков в пищевую промышленность нашей республики и внедрены в производство. В Стратегии действий по дальнейшему развитию Республики Узбекистан были поставлены такие задачи, как «углубление структурных преобразований и глубокое развитие производства аграрной продукции, дальнейшее укрепление продовольственной безопасности страны, расширение производства экологически чистой продукции, увеличение экспортного потенциала аграрного сектора» [1]. В настоящее время актуальны научные исследования, направленные на создание технологий производства экспортной продукции.
В данной работе мы рассмотрим экспериментальный стенд, метод очистки сока и результаты эксперимента и других исследований, проведенных по качественной очистке гранатового сока с использованием электрофлотации.
Результаты и обсуждение. Известно, что при разделении неоднородных жидкостей в промышленности: суспензий, эмульсий производится в основном за счет тендерной или центробежной силы. На основе центробежной силы рассматривается сложное устройство, применяются центрифуги и, в большинстве случаев, процесс очистки.
В пищевой промышленности жидкие продукты считаются гетерогенной системой и структурированы из двух фаз - дисперсионной среды и диспергирующей фазы. Если в жидкой системе имеется прочный контакт между дисперсионной средой и диспергирующей фазой, такие жидкости являются гидрофильными, связующая среда состоит из воды, а ее гидрофильная оболочка окружена водными продуктами. К ним относится пример суспензии крахмала. Если взаимозависимость фазы со средой в системе слабая, их называют гидрофобными системами. Это примеры белковой суспензии, масляной и водной эмульсий.
Если в жидкой фазе выделяются пузырьки газа диспергирующей фазы, то этот процесс называется процессом флотации. В настоящее время разработаны различные методы флотации [2]. Одним из них является электрофлотация, при которой получены положительные результаты во многих областях пищевой промышленности, а также при переработке виноматериалов и других. Поэтому нами были проведены исследования по качественной очистке гранатового сока этим методом.
В экспериментальном исследовании очистки гранатового сока мы рассмотрели экспериментальный электрофляционный стенд и принцип работы.
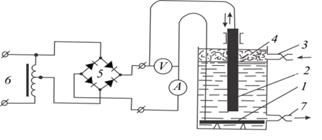
Впервые в Молдове был создан исследовательский стенд для контроля процесса электрофлотации для очистки виноградного сока. В дальнейшем эта конструкция была усовершенствована. Нами был изготовлен экспериментальный стенд на основе этой усовершенствованной принципиальной схемы. Электрофлотационные исследования принципиальная схема лабораторного стенда представлена на рисунке 1.
/Uzaydullaev.files/image001.jpg)
Рисунок 1. Принципиальная схема электрофлотационного устройства
Лабораторный стенд для исследований по электрофлотации в основном состоит из следующего: стеклянной емкости с цилиндрическими электродами (5-катод, 2-анод) емкостью 5 л. в качестве рабочей камеры, источника постоянного тока 5, лабораторного автотрансформатора 6, входящего 3 и выходящего 7 продуктов переработки сока, состоящего из отпарных котлов и отделенной пены 4 и измерительно-регулирующего устройства.
Электрофлотация на стенде осуществляется в периодическом режиме. При ее работе смесь мутного сока помещают в емкость и заполняют, затем подключают к электричеству. Переменный ток подается на анодный и катодный электроды после того, как он станет постоянным. При этом нижний электрод начинает отделяться от катода равномерным газовым пузырьком. Пузырьки движутся из смеси сока, само собой приклеивая висящие остатки в соке и вынося его наверх, тем самым образуя пену из пузырьков, застрявших в коллоидных частицах в верхней части емкости. Время от времени пену, образующуюся из этих пузырьков, удаляют. Процесс продолжается до тех пор, пока сок не очистится, а очищенный сок забирают снизу и наливают в новый сверху до тех пор, пока емкость не заполнится, и процесс продолжается.
При качественном прохождении процесса электрофлотации важно, из какого материала изготовлены электроды. Лучшими электродами являются инертные материалы, которые не плавятся в процессе и не дают всяческих дополнительных реакций сока и т. д. Для таких электродов используют платину, графит и уголь [3].
В эксперименте по очистке гранатового сока методом электрофлотации электрофлотация определена как основная задача определения свойств очистки: влияние силы тока на процесс, влияние размещения электродов в рабочей камере, свойства пенообразования, температура сока в процессе электрофлотации и высота слоя сока.
Для эксперимента был получен пастеризованный гранатовый сок (температура 45-50 0С).
При исследовании влияния мощности электричества было определено ее влияние на скорость электрофлотации граната. При этом мощность тока изменялась от 3,2 до 50 мА/см2. Полученные экспериментальные данные занесены в таблицу 1.
Таблица 1.
Влияние мощности электроэнергии на электрофлотацию
|
№ эксперимента |
Плотность электричества мА/см2 |
Продолжительность проекта, мин. |
Соотношение объемов, % |
||
|
Vs/V0 |
Vv/V0 |
(Vs+Vv)V0 |
|||
|
1 |
2,5 |
32 |
66,7 |
33,3 |
100,0 |
|
2 |
5,0 |
25 |
67,8 |
33,1 |
100,9 |
|
3 |
10 |
17 |
68,2 |
32,6 |
100,8 |
|
4 |
15 |
7,5 |
68,2 |
32,4 |
100,6 |
|
5 |
20 |
7 |
68,2 |
32,4 |
100,6 |
|
6 |
25 |
12 |
69,6 |
31,1 |
100,7 |
|
7 |
30 |
16 |
68,3 |
32,6 |
100,9 |
|
8 |
35 |
18 |
66,4 |
33,7 |
100,1 |
|
9 |
40 |
19 |
70,1 |
30,0 |
100,1 |
|
10 |
45 |
20 |
70,0 |
30,0 |
100,0 |
|
11 |
50 |
21 |
72,0 |
28,6 |
100,6 |
В таблице Vs - объем очищенного сока; Vv - объем пены; V0 - объем очищенного сока.
Результаты, полученные после этого эксперимента, то есть при очистке гранатового сока после пастеризации, связывания плотности винограда, представлены на рисунке 2.
/Uzaydullaev.files/image002.jpg)
Рисунок 2. Изменение пастеризованного сока по скорости электрофлотационной очистки и зависимость от плотности винограда:
1 - гранатовый сок; 2 - виноградный сок, электроплотный, мА/см2.
Приведен также рисунок, то есть результаты, полученные для виноградного сока в Молдавском научно-исследовательском институте пищевых продуктов для сравнительного анализа.
Экспериментальные данные показали, что при очистке гранатового сока скорость электрофлотации увеличивается с 15 до 20 мА/см2 плотности винограда. Это положение подтверждается и в виноградном соке. Только в нем 20-25 мА/см2.
Виноградный сок и гранатовый сок отличаются по количеству, хотя кривая связывания плотности винограда и продолжительности по качеству подобна. Поскольку вязкость гранатового сока мала от вязкости виноградного сока, вязкость виноградного сока в виноградном соке больше, чем в гранатовом.
Таким образом, можно предположить, что оптимальный режим очистки гранатового сока в плотности электричества составляет 15ˑ20 мА/см2. По назначению необходимо указать, что даже при очистке гранатового сока методом электрофлотации образуется 1-1,5 % осадка.
Анализ экспериментальных данных показывает, что при малой плотности электричества (2-5 мА/см2) процесс идет медленно (30 - 34 мин) и в это время сок становится слабо насыщенным газовыми пузырьками. Концентрация газовых пузырьков будет значительно меньше, они начнут двигаться вверх, склеивая нависающие отходы на себе. С ростом плотности электричества в течение времени скорость процесса увеличивается, концентрация газовых пузырьков в соке также увеличивается. С ростом плотности электричества в целом газовые пузырьки сока увеличиваются, поскольку увеличивается уровень насыщения.
В процессе электрофлотации оптимальная величина плотности электричества составляет 15-20 мА/см2 для гранатового сока, в виноградном соке 20-25 мА/см2, газовые пузырьки увеличиваются, и только часть из них добавляется во флотацию, остальные добавляются в пену, которая образуется вверх без зависания частиц. Пена из пузырьков вызывает течение сока в корпус. Пузырьки образуются в виде группы потоков, увеличивая плотность пены и снижая качество флотации.
Увеличение плотности электричества также может образовывать большие пены. Результаты проведенных экспериментов показывают, что с увеличением оптимального количества плотности электричества снижается скорость электрофлотации. Вот почему оптимальный уровень плотности электричества приводит к эффективной работе процесса.
Процесс электрофлотации на экспериментальном стенде отличается: анод внизу и катод наверху, электрод наверху при проверке горизонтально, катод ниже электродов (в горизонтальном положении в форме пластины), а анод находится между чашками в форме вертикального стержня, и это было лучше, чем другие варианты.
То же самое произошло и с результатом эксперимента, плотность электричества при пенообразовании повлияла на структуру пены, а также на ее плотность. Чем выше электрическая плотность, тем больше пены в концентрации пузырьков газа.
Эксперименты по электрофлотации проводились в различных температурных средах от 20 до 500С. Плотность электричества поддерживалась постоянной на уровне 18 мА/см2, что зависело от процесса плотности электричества при проведении сока при высокой температуре с различной плотностью электричества.
Из данных эксперимента было известно, что в процессе электрофлотации существует зависимость между температурой и продолжительностью, повышение температуры может привести к ускорению процесса, а скорость флотации заметно увеличивается при высокой температуре от 5 до 18-20 0С.
Таким образом, плотность электричества в трех проведенных экспериментах составила 30 мА/см2, на слое жидкости на поверхности катода 0,40,80 и 100 см2 характеризуя скорость электрофлотации (таблица 2).
Следовательно, из слоя жидкости, соединенного с катодом (Н=0 см), через 4 минуты всплывут частицы под воздействием в среднем 30 - 40 % электрофлотации. В это время существующий слой жидкости на 20 см над катодом будет близок к 20 %, а слой в жидкости будет меньше всплывшего от 80 см до 11 %. Таким образом, чем выше слой жидкости на катоде, тем ниже процесс электрофлотации.
Из выше проведенных экспериментов можно сделать вывод, что при электрофлотационной очистке пастеризованного гранатового сока начальная концентрация взвешенных частиц в любой момент времени составляет 2,0 - 2,5%, и одинакова с объемом образования агрегатов взвешенных частиц с пузырьками жидкого клея при обработке в аппаратах высотой не более 60 см3.
Таблица 2.
Значения скоростей электрофлотации 0,40,80 и 100 см в слое жидкости в верхней части катода.
|
Номер эксперимент |
Продолжитель-ность процесса, мин. |
Концентрация висящих частицы разной высоты (в %) |
Номер эксперимент |
Продолжитель-ность процесса, мин. 80 см |
Концентрация висящих частицы разной высоты (в %) |
||||||
|
0 |
20 см |
60 см |
70 см |
0 |
20 см |
60 см |
70 см |
||||
|
1 |
0 |
3,3 |
3,3 |
3,3 |
3,3 |
|
8 |
2,2 |
2,2 |
2,8 |
2,8 |
|
4 |
1,8 |
2,5 |
3,0 |
4,0 |
12 |
0,8 |
0,8 |
0,8 |
1,2 |
||
|
8 |
0,8 |
1,6 |
2,5 |
2,8 |
0 |
4,5 |
4,0 |
4,0 |
4,0 |
||
|
12 |
0,8 |
0,8 |
0,8 |
0,8 |
3 |
6 |
3,8 |
3,8 |
4,2 |
4,2 |
|
|
16 |
0,8 |
0,8 |
0,8 |
0,8 |
10 |
3,2 |
3,8 |
3,8 |
3,8 |
||
|
2 |
0 |
3,8 |
3,8 |
3,8 |
3,8 |
14 |
1,9 |
1,9 |
2,2 |
2,2 |
|
|
4 |
2,7 |
3,6 |
3,6 |
4,1 |
18 |
0,9 |
0,9 |
0,9 |
1,3 |
||
Из выше проведенных экспериментов можно сделать вывод, что при электрофлотационной очистке пастеризованного гранатового сока начальная концентрация взвешенных частиц в любой момент времени составляет 2,0 - 2,5%, и совпадает с объемом образования агрегатов взвешенных частиц с пузырьками жидкого клея при обработке в аппаратах высотой не более 60 см3.
При электрофлотационной очистке плотность электричества (1 серия экспериментов) составляет 30 м/см2 и 40 м/см2 (2 серия экспериментов), результаты анализа приведены в таблице 3.
Таблица 3.
Химический состав гранатового сока до электрофлотации (1-2 пробы) и после электрофлотации (3-6 проб).
|
Экспериментальная серия |
Количество образцов |
Высота выбранных образцов, см |
Сухое вещество, % |
Сахар, % |
Титрованная кислота % |
Дубильные и красящие вещества, г/л |
Кислотность, % |
рН |
Fe, мг/ 100 г |
Са мг/ 100 г. |
Витамины, мг %. |
|||
|
Аскорбиновая кислота–С рН 5,0 |
Тиамин–В1, мг% рН 7,5, |
Рибофлавин |
пиридоксин |
|||||||||||
|
1 |
1 |
0 |
21,0 |
18,5 |
1,29 |
1,12 |
1,8 |
3,35 |
0,15 |
0,22 |
12 |
0,22 |
0,15 |
0,4 |
|
2 |
70 |
21,0 |
18,6 |
1,29 |
1,11 |
1,8 |
3,35 |
0,15 |
0,22 |
11 |
0,22 |
0,15 |
0,4 |
|
|
3 |
0 |
21,0 |
183 |
1,29 |
1,12 |
1,8 |
3,35 |
0,14 |
0,21 |
10 |
0,22 |
0,15 |
0,4 |
|
|
4 |
20 |
21,0 |
18,3 |
1,29 |
1,11 |
1,9 |
3,3 |
0,14 |
0,21 |
11 |
0,21 |
0,14 |
0,4 |
|
|
5 |
60 |
21,0 |
18,6 |
1,29 |
1,12 |
1,6 |
3,3 |
0,14 |
0,21 |
10 |
0,21 |
0,15 |
0,4 |
|
|
6 |
70 |
21,0 |
18,3 |
1,29 |
1,08 |
1,6 |
3,3 |
0,15 |
0,22 |
10 |
0,21 |
0,14 |
0,4 |
|
|
2 |
1 |
0 |
18,6 |
16.6 |
1,26 |
1,09 |
1,5 |
3,4 |
0,14 |
0,21 |
9 |
0,21 |
0,13 |
0,3 |
|
2 |
70 |
18,2 |
16,3 |
1,24 |
1,06 |
1,4 |
3,4 |
0,14 |
0,22 |
8 |
0,20 |
0,13 |
0,3 |
|
|
3 |
0 |
18,4 |
16,3 |
1,24 |
1,05 |
1,5 |
3,4 |
0,13 |
0,21 |
8 |
0,19 |
0,14 |
0,3 |
|
|
4 |
20 |
18,4 |
16,3 |
1,25 |
1,05 |
1,3 |
3,4 |
0,14 |
0,21 |
8 |
0,20 |
0,13 |
0,3 |
|
|
5 |
60 |
18,4 |
16,3 |
1,24 |
1,04 |
1,3 |
3,4 |
0,13 |
0,21 |
7 |
0,19 |
0,13 |
0,3 |
|
|
6 |
70 |
18,4 |
16,3 |
1,24 |
1,03 |
1,2 |
3,35 |
0,14 |
0,22 |
8 |
0,20 |
0,14 |
0,3 |
|
Как видно из данных таблицы 3, независимо от высоты полученных образцов, то есть независимо от расстояния слоя сока от электродов, существенных изменений показателей гранатового сока не происходит, несмотря на то, что электрофлотация проводится при высокой плотности тока. В процессе электрофлотации существенных изменений сухих веществ, сахара, титруемых кислот, дубильных и красящих веществ, азотистых аминокислот, железа, меди и окислительных ферментов не происходит.
Заключение. Таким образом, в результате комплексных проверок не обнаружено никаких отрицательных воздействий на процесс электролиза гранатового сока. Объяснить отсутствие такого воздействия можно следующим образом. Во-первых, сок не находится долго (15-20 мин) в электрофлотаторе и осуществляется при воздействии низкой плотности электрического тока порядка 20-40 мА/см2. Во-вторых, изменения, происходящие в результате электролиза, могут происходить не только в жидкости в целом, а только в той ее части, которая непосредственно контактирует с поверхностью электродов, так как электрохимические реакции происходят в месте перекрытия поверхности жидкости и электродов. Отсутствие турбулентных потоков в оборудовании создает условия для того, что основная масса очищаемой жидкости не контактирует с электродами.
В результате исследований установлено, что метод электрофлотации обеспечивает эффективное орошение гранатового сока. Определены факторы, влияющие на процесс электролокации и найдены их альтернативные значения. Органолептический анализ был проведен с участием научных сотрудников и показал, что электрофлотационная обработка улучшает внешний вид и вкус гранатового сока. Практическое и теоретическое изучение процесса электрофлотации в процессе очистки гранатового сока в лабораторных и промышленных условиях методом электрофлотации послужило основой для расширения различных отраслей промышленности.
Список литературы:
- Kurbanov J M and Khodjaeva U R 2012 Electro physical methods of influence on food products of servicing enterprises (Toshkent: Iqtisod-moliya) p 159.
- Rogov I A and Gorbatov A V 1974 Physical methods of processing food products (Мoscow: Food Industry) p 583.
- Matov B M 1986 Flotation in food Industry (Мoscow: Food Industry) p 168.
- Rajabovich, B. N., Nusratillayevich, R. A., Tashpulatovich, K. M., & Komilovich, K. S. (2020). Improvement of the design of mobile equipment for post-harvest processing of agricultural crops. Journal of critical reviews, 7(14), 306-309.
- Solijonov, G., Uzaydullaev, A., Kuzibekov, S., & Jankorazov, А. (2023). The role of standardization in the industry and the analytical methods of product certification. Science and innovation, 2(A3), 144-149.
- Javsurbek, K., Abror, J., Akhmad, N., & Shakir, I. (2023). Requirements for the quality of raw materials processed in the industry. Universum: технические науки, (1-4 (106)), 47-49.
- Sattarov, K., & Jankurazov, A. (2024). Use of food additives in bakery products. НАУКОВІ ГОРИЗОНТИ, 117.
- Nurmukhamedov, A. A., Jankorazov, A. M., Khazratkulov, J. Z., & Tashmuratov, A. N. (2023). Methods of improving the frying process in the production of vegetable oils.
- Nasreddinov D. Modulli texnologiyalar mustaqil faoliyat asosida talabalarda bilim, kо ‘nikmalarni shakllantirish //ta'lim va rivojlanish tahlili onlayn ilmiy jurnali. – 2024. – Т. 4. – №. 4. – С. 14-17.
- Тухтамышова Г.К., Насрединов Д.А., Тухтамышов С.С. и Хайруллаева С.З. (2024). ПРЕДВАРИТЕЛЬНАЯ ОБРАБОТКА ЗЕРНА ПШЕНИЦЫ ПОСЛЕ УБОРКИ УРОЖАЯ. Новости образования: исследование в XXI веке , 3 (28), 6-10.