преподаватель кафедры физической химии, Термезский государственный университет, Республика Узбекистан, г. Термез
СИНТЕЗ НИКЕЛЬСОДЕРЖАЩЕГО ФТАЛОЦИАНИНОВОГО ПИГМЕНТА В ПРИСУТСТВИИ ГЕКСАМЕТИЛЕНДИАМИНА
АННОТАЦИЯ
В данной статье синтезирован фталоцианиновый пигмент, содержащий металлический никель, с использованием местного сырья: хлорида никеля(II), мочевины, серной кислоты, а также гексаметилендиамина 1,6 и фталангидрида. Оптимальное мольное соотношение синтезированных в реакции органических пигментов составило 1:1:3:0,36 1,6-гексаметилендиамина, фталевого ангидрида, мочевины и хлорида никеля(II) соответственно. Практически синтезированный Ni-содержащий пигмент исследован методом инфракрасного спектрального анализа. Согласно ГОСТ 6220-76 вновь синтезированный пигмент рекомендуется в качестве цветной добавки в лакокрасочную продукцию по сравнению с другими импортными пигментами. По ГОСТ 6220-76 сделан вывод, что это импортозамещающий пигмент.
ABSTRACT
In this article, a phthalocyanine pigment containing metallic nickel was synthesized using local raw materials: nickel(II) chloride, urea, sulfuric acid, as well as 1,6-hexamethylenediamine and phthalic anhydride. The optimal molar ratio of the organic pigments synthesized in the reaction was 1:1:3:0.36 of 1,6-hexamethylenediamine, phthalic anhydride, urea and nickel(II) chloride, respectively. The practically synthesized Ni-containing pigment was studied by the method of infrared spectral analysis. According to GOST 6220-76, the newly synthesized pigment is recommended as a color additive to paints and varnishes compared to other imported pigments. According to GOST 6220-76, it is concluded that this is an import-substituting pigment.
Ключевые слова: фталоцианин, краситель, синтез, пигмент, диамин, температура, термогравиметрический, элементный анализ, УФ-Вид ультрафиолетовая спектроскопия, инфракрасный спектроскопический анализ.
Keywords: phthalocyanine, dye, synthesis, pigment, diamine, temperature, thermogravimetric, elemental analysis, UV-Vis ultraviolet spectroscopy, infrared spectroscopic analysis.
Более 90% производимых в мире фталоцианинов (более 80 тыс. тонн в год) используется в качестве пигментов и красителей. Около 40% - в цветных типографиях, 30% - в красках и лаках, 20% - в пластмассах. живые, 10% - используются в других композициях. Производные фталоцианина составляют около 25% синтетических органических пигментов в мире [1].
На основе фталоцианина меди можно приготовить различные фталоцианиновые краски. Применяется как прямой краситель для хлопка, вискозы, полушерсти и шелка, Al2O3 и соль бария в сочетании с фталоцианином применяются как бирюзовый пигмент, в полиграфической и бумажной промышленности, при производстве бумаги. [2]
Фталоцианины являются эффективными катализаторами десульфурации (комплексы с Fe, Co, Mn и др.), окисления органических соединений, некоторых электрохимических процессов восстановления O2 и CO2, окисления SO2 и ряда фотохимических процессов с использованием молекулярных фотокаталитических систем (например, преобразование солнечной энергии). Разветвление структуры фталоцианина лежит в основе термостойких полиэфирных и полиимидных материалов. Водорастворимые производные фталоцианина, способные накапливаться в избирательных опухолях, используются в медицине для фотодиагностики и фототерапии рака [3].
Фталоцианины (Pc) представляют собой стабильные и густоокрашенные макроциклы (синие пигменты) с высокой химической, термической и светостойкостью, что немаловажно. В частности, хорошая эффективность была достигнута за счет использования Pc в качестве поглотителя света, и, что более важно, был разработан ряд синтетических стратегий для технических красителей на основе Pc благодаря синтетической универсальности и надежности этих макроциклов. [4].
Описан синтез новых фталоцианиновых соединений цинка(II), полученных из звеньев 1,2-дифенил-1,2-этандиола. Прекурсоры фталонитрила 3 и 4 синтезированы реакцией 4,5-дихлорофталонитрила с 1,2-дифенил-1,2-этандиолом. Синтез фталоцианина цинка(II) 5 и полимера фталоцианина цинка(II) циклотетрамеризацией соответствующего фталонитрильного производного полимера фталоцианина цинка(II) проводили в присутствии Zn(CH3CO2)2 в пробирке, содержащей хинолин, в атмосфере азота атмосфера. [5].
Разложение реактивного фталоцианинового красителя синего 38 (RB38) было достигнуто с помощью бактерий. Методология поверхности отклика и канонический корреляционный анализ использовались в соответствии с подходом «по одному фактору за раз» для определения оптимальных параметров, влияющих на изменение цвета. В заключение, результаты анализов фитотоксичности подтвердили детоксикацию метаболитов[6].
Полимер фталоцианина кобальта с тетраазомостиком был синтезирован через оксимостик, чтобы расширить его влияние на молекулу фталоцианина. Сначала был получен и охарактеризован лиганд [фенил-1,4-бисдиазенилнафталин-1-окси]бензол-1,2-дикарбонитрил. Модифицированный композитный электрод обладал высокой селективностью и не проявлял интерференционного эффекта даже в присутствии избытка мешающих ионов, таких как Mg2+, SO42−, K+, CO32−, NO3–. [7].
Их полиморфизм имеет большое значение для использования фталоцианиновых красителей. Например, для фталоцианина меди известны α-, β- и γ-модификации, которые существенно различаются по цвету и устойчивости в органических растворителях [8]. Точный цвет пигмента Рс зависит от его кристаллической формы (модификации е и а — красноватые, модификации β и γ — зеленые) и количества и типа атомов галогена (П.Г.7 имеет сине-зеленый цвет, П.Г.36 — желтовато-зеленый). [9].
Опытная часть:
Реакционный процесс, описанный ниже, осуществляется при высокой температуре путем нагревания. Автоклав нагревали до температуры 128-140°С, добавляя в течение 3-4 минут 2 моля мочевины и 1 моль фталевого ангидрида, а также 0,35 моля хлорида никеля(II) и 1 моль 1,6-гексаметилендиамина. добавляют, и реакционную смесь нагревают до температуры 190°С, катализатор, т.е. молибдат аммония, перемешивают, в результате через 5-8 минут получают ту же массу. превращается в темно-синюю жидкость. После этого полученную массу нагревают в течение 30-45 минут при температуре 95-100°С и продолжают перемешивать. После окончания реакции образуется пористая масса голубоватого цвета.
Полученную готовую массу охлаждают до комнатной температуры и тщательно растирают в ступке, к ней медленно добавляют 60 мл (90%) концентрированной серной кислоты. При этом синяя пористая масса растворяется. При этом процессе из смеси выделяется тепло, при этом к растворенной смеси добавляют дистиллированную воду и тщательно перемешивают. При этом процессе через раствор выходят непрореагировавшие исходные соединения и промежуточные продукты реакции. Для нейтрализации раствора его предварительно тщательно промывали в 3% растворе карбоната натрия и дистиллированной воде. После фильтрации нейтрального раствора на воронке Бюхнера полученный пигмент сушат в сушильном шкафу при температуре 85°С в течение 1-1,5 часов. Полученный органический синий пигмент измельчают в фарфоровой ступке до состояния порошка и пропускают через сито.
Анализ результатов:
/Sodiqov.files/image001.jpg)
Рисунок 1. ИК-спектр никельсодержащего пигмента NiPc.
Связи CN: связи CN играют важную роль в структуре фталоцианинов. Пики колебаний этих связей обычно располагаются около 1332 см-1.
Ароматические связи C=C: Ароматические кольца поглощают связи C=C, и это обычно находится в диапазоне 1531 см-1.
Металл-азосвязь: если в спектре присутствует пик около 646 см-1, это указывает на связь между атомом никеля и азосвязью.
/Sodiqov.files/image002.png)
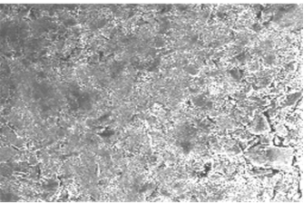
Рисунок 2. Изображение синтезированного образца пигмента NiPc, полученное на сканирующем электронном микроскопе
Сканирующий электронный микроскоп с элементно-дисперсионным анализом (SEM-EDX) - JSM-IT200, при рассмотрении увеличенных изображений образца синтезированного пигмента не обнаружено остатков непрореагировавших первичных и промежуточных веществ и роста кристаллов синтезированного пигмента, что для красок не вызывает дополнительных проблем при использовании.
Таблица 1.
Сличение синтезированного никельсодержащего пигмента гексаметилендиамин-1,6 по ГОСТ 6220-76.
|
№ |
Название указателей |
Индикатор стандартный |
NiPc результат |
|
|
Высокий класс |
Первый сорт |
|||
|
1 |
Красящая способность (концентрация), % |
100 |
100 |
100 |
|
2 |
Чистота цветов |
Подходит для стандартной модели |
Подходит |
|
|
3 |
Массовая доля воды и летучих веществ, %, невелика. |
0,4 |
1,5 |
1,2 |
|
4 |
Массовая доля остатка после мокрого рассева, %, невелика. |
0,1 |
0,8 |
0,6 |
|
5 |
Массовая доля остатка после сухого рассева, %, невелика. |
0 |
0,5 |
0,4 |
|
6 |
Массовая доля водорастворимых веществ, %, невелика. |
0,1 |
1,0 |
1 |
|
7 |
Реакция водного экстракта (pH) |
5,5-7,0 |
5,5-7,0 |
6,5 |
|
8 |
Текучесть печатных красок, мм |
Соответствует испытанию согласно параграфу 4.9. |
Подходит |
|
|
9 |
Разброс, мм: для печатных красок для поливинилхлорида |
4.10 - соответствует критерию пункта |
Подходит |
|
|
10 |
Сопротивление миграции: в резине из поливинилхлорида в нитроцеллюлозном покрытии |
Не мигрирует |
Не мигрирует |
|
|
11 |
Реагенты, связующие, пластификаторы, свето- и атмосферостойкость. |
Подходит для стандартной модели |
Подходит |
|
Заключение: Проведен электронно-сканирующий микросканер (ЭСМ) и инфракрасный спектральный анализ пигментов, синтезированных в присутствии гексаметилендиамина-1,6. Синтезированный пигмент, содержащий никель и гексаметилендиамин-1,6, сравнили и изучили по ГОСТ 6220-76 и рекомендовали в красители. В процессе синтеза было рекомендовано использовать местное сырье с учетом энерго- и ресурсосбережения.
Список литературы:
- Pavithra K. G. et al. Removal of colorants from wastewater: A review on sources and treatment strategies //Journal of Industrial and Engineering Chemistry. – 2019. – Т. 75. – С. 1-19.
- Ахмадуллина Д. Р. и др. Обнаружение флюорохрома для безопасного и эффективного исползования при флюоресцентной навигatsiи и фотодинамической терапии опухолей сердца //Молодой ученый. – 2021. – №. 35. – С. 27-34.
- Степанян А. А. и др. Фталоцианиновые пигменты //Вісник східноукраїнского націоналного університету імені Володимира Даля. – 2014. – №. 9. – С. 39-49.
- Maxence Urbani, Maria-Eleni Ragoussi, Mohammad Khaja Nazeeruddin, Tomás Torres, Phthalocyanines for dye-sensitized solar cells Coordination Chemistry Reviews, Volume 381, 2019, Pages 1-64, ISSN 0010-8545, https://doi.org/10.1016/j.ccr.2023.10.007.
- Yaşar Gök, Halil Zeki Gök, Synthesis, characterization and spectral properties of novel zinc phthalocyanines derived from C2 symmetric diol, Journal of Molecular Structure, Volume 1067, 2014, Pages 169-176, ISSN 0022-2860, https://doi.org/10.1016/j.molstruc.2014.03.037.
- Madhava Anil Kumar, Puvathankandy Acharath Zamana, Vaidyanathan Vinoth Kumar, Palanichamy Baskaralingam, Kadathur Varathachary Thiruvengadaravi, Thanarasu Amudha, Subramanian Sivanesan, Achromobacter xylosoxidans strain APZ for phthalocyanine dye degradation: Chemo-metric optimization and canonical correlation analyses, Journal of Water Process Engineering, Volume 18, 2017, Pages 73-82, ISSN 2214-7144, https://doi.org/10.1016/j.jwpe.2017.06.005.
- Shambhulinga Aralekallu, Imadadulla Mohammed, Nemakal Manjunatha, Manjunatha Palanna, Dhanjai, Lokesh Koodlur Sannegowda, Synthesis of novel azo group substituted polymeric phthalocyanine for amperometric sensing of itrite, Sensors and Actuators B: Chemical, Volume 282, 2019, Pages 417-425, ISSN 0925-4005, https://doi.org/10.1016/j.snb.2023.11.093.
- Файзиев Ж. Б. и др. Термический анализ сулфированного фталоцианина меди //Universum: химия и биология. – 2022. – №. 10-2 (100). – С. 41-44.
- Wehner M. et al. Supramolecular polymorphism in one-dimensional self-assembly by kinetic pathway control //Journal of the American Chemical Society. – 2019. – Т. 141. – №. 14. – С. 6092-6107.