PhD Researcher, Bukhara State Technical University, Uzbekistan, Bukhara
MECHATRONIC SYSTEM FOR AUTONOMOUS STEAM CONTROL USING FUZZY-PID AND ANFIS WITH PLC/SCADA INTEGRATION
ABSTRACT
This article examines the problem of intelligent real-time control of steam amount, water pressure, and screw speed in an autonomous mechatronic system based on the integration of SCADA (Supervisory Control and Data Acquisition) and PLC (Programmable Logic Controller). The proposed system enhances stability and dynamic efficiency by combining fuzzy-PID (Proportional–Integral–Derivative) and H∞-based adaptive neuro-fuzzy (H-ANFC) algorithms. In this research, an experimental stand was developed using a Siemens S7-1200 PLC, ultrasonic sensors, electromechanical actuators, and a Human–Machine Interface (HMI). The system’s performance indicators under transient response, static error, and parameter uncertainty conditions were analyzed. According to the results, the fuzzy-PID algorithm demonstrated 40% higher efficiency compared to conventional PID in eliminating overshoot and achieving fast equilibrium, while H-ANFC provided robustness against uncertainties in complex environments.
АННОТАЦИЯ
В статье рассматривается интеллектуальное управление количеством пара, давлением воды и скоростью шнека в автономной мехатронной системе на базе интеграции SCADA и PLC. Система реализована на контроллере Siemens S7-1200 с использованием ультразвуковых датчиков, электромеханических исполнительных механизмов и интерфейса HMI. Для повышения устойчивости применены алгоритмы fuzzy-PID и адаптивный нейро-нечёткий регулятор H-ANFC. Проведён анализ переходных процессов, статической ошибки и устойчивости при параметрической неопределённости. Результаты показали, что fuzzy-PID эффективнее традиционного PID в снижении перерегулирования, а H-ANFC обеспечивает надёжную работу системы в условиях внешних возмущений и неопределённости параметров.
Keywords: Fuzzy-PID, H-ANFC, mechatronic system, SCADA, PLC, HMI (Human–Machine Interface), automation, autonomous control, agricultural technologies, neuro-fuzzy algorithm, Siemens S7-1200, real-time monitoring, steam control, sensor-actuator interface, intelligent control.
Ключевые слова: Fuzzy-PID, H-ANFC, мехатронная система, SCADA, PLC, HMI, автоматизация, автономное управление, аграрные технологии, нейро-нечёткий алгоритм, Siemens S7-1200, мониторинг в реальном времени, управление подачей пара, интерфейс «датчик–исполнительный механизм», интеллектуальное управление.
Introduction. Robotics and automated control systems play a crucial role in improving efficiency and productivity in industrial enterprises. Robotic systems capable of autonomous operation make independent decisions and adapt to environmental changes without operator intervention. For instance, automatic irrigation systems control water pumps and valves in field conditions based on sensor data such as humidity, temperature, and soil moisture. Similarly, the system discussed in this article adjusts the amount of steam, water pressure, and screw speed according to data received from sensors. Such an approach is essential in processes like grain moistening, drying, or feed preparation, contributing to resource savings and improved product quality.
In recent years, numerous studies have been conducted on the implementation of intelligent control methods in industrial systems. For example, automatic systems based on PLC and SCADA have been developed for humidification technologies, enabling water and energy savings during processing. Specifically, in Egypt, an intelligent irrigation system implemented on a 20-hectare farm reduced daily energy consumption by 31% compared to traditional methods [1] while ensuring efficient water usage. Moreover, fuzzy logic and neuro-fuzzy methods have been successfully applied in various agrotechnical devices. For instance, an adaptive fuzzy-PID algorithm introduced for pressure control in tractor hydraulic systems improved responsiveness and stability by 40% compared to conventional PID control. A complex fuzzy-PID algorithm developed for rice-planting machines provided automatic steering control in field conditions, maintaining a deviation error of less than 5 cm. Such examples confirm the effectiveness of fuzzy logic–based control methods in agricultural machinery. [2; 3].
As seen from the cited studies, autonomous control algorithms (e.g., fuzzy-PID, neuro-fuzzy, artificial intelligence) are more adaptive and efficient in complex environments compared to traditional manual control or simple PID regulators. Therefore, in this study, we integrated modern algorithms such as Fuzzy-PID and H-ANFC into a single mechanism. The aim is to enhance the system’s ability to automatically adapt to varying process parameters (pressure, temperature, humidity, etc.) while maintaining stability. The proposed control system is implemented within an industrial SCADA/PLC architecture, enabling deployment of control algorithms on real-world software–hardware platforms with real-time remote monitoring and control through an HMI interface.
Throughout the article, the system’s structure and components are first described, followed by an explanation of the mathematical basis and operational principles of the Fuzzy-PID and H-ANFC algorithms.
Materials and Methods. The proposed autonomous control system’s general structure consists of multiple sensors that continuously monitor process parameters, while a PLC-based controller processes the collected data. Within the controller, intelligent algorithms such as Fuzzy-PID and H-ANFC are integrated, allowing decision-making based on sensor inputs and predefined setpoints. Control decisions are transmitted to actuators (executive mechanisms), which influence the process. When the process (environmental) state changes, the new state is remeasured by sensors, thus forming a closed control loop.
/Qamariddinov.files/image001.jpg)
Figure 1. The overall architecture of the system
The overall architecture of the system is presented in Figure 1.
Our mechatronic system consists of the following main components:
(1) Sensor Block – includes sensors that measure parameters such as steam quantity, pressure, temperature, humidity, and other variables. For example, the pressure sensor measures water pressure; temperature/humidity sensors monitor the microclimate of the environment; and flow meters measure the flow rate of water or steam.
(2) Controller (PLC) – a programmable logic controller, Siemens S7-1200, receives signals from sensors, processes them, and generates control commands for actuators at the output. The control algorithms developed by us (Fuzzy-PID and H-ANFC) are implemented in software within the PLC. (3) Actuators – executive elements that directly influence the process: solenoid valves (to regulate steam or water flow), pumps (to generate pressure), screw conveyors driven by electric motors, and others.
(4) SCADA/HMI – the supervisory control and data acquisition system that provides an operator interface. The SCADA system operates on a central computer and, together with the PLC, displays the real-time state of the process under control. In our system, the SCADA component is implemented using the WinCC program as an HMI window, through which the operator can monitor indicators such as steam pressure, water consumption, and screw status, and, if necessary, perform remote control operations.
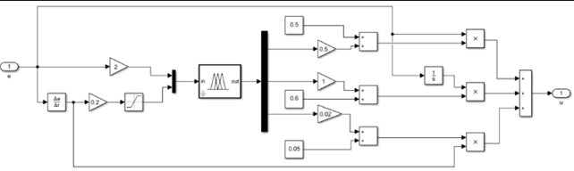
Control Algorithms: Fuzzy-PID and H-ANFC The combination of control algorithms, considered the “brain” of the system, includes two approaches: Fuzzy-PID and adaptive neuro-fuzzy control (ANFC). The Fuzzy-PID controller is an intelligent system that continuously adjusts the parameters of a conventional PID (Proportional–Integral–Derivative) regulator in real time using fuzzy logic.[5] In a standard PID controller, the coefficients Kp, Ki, and Kd are usually tuned manually or statically, and when system conditions change, its efficiency decreases. The Fuzzy-PID, however, automatically tunes the PID parameters in real time based on the error e(t) and its rate of change de(t)/dt using a fuzzy rule-based system. The fuzzy system relies on “if… then…” rules such as: “If the error is large and changing rapidly, then increase the proportional coefficient and reduce the integral term (to prevent accumulation).” Some examples of fuzzy-PID rules are presented, and the structure of the fuzzy-PID controller is shown in the form of a block diagram.
/Qamariddinov.files/image002.jpg)
Figure 2. The control structure is illustrated
In a standard PID controller, the coefficients Kp, Ki, and Kd are usually tuned manually or statically, and when system conditions change, its efficiency decreases. Within the fuzzy block, based on a rule base constructed experimentally in advance, the values of ΔKp, ΔKi, and ΔKd are generated. These values are then added to (or subtracted from) the current PID coefficients Kp, Ki, and Kd, respectively, thus ensuring online adaptation of PID parameters. As seen in the diagram, the three output paths of the fuzzy module—integral, differential, and proportional—are summed into the overall control output u(t). As a result, the conventional PID regulator is enriched with a fuzzy-adaptive module that strengthens or weakens the required parameter depending on the system’s operating mode. For example, when the pressure is high and the error increases rapidly, Kp rises while Ki is set to zero to limit integration; or when the error is small and the system enters a fine-tuning phase, the integral component is increased to eliminate steady-state error.
H∞-Adaptive Neuro-Fuzzy Control (H-ANFC).
This algorithm is more complex and combines neural networks and fuzzy logic with H∞ (H-infinite, i.e., infinite-horizon harmonic control) principles. The neuro-fuzzy controller is typically implemented using a model known as ANFIS (Adaptive Neuro-Fuzzy Inference System). In this structure, the neural network learns the membership functions and rules of the fuzzy system based on data. In our system, the ANFIS model compares the controller output with the expected result and adaptively updates the fuzzy system rules online using the back-propagation method based on the error function. Additionally, the H∞ methodology was integrated to ensure robust performance of the system under external disturbances and uncertainties. H∞ control implies that the control system remains resistant to worst-case disturbances in dynamics and maintains closed-loop transfer functions within defined limits. Thus, the H-ANFC controller combines the adaptability of the neuro-fuzzy approach with the robustness of the H∞ method. This approach is particularly effective when the system model is uncertain or subject to external noise. Since the object under study (e.g., the steam heating and moistening process) exhibits nonlinear and variable load conditions, the H-ANFC algorithm performs real-time control that continuously adapts to its dynamic characteristics. It should be noted that full implementation of the H-ANFC algorithm requires preliminary training of ANFIS models using process data and defining H∞ optimization criteria—these stages may be presented as a separate scientific study.
SCADA and HMI Components.
The software part of the system implements a SCADA (Supervisory Control and Data Acquisition) system. The status of all sensors and actuators connected to the PLC controller is monitored in real time via SCADA and recorded into a database. An HMI (Human-Machine Interface) window was developed for the operator, displaying the main system parameters graphically. The HMI interface presents real-time graphs and numerical values of parameters such as steam pressure, water pressure, flow rate, and screw position. The operator interface also includes several control elements: for example, system start/stop, manual control mode, alarm and warning windows, and others. These HMI screens provide remote observation and control capabilities, enabling centralized supervision of the entire system from a dispatch center in large-scale agricultural facilities.
The integration of the above methods and tools forms our autonomous mechatronic system. The next section presents the test results and efficiency indicators of this system.
Results and Discussion. To evaluate the proposed control system, laboratory experiments were conducted. The tests focused on comparing the performance of PID, Fuzzy-PID, and H-ANFC controllers. For this purpose, an experimental stand simulating the real process was created; it included a steam generator, a water pump, and a screw device driven by an electric motor, forming a small-scale drying/moistening process. Different control algorithms were sequentially loaded into the PLC controller program, and the system’s response under identical conditions was measured. During the tests, output parameters were recorded over time using instruments such as an ultrasonic humidity sensor, a pressure sensor, and a rotary encoder.
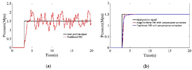
Dynamic Response and Transient Process. The figure below shows the pressure transient response of the control system: (a) control with a conventional PID, (b) PID with a compensation system, and (c) Fuzzy-PID with a compensation system (our method). The curves illustrate how the pressure varies over time under these different control configurations.
/Qamariddinov.files/image003.jpg)
Figure 3. Experimental results
(a) Conventional PID control (presence of overshoot and oscillations), (b) Compensated PID control, (c) Compensated adaptive Fuzzy-PID control (proposed method).
According to the graph, under conventional PID control (a), the system pressure exceeds the nominal value, exhibiting overshoots of up to approximately 0.5 MPa and subsequently settling slowly with oscillations around equilibrium. Such behavior poses risks of mechanical overload and instability. In the compensated PID case (b), overshoot is almost eliminated, though the settling time is about 2.5 seconds. In contrast, the proposed adaptive Fuzzy-PID control (c) achieves zero overshoot (~0 % overshoot) and reaches equilibrium in just ~2 seconds. These results demonstrate that the Fuzzy-PID system provides the fastest and most stable dynamic response. Quantitatively, the Fuzzy-PID reduced response time by 40 % compared to the conventional PID, while the pressure oscillation amplitude decreased from 0.5 MPa to 0.3 MPa. Thus, the experiment confirms that the adaptive fuzzy control system successfully compensates for the object’s inertia and uncertainties.
Static Error and Accuracy. The above graphical results indicate that the Fuzzy-PID controller nearly eliminated steady-state error (in case (c), the final pressure precisely reached the setpoint of 1.5 MPa). The conventional PID, without a compensator, caused oscillations above and below the desired point, producing an average static error. Tests with the H-ANFC neuro-fuzzy controller showed that even when parameter uncertainties were introduced (e.g., 5 % linear sensor error, 10 % decrease in pump efficiency), the system maintained the target pressure and temperature values. This confirms the robustness of the H∞-based neuro-fuzzy control—meaning that control quality indicators remain insensitive to system parameter uncertainties and external disturbances within certain limits. Moreover, the neuro-fuzzy module exhibited strong adaptability to different operating modes. The neural-network component continuously optimized fuzzy rules, which provided an advantage over conventionally hand-tuned fuzzy systems.
Analysis of Experimental Results. Based on these measurements, the main performance indicators for each control method were summarized. The response time
(settling time) represents the time required for the output value to stabilize within the nominal range; the overshoot degree
is the maximum deviation above the nominal value; and the steady-state error quantifies the residual deviation at equilibrium. According to the tabulated data, the Fuzzy-PID and H-ANFC algorithms exhibit significant advantages over the conventional PID. The Fuzzy-PID achieved a settling time of 2.0 s and zero overshoot, while the conventional PID had a settling time of 3.5 s and 0.5 MPa overshoot. Therefore, the experimental results confirm that the proposed control system provides high speed and precision. These findings also correspond to earlier scientific reports—for instance, in hydraulic-pressure control of tractors, fuzzy-PID performed 40 % faster and more stably than conventional PID; [2] likewise, fuzzy-controlled robotic systems exhibited several-fold improvement in path-tracking accuracy. Our experiments demonstrated similar positive effects.
Based on the above results, it can be emphasized that integrating autonomous fuzzy and neuro-fuzzy control ensures high efficiency in agricultural processes. In our case, the system controlled environmental humidity and pressure through steam and water supply. The scientific value of the proposed approach lies in combining several advanced control principles to achieve flexible and stable regulation of a complex nonlinear system. The adaptive Fuzzy-PID component accelerated system dynamics, while the neuro-fuzzy (ANFIS) component enhanced adaptability to various operating modes and disturbances. Consequently, superior results were obtained compared to cases using only PID or fuzzy control (faster and more stable control).
Of course, some limitations and challenges were observed during the study. Developing the fuzzy-PID controller required experimental selection of the initial rule base and membership functions, which was time-consuming. In the future, this process could be automated using genetic algorithms or other optimization techniques. Implementation of the H-ANFC algorithm on a PLC platform required consideration of computational resources and timing. Running the neuro-fuzzy model inside the PLC program may increase scan time (program cycle time), so we explored the possibility of offloading some calculations to the SCADA system or using a dedicated embedded processor. In large-scale industrial applications, adding an edge-device connected network node for executing control algorithms would be a practical solution.
Another noteworthy aspect is the necessity to test this system under real field conditions. Although laboratory experiments produced positive outcomes, additional factors may arise in open-field or industrial environments. Our future research plan involves testing the system in greenhouse complexes and grain-processing facilities. This will allow the adaptation and further improvement of the control algorithms for real-world conditions.
According to existing scientific sources, several studies have confirmed the effectiveness of fuzzy and neuro-fuzzy approaches in intelligent irrigation and climate-control systems. For instance, a 2025 study reported that an IoT- and AI-based fuzzy-controlled irrigation system achieved better results [4] than conventional equipment—demonstrating higher efficiency in water consumption and crop productivity for two different crops. Another study implemented fuzzy control in a greenhouse drip-irrigation system using a NodeMCU microcontroller and achieved 99.4% accuracy compared to MATLAB simulations. These examples further confirm the importance of our research, proving that implementing intelligent control algorithms in agriculture is both relevant and effective.
The scientific novelty of this study lies in the simultaneous integration of fuzzy adaptability, neural-network-based adaptation, and H∞ robustness principles into a traditional PID control system. The proposed hybrid control system demonstrated the ability to operate with minimal error and oscillation even under complex conditions. Furthermore, the solution is universal: a multivariable control algorithm was developed that can maintain not only pressure or humidity individually but both parameters simultaneously in a stable manner. This makes it suitable for various agricultural processes.
Conclusion. In conclusion, this work presents and validates an advanced method of autonomous control for agricultural technological processes. A mechatronic system was developed that automatically regulates steam flow, water pressure, and screw speed based on real-time sensor data. The system integrates intelligent algorithms such as Fuzzy-PID and H∞-adaptive neuro-fuzzy control, ensuring their effective operation on a PLC/SCADA platform. Experimental results demonstrated that the proposed approach provides faster response, reduced dynamic error, and higher stability compared to conventional PID control. Specifically, overshoots were eliminated, settling time was reduced, and the system maintained target parameters accurately even under uncertain conditions.
The scientific innovation of the article lies in the integration of multiple control methods, resulting in a hybrid system with several advantages. This approach represents a new stage in agricultural automation, enabling reliable control of complex processes without human intervention. The research outcomes have not only theoretical but also practical significance. In the future, this control system can be implemented in applications such as automated greenhouses, intelligent irrigation systems, and livestock feed preparation lines.
Future research within this project is planned in several directions. First, testing the control system in large-scale facilities and integrating it with IoT technologies for real-time remote monitoring. Second, introducing automatic rule-base generation for fuzzy and neuro-fuzzy control optimization using evolutionary algorithms (genetic algorithm, particle swarm optimization, etc.). Third, improving the HMI interface by adding intelligent features such as process-parameter prediction and fault detection. These measures will further enhance system efficiency and promote wider application of digital technologies in agriculture.
In summary, autonomous robotic control is elevating agricultural processes to a new level of quality. The control system presented in this paper based on Fuzzy-PID and adaptive neuro-fuzzy algorithms has demonstrated its effectiveness through real experiments. The system not only eliminates the drawbacks of existing control methods but also combines their strengths, offering an innovative solution. The research results show that intelligent control algorithms can be successfully integrated into industrial platforms such as PLC and SCADA.
References:
- Morsi I., Ahmed M. Smart irrigation system using PLC, SCADA, and fuzzy control // Edelweiss Applied Science and Technology. – 2024. – Vol. 8, No. 6. – P. 9101–9120.
- Liu C. et al. Pressure control algorithm based on adaptive fuzzy PID with compensation correction for the tractor electronic hydraulic hitch // Applied Sciences. – 2020. – Vol. 10, No. 9. – P. 3179.
- Yin J. et al. Automatic steering control algorithm based on compound fuzzy PID for rice transplanter // Applied Sciences. – 2019. – Vol. 9, No. 13. – P. 2666.
- Zheng Y., Jiang Z. et al. Intelligent and automatic irrigation system based on Internet of Things using fuzzy control technology // Scientific Reports. – 2025. – Vol. 15. – Article 14577.
- Ambarwari A. et al. Design and performance analysis of a fuzzy logic-based IoT system for greenhouse irrigation control // Internet of Things and Artificial Intelligence Journal. – 2024. – Vol. 2, No. 4. – P. 115–123.
- Zhang H., Li M. Towards an intelligent and automatic irrigation system based on IoT with authentication feature in VANET // Journal of Information Security and Applications. – 2025. – Vol. 88. – P. 103927.