Master, Academy of Military Science and Technology, Vietnam, Hanoi
STUDY OF THE ALTITUDE STABILITY CONTROL LOOP OF AUTOMATED STEERING SYSTEM HELICOPTER IN HANGING MODE CHANGING LOADS
ABSTRACT
This paper presents a survey and evaluation of the characteristics of the altitude stabilization control loop in a helicopter's autopilot system under hovering conditions when subjected to load-induced disturbances. The objective is to analyze the system's stability and responsiveness under real-world conditions where the weight acting on the helicopter varies, directly affecting lift and dynamic balance. Based on a nonlinear helicopter dynamic model, the study linearizes the system around the hovering operating point to construct the altitude control loop diagram. Simulation results using Simulink/Matlab software show that the designed control loop is capable of maintaining stable altitude when the load changes within acceptable limits. This result contributes to the improvement of helicopter autopilot systems, especially in hovering or precision landing missions.
АННОТАЦИЯ
В данной статье представлен обзор и оценка характеристик контура управления стабилизацией высоты в системе автопилота вертолета в режиме зависания при воздействии возмущений, вызванных нагрузкой. Цель состоит в анализе устойчивости и отзывчивости системы в реальных условиях, где вес, действующий на вертолет, изменяется, напрямую влияя на подъемную силу и динамическое равновесие. На основе нелинейной динамической модели вертолета в исследовании проводится линеаризация системы вокруг рабочей точки режима зависания для построения диаграммы контура управления высотой. Результаты моделирования с использованием программного обеспечения Simulink/Matlab показывают, что разработанный контур управления способен поддерживать стабильную высоту при изменении нагрузки в допустимых пределах. Этот результат способствует совершенствованию систем автопилота вертолетов, особенно в режимах зависания или точной посадки.
Keywords: Helicopter, Automated steering system, Hanging mode, Changing loads.
Ключевые слова: Вертолёт, Автоматизированная система управления, Зависания режим, Изменение нагрузки.
Introduction
In modern flight systems, helicopters are highly maneuverable vehicles capable of vertical take-off and landing, hovering, and operating in confined spaces - features superior to fixed-wing aircraft. However, the complex structural and aerodynamic characteristics of helicopters make control and flight stability much more difficult. Maintaining a stable altitude while hovering is a particularly important control problem, as the helicopter must constantly adjust its lift to balance its weight and the effects of external disturbances.
In practice, one of the most common and impactful forms of disturbance to the system is load variation - which can be due to carrying additional equipment, changes in fuel volume, or during rescue or cargo transport operations. This variation alters the lift-gravity balance, thereby causing height deviations and affecting the overall stability of the automatic control system.
Studying the altitude stabilization control loop under conditions of load-varying disturbances is essential to evaluate the adaptability, sustainability, and response quality of the helicopter's autopilot system. Based on the kinematic and aerodynamic models of the suspension regime, this study analyzes, constructs, and simulates the control loop to investigate the effects of disturbances and propose solutions to improve disturbance resistance and reduce altitude deviations.
Construction of the transfer function of the altitude stabilization control loop in the helicopter autopilot system in hover mode under the influence of disturbances caused by the load
When considering external forces acting on a helicopter, we disregard the aerodynamic forces of the helicopter body and the total aerodynamic force of the rotor blades acting on the axis of rotation; we only consider aerodynamic forces whose direction coincides with the vertical axis
of the intermediate coordinate system attached to the helicopter. In that case, the gravitational force G acting on the helicopter and the aerodynamic force T of the rotor blades in this flight mode are in opposite directions.
/Hoang.files/image002.png)
Figure 1. Diagram of forces acting on the helicopter in hover mode
G - Helicopter weight;
- Vertical thrust of the main rotor;
- Tail rotor reaction moment;
- Tail rotor thrust;
- Distance from the tail rotor to the helicopter's center of gravity .
We have the equation of motion for the helicopter in the vertical direction :
(1)
Let's assume the helicopter is suspended in windless conditions and the thrust of the rotor blades creates no moment relative to the helicopter's center of gravity. This simplifies the study of the suspension regime. From this, we can deduce the equation of motion for the helicopter in the suspended regime as follows:
(2)
(3)
Equation (2) ensures the condition of constant altitude. Equation (3) ensures that the helicopter does not rotate relative to the vertical axis when suspended. Here we are only interested in the change of load so we assume that moment balance is maintained during the investigation. So we only consider the vertical pull force of the main rotor
. The pull force of the rotor is determined similarly to the lift force of the rotor according to formula [1,2]:
(4)
Where:
- Traction coefficient;
- Surface area of rotation [m² ] ;
-Air density [kg/m³ ] ; -
Angular velocity of the rotating blade [m]; R - Radius of the rotating blade [m].
According to formula (2), the required pulling force when hanging is the pulling force needed to balance the gravitational force, i.e.
= G.
(5)
When there is disturbance, the load changes , meaning G will change by an amount ΔG. To keep the helicopter balanced in its initial position, the drag force...
We also need to change the amount Δ
so that:
(6)
That is,
they are
in the same direction, opposite in sense, and have the same magnitude.
We have:
(7)
In formula (7), the drag coefficient
is a function of the angle of rotation of the rotor blade and the air density
, however, here we assume
it is constant, so we have:
. The coefficient
depends on the angle of rotation φ and can be expressed by the characteristic curve. With different types of helicopters, we have different characteristic curves. Thus, for each value of the angle of rotation φ, we determine a
corresponding value (Figure 2).
/Hoang.files/image021.png)
Figure 2. Characteristic curve showing the dependence of the thrust coefficient on the angle of application
In an equivalent sense, we can consider the load disturbance
acting on the helicopter as equivalent to changing the angle of rotation of the rotor blades by a single,
simultaneous amount.
Substituting
into equation (8) we have:
(8)
Since the pulling force balances the gravitational force, we have:
(9)
Let the dependence coefficient
be
.
Where
is the equivalent setting angle caused by load variation disturbance
.
(10)
From that, we have the helicopter transmission function when only considering load variation disturbances:
(11)
Thus, we have the function for stable altitude transfer in helicopter hover mode when subjected to load-changing disturbances.
(12)
From formula (12) we have the height control structure diagram when changing load:
/Hoang.files/image036.png)
Figure 3. Structural diagram of height control when load distribution changes
Thus, the helicopter's transfer function as a function of altitude when the load changes is an amplifier connected in series with an inertial element and an integrator.
Study of the altitude stabilization circuit in the hovering mode of a helicopter under the influence of changing loads
1. The case when there is no impact of changing loads
Control law:
(13)
In there:
- Main rotor pitch angle ;
- Height-dependent steering coefficient; k - The transmission coefficient of the angle of inclination according to the common pitch of the rotating blade; ΔH = H - Hct - Instantaneous height deviation from a given height.
We have the following structural diagram of the height stabilization loop of the system when there is no load-changing disturbance [3,4 ]:
/Hoang.files/image040.png)
Figure 4. Schematic diagram of the altitude stabilization circuit structure of the helicopter when there is no impact of changing loads
Table 1 contains the values of the parameters needed to conduct the survey [3,4].
Table 1.
The values of the parameters needed to conduct the survey
|
V [km/h] |
μ |
|
|
|
|
|
0 |
0 |
64.3 |
-0.226 |
284.51 |
4,425 |
In the case where there is no interference, from the diagram in Figure 4, we can build a simulation diagram on Matlab-Simulink (Figure 5) [5].
/Hoang.files/image045.png)
Figure 5. Simulation diagram of the height stabilization loop when there is no impact of changing loads in Simulink/Matlab
The survey results are shown in Figure 6 and Table 2.
/Hoang.files/image046.png)
Figure 6. Graph of the altitude stabilization loop when there is no impact of changing loads
Table 2.
Survey Results
|
Steady-state error St |
Transition time: tqđ, s |
Overshoot δ, % |
|
0 |
21.7 |
15.5 |
Analyzing the survey results in Table 2, we see that the quality of the altitude stabilization loop of the helicopter's autopilot system in hover mode without load changes is stable.
2. The case when there is impact of changing loads
For convenience in calculation and analysis, we consider two cases : the case of dropping the heavy object (reducing the load) and the case of suspending the heavy object (increasing the load).
In both cases of load reduction and load increase, we consider the following changes in value : Δm = 30kg; Δm = 50kg; Δm = 150kg
Based on the assumption of mass change, we proceed to calculate the aerodynamic parameters as shown in Table 3:
Table 3.
Aerodynamic parameters
|
Δm [ kg ] |
30 |
50 |
100 |
150 |
|
Parameter |
||||
|
|
300 |
500 |
1000 |
1500 |
|
|
1212.45 |
1234.6 |
1303.68 |
1356.82 |
|
|
1/9355082.63 |
1/9355082.63 |
1/9355082.63 |
1/9355082.63 |
In the event of a change in load, a force will directly affect the overall pitch or angle φHB of the main rotor blades of the helicopter. The overall pitch deviation angle of the main rotor blades caused by load change disturbances is:
(14)
a) In the case of dropping a heavy object (reducing the load)
When a heavy object is dropped, the helicopter's mass decreases. At this point, the helicopter tends to increase its altitude. This means that the reduced load causes the angle of the main rotor blades to increase by a certain amount.
.
We have the formula for calculating the angle of the main rotating blade:
(15)
In which
is the setting angle is the main rotating blade of the automatic control system АП -34 Б [4].
Control law :
(16)
From this, we have the following structural diagram of the height stabilization loop of the AP -34 B system when there is a disturbance causing load reduction :
Figure 7. Schematic diagram of the altitude stabilization circuit structure of the helicopter when reducing the load
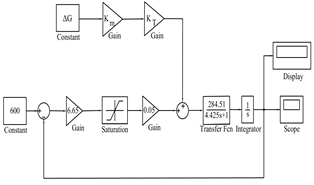
In the case where noise reduces the load, from the diagram in Figure 7, we can build a simulation diagram in Matlab-Simulink (Figure 8).
/Hoang.files/image055.png)
Figure 8. Simulation diagram of the height stabilization loop when reducing the load in Simulink/Matlab
The simulation results are shown in Figure 9 and Table 4.
Figure 9. Graph of the altitude stabilization loop when reducing the load
Table 4.
Survey results for cases with reducing the load
|
|
Steady-state error St |
Transition time: tqđ, s |
Overshoot δ, % |
|
|
3.4 |
21.6 |
25.83 |
|
|
3.7 |
22.2 |
29.17 |
|
|
3.9 |
27.2 |
52 |
From the survey results, we see that when
changing from 30 to
150 kg, the quality assessment criteria of the control loop change. Specifically, the oscillation period remains unchanged. The transient time increases from 21.6 s to 27.2 s. The overshoot gradually increases from 25.83% (at
30 kg) to 52% (at
150 kg). At
30 kg and
50 kg, the control characteristics are stable. At
150 kg, the overshoot is greater than 30%, so the quality criteria of the control loop are not met.
b) In the case of hanging heavy objects (increasing the load)
When a heavy load is suspended, the helicopter's mass increases. At this point, the helicopter tends to decrease its altitude. This means that increased load disturbance reduces the angle of the main rotor blades by a certain amount
.
We have the formula for calculating the angle of the main rotating blade:
(17)
Control law :
(18)
From this, we have the following structural diagram of the height stabilization loop of the AP -34 B system when there is disturbance and increased load :
/Hoang.files/image063.png)
Figure 10. Schematic diagram of the altitude stabilization circuit structure of the helicopter when increasing the load
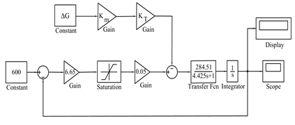
In the case of load-increasing noise impact, from the diagram in Figure (10), we can build a simulation diagram on Matlab-Simulink (Figure 11).
/Hoang.files/image064.png)
Figure 11. Simulation diagram of the height stabilization loop when increasing the load in Simulink/Matlab
The simulation results are shown in Figure 12 and Table 5.
/Hoang.files/image065.png)
Figure 12. Graph of the altitude stabilization loop when increasing the load
Table 5.
Survey results for cases with increasing the load
|
|
Steady-state error St |
Transition time: tqđ, s |
Overshoot δ, % |
|
|
2.4 |
19.6 |
18.67 |
|
|
2.1 |
18.3 |
16 |
|
|
2.1 |
17.5 |
11.67 |
From the survey results, we see that when
changing from 30
to 150 kg, the quality assessment indicators of the loop circuit change, but the control characteristics remain stable.
Conclusion
From surveying the altitude stabilization loop under the influence of varying load disturbances, we see that when the load
changes , the parameters evaluating the quality of the loop also change. Thus, for load disturbances in cases of dropping heavy loads or fuel consumption, the helicopter's autopilot system still ensures stable operation within permissible limits. However, when dropping heavy loads , the system parameters gradually change significantly and become unstable, requiring the pilot to directly control and maintain the helicopter's altitude during flight.
References:
- Danilov, V.A., and Technical Service: Moscow, "Transport," 1988, 287 pages.
- MI-8 Helicopter Maintenance Manual. Book 3. Moscow, "Mashinostroenie," 1973.
- Kozhevnikov, V.A., Automatic Stabilization of the Helicopter / V.A. Kozhevnikov. Moscow: Mashinostroenie, 1977, 152 pages.
- Samara State University named after Academician S.P. Korolev / "Maintenance of the AP-34B Autopilot of the MI-8 Helicopter": Samara, 2006.
- Nguyen Phung Quang (2006), Matlab-Simulink for automatic control engineers , Hanoi Technical Publishing House.
/Hoang.files/image041.png)
/Hoang.files/image042.png)
/Hoang.files/image043.png)
/Hoang.files/image044.png)
/Hoang.files/image047.png)
/Hoang.files/image048.png)