ассистент, Каршинский государственный технический университет, Узбекистан, г. Карши
ФОРМИРОВАНИЕ СЛУЧАЙНЫХ СИГНАЛОВ С ЗАДАННЫМИ ВЕРОЯТНОСТНЫМИ ХАРАКТЕРИСТИКАМИ В СРЕДЕ SIMULINK
АННОТАЦИЯ
В данной статье рассматривается задача формирования случайного процесса с заранее заданными вероятностными и спектральными характеристиками в среде MATLAB/Simulink. Основное внимание уделено моделированию стохастического сигнала, спектральная плотность которого имеет рациональную форму первого порядка. На основе исходных параметров были рассчитаны коэффициент передачи и постоянная времени формирующего фильтра, а также определён необходимый объём выборки для обеспечения требуемой точности статистических оценок.
В ходе исследования разработана модель, включающая генератор белого шума, фильтр первого порядка и подсистему для вычисления среднего значения и дисперсии выходного сигнала. Результаты моделирования продемонстрировали высокую степень совпадения между теоретически вычисленной дисперсией и модельными данными: полученная погрешность составила всего 0,1 %, что подтверждает корректность выбранных параметров и применённой методики. Показано, что подход обеспечивает формирование стохастических процессов с требуемыми статистическими свойствами и может эффективно использоваться для тестирования алгоритмов управления, анализа систем в условиях шумовых воздействий и статистической обработки сигналов.
ABSTRACT
In this article, the problem of generating a random process with predefined probabilistic and spectral characteristics in the MATLAB/Simulink environment is considered. The main focus is on modeling a stochastic signal whose spectral density has a first-order rational form. Based on the initial parameters, the transfer coefficient and the time constant of the shaping filter were calculated, and the required sample size ensuring the necessary accuracy of statistical estimates was determined.
During the study, a model was developed that includes a white noise generator, a first-order filter, and a subsystem for calculating the mean value and variance of the output signal. The simulation results demonstrated a high degree of agreement between the theoretically calculated variance and the model data: the obtained error was only 0.1%, which confirms the correctness of the selected parameters and the applied methodology. It is shown that the proposed approach makes it possible to generate stochastic processes with the required statistical properties and can be effectively used for testing control algorithms, analyzing systems under noise conditions, and performing statistical signal processing.
Ключевые слова: случайный процесс, спектральная плотность, белый шум, фильтр первого порядка, MATLAB/Simulink, статистическая оценка, дисперсия, моделирование.
Keywords: random process, spectral density, white noise, first-order filter, MATLAB/Simulink, statistical estimation, variance, modeling.
Введение
Случайные сигналы являются неотъемлемой частью современной техники и научных исследований. Они широко применяются в системах связи, процессах управления, измерительной технике, радиолокации, а также при моделировании сложных технологических процессов. Такие сигналы отражают естественные свойства реальных систем, связанные с неопределённостью, шумами, внешними воздействиями и стохастическими процессами. Поэтому формирование случайных сигналов на основе заранее заданных вероятностных и статистических параметров имеет важное теоретическое и практическое значение.
Основная задача генерации случайных сигналов заключается в получении процессов, параметры которых — такие как математическое ожидание, дисперсия, вероятностное распределение, авторегрессионные или марковские свойства, спектральная структура — могут контролироваться с высокой точностью. Это, в свою очередь, позволяет исследовать поведение реальных систем, проводить тестирование сложных алгоритмов, оценивать эффективность фильтров и детекторов. Особенно в системах связи и управления, где сигнал функционирует в условиях шумовых воздействий, правильный выбор вероятностных характеристик моделируемого шума определяет достоверность результатов экспериментов.
Современные вычислительные технологии обеспечивают возможность разработки эффективных алгоритмов генерации случайных сигналов с различными вероятностными распределениями. Например, методы Бокса–Мюллера, инверсии распределения, генерации по Монте-Карло, модели фильтрованного белого шума, авторегрессионные и скользящего среднего модели позволяют формировать сигналы сложной структуры. С помощью этих методов можно моделировать не только независимые процессы, но и спектрально ограниченные, нестационарные или временно коррелированные стохастические сигналы.
В статье рассматриваются теоретические основы формирования случайных сигналов с заранее заданными вероятностными характеристиками, различные алгоритмы их генерации, а также практическая реализация этих методов в среде MATLAB/Simulink. Кроме того, проводится оценка статистических параметров полученных сигналов, выполняется графический анализ, и изучаются возможности применения данных сигналов в реальных технических процессах.
Материалы и методы исследования. В работе требуется инструментальными средствами Simulink сформировать случайный процесс v(t), имеющий наперёд заданные плотности вида:
/Samiev.files/image001.png)
Таблица 1.
Исходные данные
|
|
|
|
|
|
1.1 |
5.5 |
0.95 |
0.1 |
Где
– истинное значение дисперсии;
и
– значения уровней вероятности.
– заданный коэффициент передачи;
– заданная постоянная времени;
Для оценки среднего и дисперсии по выборке конечной длины использовать следующие выражения:
/Samiev.files/image009.png)
/Samiev.files/image010.png)
Расчётным путём необходимо получить дисперсию по формуле:
/Samiev.files/image011.png)
где
– уровень интенсивности генератора белого шума;
– соответственно коэффициент передачи и постоянная времени формирующего фильтра.
Результаты и обсуждения. Рассчитаем коэффициент передаци формирующего фильтра:
/Samiev.files/image014.png)
Уровень спектральной плоскости по условию принят равным
Постоянная времени:
/Samiev.files/image016.png)
Эти данные необходимо подставить в уравнение:
/Samiev.files/image017.png)
Требуемое число наблюдений получим из уравнения:
/Samiev.files/image018.png)
/Samiev.files/image019.png)
/Samiev.files/image020.png)
Отсюда получим:
/Samiev.files/image021.png)
Период дискретизации экспериметальных точек:
/Samiev.files/image022.png)
Отсюда модельное время:
.
Рассчитаем дисперсию по формуле:
/Samiev.files/image024.png)
Для моделирования необходимо реализовать модель, состоящую из генератора белого шума, фильтра первого порядка с параметрами, обеспечивающими требуемый уровень спектральной плотности на его выходи, и устройства для оценки значений среднего и дисперсии формируемого сигнала. Полная схема изображена на рисунке 1.
/Samiev.files/image025.jpg)
Рисунок 1. Схема модели в Matlab
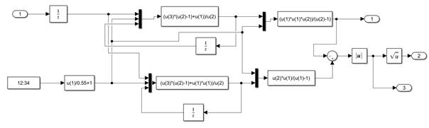
Подсистема (Subsystem) изображена на рисунке 2.
/Samiev.files/image026.jpg)
Рисунок 2. Модель подсистемы
В результате моделирования получили значение дисперсии 0,1001. По теоретическим расчётам дисперсия равна 0,1.
Погрешность рассчитаем по формуле:
/Samiev.files/image027.png)
Заключение. Полученные результаты показывают, что в среде Simulink имеется возможность формирования случайного процесса с заранее заданной спектральной плотностью на основе генератора белого шума и фильтра первого порядка с высокой точностью. Соответствие между теоретическими расчётами и результатами моделирования (погрешность составляет всего 0,1%) подтверждает корректность и надёжность применённой методики. Кроме того, выбранные параметры фильтра и достаточная длина статистической выборки обеспечили высокоточное оценивание истинной дисперсии сигнала.
Представленный подход может эффективно применяться для моделирования стохастических процессов, тестирования систем в условиях шумовых воздействий, а также при выполнении статистической оценки параметров сигналов.
Список литературы:
- Бендател А., Пирсол А. Прикладной анализ случайных данных. — Москва: Мир, 1989. — 540 с.
- Левин Б. Р. Теоретические основы статистической радиотехники. — Москва: Радио и связь, 1989. — 632 с.
- Клайд М., Уайтинг Р. Анализ и моделирование динамических систем. — Москва: Техносфера, 2006. — 478 с.
- Oppenheim A. V., Schafer R. W. Digital Signal Processing. — New Jersey: Prentice Hall, 2010. — 1056 p.
- Proakis J. G., Manolakis D. G. Digital Signal Processing: Principles, Algorithms and Applications. — Upper Saddle River: Pearson Education, 2006. — 1077 p.
- MathWorks. Simulink User’s Guide: Version R2021b. — Natick, MA: The MathWorks Inc., 2021. — 1587 p.
- Боровков А. А. Теория вероятностей. — Москва: Наука, 1986. — 472 с.
- Папулис А. Вероятность, случайные процессы и стохастические системы. — Москва: Мир, 1977. — 392 с.
- Гоноровский И. С. Радиотехнические цепи и сигналы. — Москва: Высшая школа, 1986. — 544 с.
- Brown R. G., Hwang P. Y. C. Introduction to Random Signals and Applied Kalman Filtering. — New York: Wiley, 2012. — 460 p.
/Samiev.files/image003.png)
/Samiev.files/image005.png)