канд. техн. наук, проф, Ташкентский институт текстильной и лёгкой промышленности, Республика Узбекистан, г. Ташкент
ДЕМПФИРУЮЩИЕ СВОЙСТВА ХЛОПКА ПРИ СЖАТИИ
АННОТАЦИЯ
В статье рассмотрена методика определения демпфирующих свойств хлопка-сырца при сжатии. Учитывая неоднородный состав частицы хлопка, состоящий из семени и волокна, можно ожидать, что ее динамические характеристики при сжатии и растяжении, в общем, будут различными. При сжатии большую роль играют характеристики и семени, и волокна, совместно воспринимающих нагрузку, тогда как при растяжении деформируется только волокно. При сжатии частицы хлопка-сырца воспринимаемая нагрузка распределяется между волокном и семенами, т.е. хлопок представляет собой многокомпонентное тело, в котором диссипация энергии определяется внутренним трением. В статье теоретически описан процесс хлопкоочистки и определен коэффициент внутреннего трения хлопка-сырца.
Экспериментально определено значение угла сдвига фаз для хлопка-сырца в зависимости от массы образца и давления предварительного уплотнения, что позволило определить величину коэффициента демпфирования в зависимости от вышеуказанных факторов.
ABSTRACT
This article discusses a method for determining the damping properties of raw cotton under compression. Given the heterogeneous composition of a cotton particle, consisting of seed and fiber, it can be expected that its dynamic characteristics under compression and tension will generally differ. Under compression, the characteristics of both the seed and fiber play a significant role, as they jointly bear the load, whereas under tension, only the fiber is deformed.
During compression of a raw cotton particle, the supported load is distributed between the fiber and seed, meaning that cotton is a multicomponent body in which energy dissipation is determined by internal friction. This article theoretically describes the cotton ginning process and determines the internal friction coefficient of raw cotton.
The phase shift angle for raw cotton was experimentally determined as a function of sample mass and pre-compaction pressure, allowing for the determination of the damping coefficient based on the above factors.
Ключевые слова: Хлопок-сырец, волокно, семена, очистка, сжатие, Сушильная установка, хлопок сырец, масса, образец.
Keywords: Raw cotton, fiber, seeds, cleaning, compression, drying plant, raw cotton, mass, sample.
Введение. Процесс взаимодействия рабочих органов очистительных машин с волокнистыми материалами рассмотрено во многих исследованиях [1,2,3,4]. Известно, что процесс очистки хлопка-сырца от сорных примесей сопровождается ударным воздействием очищаемого материала о рабочие органы очистительной машины. Изучение процесса соударения частиц хлопка-сырца с рабочими органами очистителей позволяет более правильно понять процесс удара и определить технологические параметры и скоростные режимы проектируемой машины. Процесс соударения волокнистого материала с рабочим органом очистителя сопровождается с сжатием волокнистого материала.
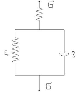
Материалы и методы исследования. При сжатии частицы хлопка-сырца воспринимаемая нагрузка распределяется между волокном и семенами, т.е. хлопок представляет собой многокомпонентное тело, в котором диссипация энергии определяется внутренним трением. При теоретическом описании процесса хлопкоочистки возникает необходимость определения коэффициента внутреннего трения хлопка-сырца. Для определения данного коэффициента рассмотрим модель летучки хлопка-сырца (рис.1).
/Ismailov1.files/image001.jpg)
Рисунок 1. Модель летучки хлопка – сырца
Для упрощения семя рассматривается как упругий элемент, а волокно - как упруго-вязкий.
Модуль упругости семени обозначим через Е1, волокна - через Е2, коэффициент вязкости волокон обозначим через h. Деформацию семени обозначим е1, а волокна - е2. Тогда для волокна справедливо уравнение
(1)
а для семени
(2)
С другой стороны, общая деформация
(3)
Исключив
и
из уравнений (1), (2) и (3), получим
(4)
Введем обозначения
(5)
Подставив (4) в (5), после преобразований получим
(6)
Вычислим работу, совершаемую при циклическом деформировании:
(7)
Тогда
(8)
Работа за время от
до данного момента
определяется следующим образом
(9)
Первый интеграл представляет собой периодическую функцию от t, - это полностью обратимая работа упругих сил. Второй интеграл содержит периодическую составляющую и слагаемое, пропорциональное времени t. Это слагаемое представляет необратимую работу. Величина необратимой работы в единицу времени есть мощность диссипации D.
Из (9), выделив соответствующий член, находим
(10)
Известно, что работа состоит из периодической составляющей, представляющей свободную энергию U, и необратимой работы, пропорциональной времени, т.е.
А = U + D t (11)
Откуда
U = А - D t (12)
Интегрируя (9), находим
(13)
Где:
.
Известно, [5], что для определения коэффициента вязкости можно использовать отношение энергии, рассеянной за время, когда фаза изменится на один радиан, к наибольшему значению свободной энергии в цикле.
Из (12) найдем наибольшее значение свободной энергии в цикле
(при 2f =p-j )
(14)
При изменении f на один радиан t меняется на 1/w.
Тогда, в соответствии с определением, коэффициент демпфирования
(15)
Часто для малых j (например, для металлов) применяется приближенная формула
(16)
Но для материалов с высокой диссипацией энергии, таких, как хлопок-сырец, эта формула не подходит. Для нахождения коэффициента демпфирования необходимо определить сдвиг фаз в функции деформация-напряжение экспериментальным путем.
Эксперимент проводился на специально разработанном стенде ( рис 2), который представляет собой цилиндр 1, залепленный на стойке прибора, в который помещают навеску хлопка. Образец деформируется двумя пуансонами, один из которых 2 под действием винта 6 обеспечивает предварительное уплотнение хлопка, а второй 3, соединенный с механическим вибратором, осуществляет периодический режим нагружения. Частота нагружения регулируется сменными шкивами 4, амплитуда деформации изменяется сменными эксцентриками 5. Давления, воздействующие на образец, измеряются тензодатчиками 7 и 8, закрепленными на мембранах пуансонов.
Определенные по результатам эксперимента значения угла сдвига фаз, тангенса угла механических потерь, коэффициента демпфирования и коэффициента вязкого демпфирования при различных массе образца, давлении предварительного уплотнения и частоте воздействия приведены в таблицах 1 и 2.
/Ismailov1.files/image021.png)
Рисунок 2. Стенд для исследования физико-механических свойств хлопка
Таблица 1.
Значения угла сдвига фаз для хлопка-сырца в зависимости от массы образца и давления предварительного уплотнения
|
Масса образца кг |
Давление предвар. Уплотнен кН/м2 |
Угол сдвига в град при частоте |
||||
|
7,5 Гц |
12,5 Гц |
16,7 Гц |
25 Гц |
37 Гц |
||
|
0,058 |
13.78 27.56 41.33 |
16.07 7.30 8.98 |
18.22 13.39 15.76 |
27.71 16.50 27.22 |
63.40 69.12 66.80 |
71.96 63.87 66.73 |
|
0.075 |
13.78 27.56 41.33 |
15.17 8.31 9.43 |
15.60 10.32 10.04 |
36.07 22.60 17.07 |
55.04 34.78 42.76 |
63.84 58.84 61.43 |
|
0.1 |
13.78 27.56 41.33 |
14.74 18.17 8.82 |
31.32 16.97 19.76 |
37.83 35.51 33.16 |
44.91 31.35 25.00 |
49.91 48.77 45.39 |
Значения коэффициента вязкого демпфирования приведены в табл.2.
Таблица 2.
Значения коэффициента демпфирования для хлопка-сырца в зависимости от массы образца и давления предварительного уплотнения
|
Масса образца кг |
Давление предвар. Уплотнен кН/м2 |
Угол сдвига в град при частоте |
||||
|
7,5 Гц |
12,5 Гц |
16,7 Гц |
25 Гц |
37 Гц |
||
|
0.05 |
13.78 27.56 41.33 |
0.28 0.13 0.16 |
0.32 0.23 0.28 |
0.49 0.29 0.48 |
1.23 1.38 1.32 |
1.45 1.24 1.32 |
|
0.075 |
13.78 27.56 41.33 |
0.27 0.15 0.16 |
0.27 0.18 0.18 |
0.65 0.40 0.30 |
1.04 0.63 0.78 |
1.24 1.13 1.19 |
|
0,10 |
13.78 27.56 41.33 |
0.26 0.32 0.15 |
0.56 0.30 0.35 |
0.68 0.64 0.60 |
0.83 0.56 0.44 |
0.92 0.91 0.84 |
Результаты и обсуждения. Анализ данных таблицы 2 показывает, что в зависимости от массы частицы хлопка и частоты воздействия движение частицы может носить как колебательный, так и апериодический характер, что затрудняет исследование возможностей выделения сора из хлопка.
Заключение. Хлопок-сырец представляет собой многокомпонентное тело, поэтому при сжатии частицы хлопка воспринимаемая нагрузка распределяется между волокном и семенами, т.е. в хлопке-сырце диссипация энергии определяется внутренним трением.
Для нахождения коэффициента демпфирования материалов с высокой диссипацией энергии, таких, как хлопок-сырец, необходимо определить сдвиг фаз в функции деформация-напряжение экспериментальным путем.
В зависимости от массы частицы хлопка и частоты воздействия движение частицы может носить как колебательный, так и апериодический характер
Список литературы:
- Б.М.Мардонов, Х.С.Усманов, А.А.Исмаилов, А.Э.Тангиров И.И.Юсупов. Теоретико-экспериментальное изучение состояния образца хлопка-сырца и его компонентов при нагруже-нии (сжатии) и разгрузки. Универсум: технические науки: научный журнал. – № 4(85) Москва. Апрель 2021 г.
- Х.С.Усманов, А.А.Исмаилов. Ю.А.Махмудов. Расчет силовых воздействий на летучку хлопка при технологии вертикального способа очистки XVI International scientific and practical Conference Cutting-edge science - 2020 , April 30 - May 7, 2020: Baku. EDUCATION AND SCIENCE Ltd -233 p. ISSN 1561-6940.
- Д.А.Лебедев, А.Р.Корабельников, К.Е.Ширяев, Р.В.Корабельников. Нелинейная модель воздействия на сорную частицу при очистке волокна. // Известия ВУЗов. «Технология текстильной промышленности». Иваново. №5,2009г.
- Х.К.Турсунов. Теоретические основы очистки хлопкового волокна и совершенствование рабочих органов волокноочистительных машин. Дисс. Док. техн. наук. – Ташкент, 1997.
- Цзе Ф.С., Морзе И.Е. Механические колебания. Москва, 1966 г.