PhD, доцент, Андижанский государственный технический институт, Узбекистан, г. Андижан
АНАЛИЗ ПОКАЗАТЕЛЕЙ КАЧЕСТВА ЭЛЕКТРОЭНЕРГИИ, ВЫРАБАТЫВАЕМОЙ СОЛНЕЧНОЙ ФОТОЭЛЕКТРИЧЕСКОЙ СИСТЕМОЙ
АННОТАЦИЯ
В данной статье анализируются показатели качества системы солнечного электроснабжения, методы их оценки и факторы, влияющие на эффективность работы системы. Рассмотрены вопросы обеспечения стабильности основных показателей качества, таких как напряжение, ток, мощность и частота при производстве электроэнергии солнечными панелями. Также научно проанализировано влияние изменчивости солнечного излучения, влияния температуры и динамических характеристик нагрузки на качество работы системы. Для повышения качества работы системы предложены оптимальные режимы работы инверторов, аккумуляторных батарей и устройств автоматического регулирования. В результате исследования разработаны практические рекомендации по улучшению показателей качества энергии системы солнечного электроснабжения, обеспечению устойчивости при подключении к электросети и снижению потерь.
ABSTRACT
This article analyzes the quality indicators of the solar power supply system, methods for their assessment, and factors affecting the efficiency of the system. The issues of ensuring the stability of the main quality indicators such as voltage, current, power, and frequency during the production of electricity by solar panels are considered. Also, the impact of the variability of solar radiation, the effect of temperature, and the dynamic characteristics of the load on the quality of the system are scientifically analyzed. In order to improve the quality of the system, optimal operating conditions for inverters, batteries, and automatic control devices are proposed. As a result of the research, practical recommendations have been developed to improve the energy quality indicators of the solar power supply system, ensure stability when connecting to the power grid, and reduce losses.
Ключевые слова: солнечная энергетика, система электроснабжения, показатели качества, эффективность, инвертор, стабильность напряжения, потери энергии.
Keywords: solar energy, power supply system, quality indicators, efficiency, inverter, voltage stability, energy losses.
Введение
Для обеспечения бесперебойного и качественного электроснабжения потребителей в мире уделяется большое внимание использованию альтернативных источников энергии, и роль электроэнергии, вырабатываемой солнечными фотоэлектрическими системами, в этом отношении не имеет себе равных. Известный учёный и изобретатель Томас Эдисон говорил: «Я бы вложил свои деньги в использование солнечной энергии. Это огромный источник энергии[1]. Думаю, нам не нужно ждать, пока мы поймём, что запасы нефти, газа и угля иссякнут». Системы преобразования солнечной энергии в электричество – солнечные фотоэлектрические установки – сегодня широко используются в промышленности, сельском хозяйстве и быту. Эффективность работы этих систем напрямую зависит от показателей качества электроэнергии[2]. Показатели качества электроэнергии подразумевают поддержание таких параметров, как напряжение, ток, частота, фазовый угол, а также соотношение реактивной и активной мощности, в установленных нормативных пределах. Стабильность этих показателей в солнечных энергосистемах зависит от множества внешних и внутренних факторов, включая изменчивость солнечной радиации, влияние температуры, изменение нагрузки, а также техническое состояние инвертора и аккумуляторных батарей. Поэтому глубокий анализ показателей качества солнечных энергосистем, их измерение, оценка и оптимизация являются одним из важных научных и практических направлений современной энергетики. В данной статье рассматриваются вопросы изучения основных показателей качества солнечных энергосистем, анализа причин их изменения и методов их улучшения[3]. Результаты исследования могут быть использованы для улучшения качества электроэнергии, повышения эффективности систем и создания устойчивых систем энергоснабжения на основе солнечных источников.
Основным фактором, влияющим на качество и бесперебойность производства электроэнергии с помощью солнечной энергии, является правильная установка солнечной электростанции, то есть обеспечение постоянного перпендикулярного поступления электроэнергии на солнечные панели в течение большей части суток.
/Azamov.files/image001.jpg)
Рисунок 1. Правильно установленная солнечная фотоэлектрическая система
На этом рисунке предлагается установить солнечную фотоэлектрическую установку под углом не менее β = βₖʀ = 40°, как установлено потребителем. В этом случае годовой поток солнечной энергии в странах Центральной Азии в течение года составляет Eᵍᵒᵈ(β) = 1906,01 кВт·ч/м²·год. Килинг[4]. Если проанализировать годовую мощность солнечной фотоэлектрической установки по графику, представленному на рисунке 2, то можно увидеть, что изменение мощности зависит именно от β,
/Azamov.files/image002.jpg)
Рисунок 2. График годовой энергии солнечного излучения в зависимости от угла β
В таблице 2 представлен объем энергии, полученной солнечной фотоэлектрической системой в течение года, с точки зрения количества и угловой величины.
Таблица 2.
Объем энергии, полученной солнечной фотоэлектрической системой в течение года, с точки зрения количества и угловой величины
|
|
0 |
10 |
20 |
20.88 |
23 |
30 |
40 |
50 |
60 |
70 |
80 |
87 |
|
|
1862 |
1941 |
1976 |
1976 |
1978 |
1964 |
1906 |
1805 |
1663 |
1488 |
1284 |
1135 |
Метод
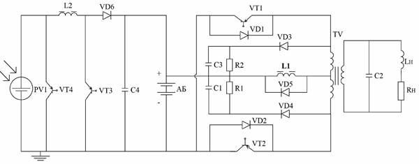
Известно, что при использовании солнечных фотоэлектрических систем используются инверторные устройства, работающие в режимах On-Grid и Off-Grid[5]. Оба этих метода служат для обеспечения потребителей бесперебойной и качественной электроэнергией, но в системе Off-Grid инверторное устройство, работающее от аккумуляторной батареи, имеет возможность генерировать непрерывный и эффективный переменный ток в вечернее время и в течение всех двенадцати месяцев в году, но в этой системе используются литий-ионные аккумуляторы, как показано на схеме на рисунке 3.
/Azamov.files/image005.jpg)
Рисунок 3. Схема коммутации солнечного фотоэлектрического устройства (СФЭУ)
В данной схеме солнечный элемент моделируется как управляемый источник тока PV1 и представлен преобразователем, состоящим из элементов L2, VT3, VD6, повышающим напряжение солнечного элемента. На рисунке 4 показаны возможности регулирования энергетических характеристик элементов СФЭУ с учетом условий стран Центральной Азии. Здесь представлены следующие подробные графики:
• Ток солнечного элемента — Iₛᵦ (А),
• Напряжение солнечного элемента — Uₛᵦ (В),
• Изменение температуры окружающей среды — T (°C),
• Мощность солнечного излучения — Pc (Вт/м²), в зависимости от времени суток. Очевидно, что солнечный элемент не вырабатывает достаточно энергии в периоды с 6:00 до 7:00 и с 17:00 до 18:00, когда Uₛᵦ < Uₐᵦ, то есть напряжение солнечного элемента ниже напряжения аккумуляторной батареи[6]. Потери энергии пропорциональны площадям треугольников a и b (рисунок 4).
/Azamov.files/image006.jpg)
Рисунок 4. Возможности согласования энергетических характеристик элементов солнечной фотоэлектрической установки в условиях Центральной Азии
Результат
На нём представлен типичный график тока (ISB, A), напряжения (USB, B) солнечного элемента, изменения температуры окружающей среды T (°C) и мощности солнечного излучения PC (Вт/м²) в течение суток [7]. Видно, что период времени, когда солнечный элемент не получает достаточной энергии, приходится на период с 6:00 до 7:00 утра и с 17:00 до 18:00 вечера. Поскольку в это время UQB<UAB, потери энергии пропорциональны площадям треугольников a и b (рисунок 4).
/Azamov.files/image007.png)
Мы рассчитываем потерю заряда (ΔQ), которая происходит, когда напряжение солнечного элемента UQB<UAB, согласно рисунку 4. Это происходит дважды в течение дня, каждый раз в течение одного часа.
/Azamov.files/image008.png)
Здесь Iₘₐₓ, Δ — максимальный ток, протекающий через солнечный элемент через 1 час после начала освещения.
/Azamov.files/image009.png)
Поскольку Uₛᵦ < Uₐᵦ, рассчитываем общую потерю заряда.
/Azamov.files/image010.png)
Рассчитаем относительное значение потери заряда без преобразователя.
/Azamov.files/image011.png)
ζ — доля потерь мощности.
Заключение
Учитывая, что солнце, считающееся природным ресурсом в странах Центральной Азии, включая Узбекистан, светит триста десять дней в году, это одно из наиболее удобных решений для обеспечения бесперебойной и качественной электроэнергией. В связи с этим, потребителям, в соответствии с Постановлением Президента нашей страны № ПФ-158 от 2024 года, предоставляется возможность создавать в своих домах зелёную энергетическую систему и продавать её другим потребителям, что укрепляет доверие и солидарность между народом и государством в целях экономического развития. Промышленное производство и население обеспечиваются постоянным и качественным источником дешёвой электроэнергии.
Список литературы:
- Pirmatov N. et al. Characteristics of the static and dynamic operating modes of the asynchronous generator in renewable energy sources and the production of electric energy control through a frequency converter //E3S Web of Conferences. – EDP Sciences, 2024. – Т. 480. – С. 01007.
- Аъзамов С. С. Улучшение механической прочности электрических проводов высокого напряжения //Universum: технические науки. – 2021. – №. 5-5. – С. 47-49.
- Pirmatov N. et al. Energy saving using a frequency converter in asynchronous motor operating modes //E3S Web of Conferences. – EDP Sciences, 2024. – Т. 508. – С. 08011.
- Pirmatov N. et al. Characteristics of the static and dynamic operating modes of the asynchronous generator in renewable energy sources and the production of electric energy control through a frequency converter //E3S Web of Conferences. – EDP Sciences, 2024. – Т. 480. – С. 01007.
- Parpiev OB, Egamov DA. Sinxron generatorlar va motorlar haqida ma'lumot //Osiyo ko'p o'lchovli tadqiqotlar jurnali. – 2021. – T. 10. – №. 9. – S. 441-445.
- Аъзамов С. С. Анализ управления и контроля рассеяния реактивной мощности однофазного асинхронного двигателя, вырабатываемой Солнечными панелями //Universum: технические науки. – 2023. – №. 10-6 (115). – С. 18-21.
- Boixanov Z. GES asinxron dvigatellarining nosimmetrik rejimlari [Symmetric modes of HPP asynchronous motors] //O'zbekgidroenergetika-UzbekHydropower (2). – 2021. – С. 27-28.
/Azamov.files/image003.png)
/Azamov.files/image004.png)