д-р PhD, ассистент, Ташкентский институт текстильной и легкой промышленности, Республика Узбекистан, г. Ташкент
ДИНАМИЧЕСКИЕ И МАТЕМАТИЧЕСКИЕ МОДЕЛИ РАБОТЫ ПРЕДЛОЖЕННОЙ КОНСТРУКЦИИ ФРИКЦИОННОЙ МУФТЫ ШВЕЙНОЙ МАШИНЫ
АННОТАЦИЯ
В статье представлены исследования по выбору материала упругого элемента, устойчивого к напряжениям при движении муфты, малым деформациям, теплу и износу при расчете упругого элемента с фрикционной муфтой швейной машины. Также приведены расчеты при разработке математической модели, включающей в себя расчетную схему и систему дифференциальных уравнений, позволяющих моделировать трение фрикционов привода швейной машины без прерывания потока мощности в приводах швейной машины с учетом частоты собственных колебаний системы, потенциальной энергии системы, жесткости резины, упруго-диссипативных связей массы трансмиссии при различных нагрузках. В результате анализа моделирования установлено, что при первоначальном запуске фрикциона момент двигателя и момент трения фрикциона постоянны, а угловая скорость изменяется линейно.
ABSTRACT
The article presents research on the selection of elastic element material resistant to stresses during coupling movement, small deformations, heat, and wear when calculating an elastic element with a sewing machine's friction coupling. Calculations are also provided for the development of a mathematical model that includes a computational scheme and a system of differential equations that allow modeling the friction of the sewing machine drive without interrupting the power flow in the sewing machine drives, taking into account the frequency of the system's natural oscillations, the potential energy of the system, the stiffness of the rubber, and the elastic-dissipative relationships of the transmission mass under various loads. As a result of the modeling analysis, it was established that during the initial start of the friction, the motor torque and the friction torque of the friction are constant, and the angular velocity changes linearly.
Ключевые слова: упругий элемент, эластомер, теплостойкость, крутящий момент, кинетическая энергия, конструкция фрикционой муфты.
Keywords: elastic element, elastomer, heat resistance, torque, kinetic energy, friction clutch design.
Введение
Для удобства монтажа упругие элементы изготавливают совместно с металлическими частями, которые сильно влияют на характеристики упругого элемента в целом. В машинах применяют массовые упругие элементы с линейной характеристикой, а с заданной жесткой характеристикой другие виды, которые отличаются параметрами эластомеров. В данном случае, как было отмечено, фрикционная муфта передает крутящий момент и за счет неточности изготовления и сборки узлов на механизмах возникают напряжения сдвига, что приводит к ухудшению работы передачи. Значит, упругий элемент работает на сдвиг и кручения [6, с. 130]. При выборе упругого элемента фрикционной муфты авторы статьи базировались на основные качества материала, которые должны отвечать таким требованиям как, упругость стабильность создаваемой силы при малых деформациях, работа как на деформацию и на кручение, так и теплостойкость, износостойкость и бензомаслостойкость материала. К этой группе отнесем упругие элементы, у которых зависимость сила – деформация при малых деформациях линейна, то ест ε=δ/h<10%. Угловые деформации <20 % линейна, а при увеличении деформации нелинейность появляется из-за того, что материал нелинейно упругий.
Результаты исследования
Расчеты жесткостей простейших наиболее распространенных упругих элементов сводятся к тому, что способность виброизолятора гасить колебания характеризуется коэффициентом η демпфирования.
(1)
fв – частота вынужденных колебаний в данном случае возбуждающая передаваемым моментом фрикционом или перекосом дисков, Гц. fc – частота собственных колебаний системы «агрегат – резина», Гц.
Резкое возрастание η в зоне резонанса отвечает такому же увеличению амплитуды колебаний агрегата и силы, передаваемой дискам, таким образом, резиновый виброизолятор и при резонансе дает конечную величину η. К резинам таких типов относятся марки 1847, 2959, и 2462 на натуральном каучуке и соответствуют резины ИРП-1346, 1347 и 1348 на синтетическом каучуке. Как уже отмечалось, для получения хорошего гашения колебаний системы необходимо, чтобы fc была меньше fв. Если fc выразить через нагрузку, действующую на фрикционный диск со стороны подвижного фрикциона, то при нажатии педали работницей, осадке δ и ускорении силы тяжести g, по уравнению (2) можно определить собственную частоту колебаний системы.
( 2)
Если известна деформация δ резинового слоя под заданной статической нагрузкой определяемой выбором работницы, то может быть найдена собственная частота fc системы «агрегат – виброизолятор». Деформацию резины определим из равенства
, однако применение резиновых прокладок больше
см не рекомендуется, так как это приводит к боковым смешениям агрегата «диск – фрикцион». Для расчетов параметров жесткости рассмотрим конструкцию фрикциона швейной машины, которая приведена на рисунке 1. Определим жесткость резины, которая зависит от модуля упругости и конструктивных размеров муфты.
(3)
;
; /Dustova.files/image008.png)
Определив параметры муфты, можем рассчитать жесткость резины для соответствующих частот колебаний системы.
/Dustova.files/image009.jpg)
Рисунок 1. Фрикционная муфта с упругим слоем между дисками
Зависимость при небольших деформациях линейна и содержит обычно одну постоянную G – модуль сдвига. Модуль упругости для резины Е=3G. Для большинства резин G=6
20 кг с/см2. При малых деформациях достаточную точность обеспечивают допущения, что удельная потенциальная энергия пропорционально деформации. Принимаем модуль упругости равной Е= 40 кг с /см2 по справочнику. На практике η=0,2-0,5. Зная нагрузку, действующую на диски, рассчитываем толщину упругого элемента, работающую при 3000 об/мин. Для упрощения расчетов примем отношения
=3, что дает
=(3000/60)*3=50Гц. Находим, что
соответствует деформации δ=0,1 см. Выбрав в качестве прокладки между дисками, Е определим по уравнению (1), тогда Е = 5МПа, и принимая допустимую нагрузку fc=01 МПа, находим толщину прокладки:
= 0.1*5/0.1=5мм. (4)
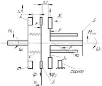
Учитывая то, что нагрузка, принятая авторами статьи, является максимальной и зависимой от условий работы фрикционной муфты, тогда принимаем толщину резинового покрытия равную 4 мм и принимаем резину типа Е= 4Мпа, марки ИРП -1346. Для исследования работы фрикционов муфты при пуске и остановке без разрыва потока мощности рассмотрим расчетную схему с упруго-диссипативными связями, учитывающую поступательное перемещение фрикционов и зазор между их поверхностями трения.
/Dustova.files/image015.jpg)
Рисунок 2. Расчетная схема включения фрикционной муфты швейной машины с учетом их поступательного перемещения и зазором между поверхностями трения
Для составления дифференциальных уравнений крутильных колебаний масс для расчетной схемы (рис. 2), воспользуемся уравнением:
(5)
где q – обобщенные скорости; П – потенциальная энергия системы (Дж);
Т – кинетическая энергия колебательной системы (Дж), которая для рассматриваемой расчетной схемы равна:
(6)
Потенциальная энергия системы:
(7)
где с – коэффициент жесткости резинового покрытия установленного фрикциона, Н·м. Обобщенные силы по обобщенным координатам:
;
;
; (8)
где F – приведенная сила по координате Х1, Н; Мф – момент трения фрикционов, Н·м. При выборе зазора Δ1 между фрикционами, обобщенная сила по координате: /Dustova.files/image022.png)
Дифференциальные уравнения крутильных колебаний масс для расчетной схемы, представленной на рисунке 2, имеет вид:
(9)
где
– угловое ускорение, м/с2
Момент инерции J2, представляет собой приведенный момент инерции, который определяется из условия кинетических энергий подвижных элементов, составляющих конструкцию швейной машины и приведенной к главному валу.
Заключение
Таким образом, разработана математическая модель, включающая в себя расчетную схему (рис. 2) и систему дифференциальных уравнений (9), позволяющих проводить моделирование работы трения фрикционов, привода швейной машины с подключением без разрыва потока мощности с учетом упруго-диссипативных связей масс трансмиссии при различных нагрузках.
Список литературы:
- Бабаджанов С.Х., Дустова Ф.Х. Исследование колебаний игольной штанги в швейных машинах. Молодежь и XXI век. – 2019. – С. 322–325.
- Бабаджанов С.Х., Дустова Ф.Х. Определение амплитуды автоколебаний при передаче движения фрикционными муфтами на швейной машине // Ученый XXI века: международный научный журнал – 2020. – № 11(70). – С. 111–113.
- Дремова Н.В. Влияние динамических параметров берда ткацкого станка на технологию тканеформирования: монография. – Lap Lambert Academic Publishing Moldova, 2022.
- Дрёмова Н.В. К решению задач свободных колебаний зубьев берда ткацкого станка // Экономика и социум. – 2024. – № 6-1 (121). – С. 1087–1092.
- Дремова Н.В. Учет диссипативных свойств динамики батанного механизма под действием произвольной нагрузки // Universum: технические науки. – 2021. – № 5-3. – С. 27–30.
- Дустова Ф.Х., Бабаджанов С.Х. Исследование механизмов перемещения ткани на универсальных швейных машинах фирмы TOYODA // Научно-технический вестник Брянского государственного университета. – 2017. – № 2. –С. 129–134. https://doi.org/10.22281/2413-9920-2017-03-02-129-134
- Dustova F.K., Babadjanov S.K. Calculation of the load on the fruction clutch of the sewing machine. Manufacturing technology problems // Scientific and Technical Journal of NamIET. – 2023. – Pp.174–178 http://niet.uz/index.php/nj/article/view/115
- Dustova F.K., Babadjanov S.K. Certain concepts and definitions of the physical process of wear of friction discs of sewing machine clutches // Journal of Physics: Conference Series. – 2023. – September. – Pp. 1–8. https://iopscience.iop.org/article/10.1088/1742-6596/2573/1/012021/pdf