канд. техн. наук, старший преподаватель, филиал Институт профессионального образования УГЗ, Республика Беларусь г. Гомель
МОДЕЛИРОВАНИЕ ЭТАПОВ РАБОТЫ ПОЖАРНОГО НАСОСА НЦПН 40/100
АННОТАЦИЯ
В статье рассматривается методика моделирования этапов водозаполнения пожарного насоса НЦПН-40/100 в зависимости от конструкции водопенных коммуникаций. Проведен анализ работы насосных установок на базе различных шасси пожарных автоцистерн и выполнены расчеты времени заполнения внутренней полости насоса водой. Теоретические значения были сопоставлены с результатами практических замеров, что позволило выявить влияние конструктивных параметров и человеческого фактора на процесс подготовки насосной установки к работе. Установлено, что время фактического заполнения насоса увеличивается в основном за счет инерционности действий оператора при ручном управлении задвижками, тогда как конструктивные особенности системы оказывают второстепенное влияние. Полученные результаты подтверждают целесообразность автоматизации управления водопенными коммуникациями, что позволит снизить временные потери на подготовительном этапе и повысить оперативность тушения пожаров.
ABSTRACT
The article presents a methodology for modeling the stages of water filling of the fire pump NCPN-40/100 depending on the design of foam-water communications. An analysis of pump units based on different chassis of fire trucks was carried out, and calculations of the filling time of the pump’s internal cavity with water were performed. Theoretical values were compared with the results of practical measurements, which made it possible to identify the influence of structural parameters and the human factor on process of preparing pump unit for operation. It was found that actual filling time of the pump increases mainly due to operator’s inertial actions when manually controlling the valves, while the design features of the system have a secondary effect. The obtained results confirm the feasibility of automating the control of foam-water communications, which will reduce time losses at the preparation stage and increase the efficiency of fire extinguishing operations.
Ключевые слова: пожарный насос, водопенные коммуникации, время заполнения, автоматизация, пожарный автомобиль, безопасность жизнедеятельности.
Keywords: fire pump, foam-water communications, filling time, automation, fire truck, life safety.
Введение. Современные требования к эффективности и оперативности пожаротушения диктуют необходимость постоянного совершенствования технического оснащения пожарных подразделений [1-4]. Одним из ключевых компонентов пожарной техники является насосная установка, от правильного функционирования которой зависят эффективность и быстрота тушения пожара. Насосная установка современного пожарного автомобиля – достаточно сложный комплекс узлов и агрегатов. Она включает основной и несколько вспомогательных насосов, системы привода, управления и контроля, оборудование для транспортирования и подачи огнетушащих жидкостей (вода, раствор пенообразователя) [1-5].
В качестве пожарного насоса в МЧС Республики Беларусь широкое распространение получил насос центробежный пожарный нормального давления марки НЦПН-40/100 в различных исполнениях [1, 3-5]. Данные насосы предназначены для подачи воды и водных растворов пенообразователей температурой до 3030К с водородным показателем РН от 7 до 10,5 плотностью до 1100 кг/м3 и массовой концентрацией твёрдых частиц до 0,5% при их максимальном размере 3 мм [1, 3]. Насос имеет несколько конструктивных исполнений, различающихся между собой по своему составу и по функциональным возможностям. Обозначение исполнений состоит из обозначения базового исполнения НЦПН-40/100УВМ и дополнительного обозначения, указывающего на наличие в составе насоса тех или иных дополнительных систем.
Для работы с таким сложным оборудованием водителю пожарного автомобиля необходимо пройти обучение по образовательной программе профессиональной подготовки рабочих по профессии «Водитель автомобиля» (уровень квалификации - 6 разряд), в которой предусматривается отработка алгоритма подачи огнетушащих веществ различными способами (более 10 вариантов), а также проверку работоспособности насоса (проверка на сухой вакуум). Водитель, совершив ошибку в последовательности действий с водопенными коммуникациями на пожарном насосе, способен прекратить подачу огнетушащих веществ в очаг пожара, а исправление «ошибки» может занять несколько минут, что не допустимо много при ликвидации возгорания.
С целью исключения человеческого фактора ведущие европейские фирмы оснащают пожарные автомобили автоматическими насосными установками [1, 3].
В таких насосных установках автоматизируются практически все системы: управление двигателем, забором воды, дозированием пенообразователя, запорными органами водопенных коммуникаций. Пожарные автомобили оборудуются системами, которые позволяют с рабочего места ствольщика контролировать и регулировать давление на выходе из насоса, а также открывать и закрывать задвижки для подачи воды и раствора пенообразователя.
Для выполнения в автоматическом режиме этих операций используют электропневматические системы с электрическими цепями управления и силовыми пневмоцнлиндрами, а также другие системы.
Пульт управления, который представляет собой достаточно сложное техническое устройство, располагают в насосном отсеке, а в случае необходимости дублируют на основании лафетного ствола [1]. На нем размещают манометры для контроля давления в системе, кнопки управления, контрольные лампы, устройства для регулирования подачи топлива в двигатель и другие элементы управления.
Автоматизация работы насоса достигается применением технических средств и систем управления, освобождающих человека частично или полностью от непосредственного участия в этих процессах.
В СНГ создана Государственная система приборов и средств автоматизации, в которую входят тысячи самых разнообразных элементов. С их помощью может быть построена практически любая система автоматики [1-4]. Сравнительный анализ стоимости пожарных автомобилей с автоматизированной подачей огнетушащих веществ и без неё свидетельствует о значительной разнице в цене (в разы) [2-6], а отсутствие в паспорте на пожарный автомобиль электрических схем и перечня оборудования для автоматизации не позволяет самостоятельно провести даже мелкий ремонт (замену) элементов автоматики [6]. Самостоятельное внесение изменений в конструкцию (к примеру, сверление отверстий под крепеж для установления датчиков) в полость пожарного насоса или водопенных коммуникаций автоматически снимает насос с гарантии.
Методология исследований. На основе вышесказанного одним из «экономически оправданных вариантов автоматизации пожарного насоса без механических повреждений рабочих органов насоса» является автоматизация работы задвижек по времени заполнения, которая в общем случае зависит:
1. от гидравлических сопротивлений (конструкция задвижки, повороты на различные градусы трубопроводов водопенных коммуникаций в насосном отсеке);
2. от расстояния между задвижками и диаметра трубопроводов водо-пенных коммуникаций;
3. от объема и габаритов емкостей с огнетушащими веществами (вода и пенообразователь).
Поэтому целью работы является – рассчитать время заполнения внутренней полости насоса водой в зависимости от габаритов водопенных коммуникаций.
Результаты и обсуждение Нами проведены расчеты для пожарных автомобилей на наиболее распространённых в Республики Беларусь базовых шасси (рис.1):
|
|
МАЗ 5434 (запас воды 5 м3; пенообразователя ~300 л.) |
|
|
МАЗ 631708 (запас воды 10 м3; пенообразователя ~600 л.) |
|
|
МАЗ 5317 (запас воды 10 м3; пенообразователя ~600 л.) |
Рисунок 1. Внешний вид систем водопенных коммуникаций насоса НЦПН – 40/100
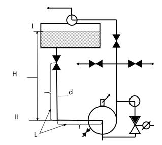
Для подачи воды из цистерны необходимо предварительно наполнить пожарный насос. Достижение времени его наполнения будет являться сигналом для включения сцепления и открытия напорных задвижек. Схема водопенных коммуникаций рассматриваемых автомобилей изображена на рисунке 2.
/Shnyparkov.files/image004.jpg)
Рисунок 2. Схема водопенных коммуникаций насоса НЦПН-40/100УВМ
Время наполнения пожарного насоса будем определять, используя уравнение Бернулли:
, (1)
где z1 – высота плоской поверхности воды в цистерне, м;
z2 – высота входа трубопровода из цистерны в насос, м;
p1, p2 – давление на свободной поверхности воды в цистерне, и насосе соответственно, Па;
ρ – плотность воды,
g – ускорение свободного падения, м/с2;
α1, α2 – коэффициенты кинетической энергии при движении воды в цистерне и по трубопроводу соответственно;
νi – скорость воды в i –ом сечении, i=1,2;
hw – потери напора, м.
Обозначим разность высот z1 и z2 через H, т.е. z1-z2=H, и примем α2=1.
Учитывая, что
(так как ν1=0), и p1=p2=pатм, то преобразовав уравнение (1), формула Бернулли примет вид:
/Shnyparkov.files/image007.png)
Тогда
,
И расход воды Q будет
,
Где S – площадь поперечного сечения отверстия, м2.
Окончательно
,
где µ - коэффициент расхода отверстия, для круглого отверстия µ = 0,62.
Тогда время заполнения насоса водой из цистерны можно определить по следующей формуле:
,
где V – объем внутренней полости насоса и трубопроводов после задвижки из цистерны, м3.
В таблице 1 приведены необходимые параметры для расчета времени заполнения пожарного насоса из цистерны для пожарных автоцистерн МАЗ 5434 (АЦ -5,0), МАЗ 5317 (АЦ-10,0), МАЗ 631708 (АЦ-10,0), полученные эмпирически, а также рассчитано время заполнения пожарного насоса для каждой автоцистерны.
Таблица 1.
Параметры системы водопенных коммуникаций пожарных автоцистерн в зависимости от базового шасси
|
Параметры |
Базовое шасси |
||
|
МАЗ 5434 (АЦ -5,0) |
МАЗ 5317 (АЦ-10,0) |
МАЗ 631708 (АЦ-10,0) |
|
|
Диаметр трубопровода, d, м |
0,1137 |
0,1137 |
0,1137 |
|
Площадь поперечного сечения трубопровода, S, м2 |
0,01 |
0,01 |
0,01 |
|
Разность высот, Н, м |
1,29 |
1,45 |
1,45 |
|
Длина трубопровода из цистерны, L, м |
1,28 |
0,8 |
0,45 |
|
Объем насоса, Vн, м3 |
0,015 |
0,015 |
0,015 |
|
Объем трубопроводов, Vтр, м3 |
0,0128 |
0,008 |
0,0045 |
|
Время заполнения насоса, t, с |
0,89 |
0,7 |
0,59 |
Анализ конструкций автоматических задвижек свидетельствует, что время задержки на обработку и подачи сигнала на саму задвижку составляет до 0,2 сек.
Таким образом, на основе представленных расчетов и паспортных данных автоматической задвижки можно утверждать, что в независимости от базового шасси и объема цистерны интервал времени между открытием задвижки и моментом включения сцепления составляет менее 1,2 сек.
Также были проведены практические замеры времени заполнения данных пожарных насосов, которые представлены в таблице 2.
Таблица 2.
Результаты натурных испытаний
|
Параметры |
Базовое шасси |
||
|
МАЗ 5434 (АЦ -5,0) |
МАЗ 5317 (АЦ-10,0) |
МАЗ 631708 (АЦ-10,0) |
|
|
Время заполнения насоса, с |
1,97 |
1,92 |
1,9 |
|
Объем насоса с коммуникациями, л |
2,4 |
1,9 |
1,55 |
Анализируя полученные теоретические и эмпирические значения времени заполнения насоса НЦПН-40/100 из цистерны, можно заметить увеличение времени при фактическом наполнении.
Это можно объяснить тем обстоятельством, что при расчетах учитывалось только фактическое время тока воды без учета действий оператора.
При ручной подаче значительная часть времени уходит на операции по открытию задвижек (сечение проходного отверстия при открытии изменяется от 0 до S) и визуальному определению момента заполнения насоса. Вместе с тем, можно видеть, что при фактическом заполнении насоса, время заполнения изменяется незначительное, и в целом не зависит от конструкции системы водопенных коммуникаций или типа базового шасси. Полученные данные свидетельствуют, что габариты водопенных коммуникаций насосной установки оказывают лишь второстепенное влияние на процесс её подготовки к работе. Таким образом, основным фактором, влияющим на задержку ввода насоса в работу, является человеческий фактор и инерционность действий оператора, а не конструкция самой установки.
Заключение. Полученные результаты свидетельствуют, что применение автоматизированных систем управления водопенными коммуникациями позволит минимизировать временные потери на этапе подготовки оборудования, повысить оперативность ввода насосов в работу и, как следствие, увеличить эффективность тушения пожаров. Представленные расчёты и экспериментальные данные могут быть использованы при разработке макетов насосных установок, в учебно-тренировочных комплексах для подготовки специалистов, а также для процесса автоматизации управления водопенными комуникациями с использованием контроллера с временными параметрами.
Список литературы:
- Безбородько М.Д. Насосы центробежные пожарные нового поколения: Учебное пособие / М.Д. Безбородько, А.В. Плосконосое. - М.: Академия ГНС МЧС России. 2008.-112 с.
- Яковенко Ю.Ф. Насосные установки современных пожарных автомобилей: модельные ряды, особенности конструкции, проблемы производства / Яковенко, Ю.Ф., Яковенко, К.Ю. // Пожаровзрывобезопасность. – 2004. Т. 2. – С. 56-65.
- Боднарук В.Б. Водитель пожарного автомобиля: учебник в 2 т. / В.Б. Боднарук, В.В. Копытков, Р.С. Баймаганбетов, М.М. Сейдалин; под общей редакцией д.т.н. Шарипханова С.Д. – Кокшетау: КТИ МЧС Республики Ка-захстан, 2021. Т.1. – 262 с.
- Кравцов А.Г. Организация деятельности органов и подразделений по чрезвычайным ситуациям: Учебник / А.Г. Кравцов, В.В. Копытков, А.С. Колесников, Б.Е. Жакипбаев, Д.С. Миканович, Р.С. Старосто – Минск-Шымкент: ГУО «Университет гражданской защиты МЧС Беларуси», Университет дружбы народов им. академика А. Куатбекова 2024 -240с.
- Насос центробежный пожарный нормального давления НЦПН-40/100УВМ.Э24. Руководство по эксплуатации (Паспорт) : Ливенский завод противопожарного машиностроения. – г. Ливны, 2025. – 26 с.
- Выбор датчиков уровня: учебное пособие / сост.: Г.Б. Минигалиев, А. В. Долганов - Нижнекамск: Нижнекамский химико-технологический институт (филиал) ФГБОУ ВПО «КНИТУ», 2015. - 58 с.
/Shnyparkov.files/image001.jpg)
/Shnyparkov.files/image002.jpg)
/Shnyparkov.files/image003.jpg)