канд. техн. наук, проф., Ташкентский государственный технический университет имени Ислама Каримова, Узбекистан, г. Ташкент
ИССЛЕДОВАНИЕ КИНЕМАТИЧЕСКИХ СХЕМ ШПИНДЕЛЯ ХЛОПКОУБОРОЧНОЙ МАШИНЫ
АННОТАЦИЯ
Проанализировано влияние массы шпинделей хлопкоуборочных машин на работу привода последнего, осуществляемого при помощи планетарным фрикционным механизмом с размыканием кинематической цепи, где шпиндели являются сателлитами. Рассмотрены варианты кинематических схем: при подвижном креплении захватывающего элемента, при структурно-свободном варианте стержня, из трех частей, связанных между собой шарнирно и др. Применением лишних степеней свободы в кинематической схеме и изменением самой конструкции составных шпинделей достигнуто уменьшение остановочного пути шпинделя.
ABSTRACT
The influence of the mass of the spindles of cotton harvesters on the operation of the latter's drive, carried out using a planetary friction mechanism with the opening of a kinematic chain, where the spindles are satellites, is analyzed. Variants of kinematic schemes are considered: with a movable attachment of the gripping element, with a structurally free version of the rod, consisting of three parts connected pivotally, etc. By applying extra degrees of freedom in the kinematic scheme and changing the design of the composite spindles, a reduction in the stopping distance of the spindle has been achieved.
Ключевые слова: хлопкоуборочная машина, шпиндель, планетарный фрикционный механизм, сателлит, кинематической цепи, хлопок-сырец, сектор цилиндра, несущий стержень, оболочка.
Keywords: cotton picker, spindle, planetary friction mechanism, satellite, kinematic chain, raw cotton, cylinder sector, supporting rod, casing.
Введение
Снижение энергоемкости привода шпинделей, повышение стабильности вращения шпинделей в технологических зонах, осуществление быстрого реверса вращения последнего и предохранение узлов привода от ударных нагрузок достигаются уменьшением его момента инерции.
Поставленную задачу с учетом скоростных и агротехнических параметров рабочего органа – шпинделя – можно осуществлять, изменяя его конструкцию. С этой целью предлагаются ряд новые конструктивные и кинематические схемы несущего стержня для шпинделей с составными захватывающими элементами [1-4], где использована дополнительная степень свободы в конструкции несущего стержня для создания антиинерционного эффекта при реверсивном движении шпинделей и уменьшения его момента инерции на шпиндельном барабане [5, 6].
В качестве привода шпинделей вертикально - шпиндельной хлопкоуборочной машины применяетсятся планетарный фрикционный механизм с размыканием кинематической цепи, где шпиндели являются сателлитами [7]. При этом шпиндели, по мере сбора хлопка-сырца дважды меняют направлению вращения за цикл вращения шпиндельного барабана (Рис.1).
/Baratov.files/image001.jpg)
Рисунок 1. Привод шпинделей вертикально шпиндельной хлопкоуборочной машины: I-шпиндельный барабан; II- ремень прямого вращения; III- ремень обратного вращения.
-зона сбора хлопка сырца шпинделем;
- зона съема хлопка сырца со шпинделя;
,
- зоны 1 и 2 холостого вращений шпинделей (зоны размыкания кинематической цепи);
-угловой скорость шпиндельного барабана;
-угловой скорость шпинделя; Vм-поступательный скорость хлопкоуборочной машины.
Целью данной работы является исследование кинематических схем и выбор оптимальной для получения антиинерционного эффекта.
Методы
Задачи учета требований, предъявляемых к механизмам, обусловливают введение дополнительных степеней свободы в конструкции.
Таким образом, для реальных механизмов общее число степеней свободы W целесообразно представлять в виде суммы подвижностей разного назначения: основной
, групповой
и местной
[5, 6]:
/Baratov.files/image011.png)
При подвижном креплении захватывающего элемента появляется эффект встряхивания в процессе выполнения технологического процесса, вследствие чего захватывающий элемент самоочищается от грязи и зелени, что приводит к увеличению производительности машины [8]. Кинематическая схема такой конструкции приведена на рис. 2, а. Механизм имеет степень подвижности
, рассчитанную по формуле Чебышева [1, 5]. Основная степень подвижности используется для движения всей системы, а вторая, местная, для самоочищения захватывающего элемента путем встряхивания.
Для того чтобы показать за счет какого звена появляется дополнительная степень подвижности, представим формулу (1) в виде суммы степеней подвижности групп звеньев, составляющих механическую систему:
(2)
Согласно формуле (2), представляя оболочковый захватывающий элемент самостоятельным, будем иметь также W=2. Как видно, дополнительная степень подвижности имеет только местное значение, т.е. касается только оболочкового захватывающего элемента, а остальные звенья будут работать как система с одной степенью подвижности [8].
/Baratov.files/image014.jpg)
а б в
Рисунок 2. Кинематические схемы конструкции оболочковых шпинделей, имеющих дополнительные степени подвижности: 1 – приводной ролик шпинделя; 2 – приводной ремень; 3 – место сопряжения оболочкового захватывающего элемента со стержнем;
– верхняя, структурно-свободная и нижняя части стержня; 5 – оболочковый захватывающий элемент; 6 – шпиндельный барабан.
При этом, с точки зрения самостоятельных кинематических цепей, образуется сателлитная цепь [7]. При структурно-свободном варианте стержня (рис. 2, б) оболочкового шпинделя механизм имеет степень свободы W=2, где одна степень свободы используется для привода шпинделей, а вторая – для исключения массы средней части стержня от участия в возбуждении силы инерции при реверсивном движении шпинделя, т.е. для снижения энергоемкости привода и получения стабильного вращения шпинделей. В предлагаемой конструкции окружное усилие, создаваемое на приводном ролике посредством ремней, будет передаваться верхней частью стержня через оболочковый захватывающий элемент к нижней части, а средняя (структурно-свободная) будет выполнять естественно необходимую функцию – воспринимать случайные изгибающие усилия [9-11], превышающие силы упругости оболочкового захватывающего элемента. Путем подсчета по формуле (2) нетрудно заметить, что и здесь дополнительная степень подвижности имеет местное значение и относится к средней части стержня, поэтому не влияет на движение остальных звеньев системы.
Для одновременного получения эффекта самоочищения и снижения энергоемкости привода шпинделей необходимо совместить две выше рассмотренные кинематические схемы (см. рис. 2, в). Здесь степень подвижности данной кинематической схемы будет W=3. Путем подсчета по формуле (2) можно доказать, что из трех две - степени подвижности имеют местное значение, т.е. относятся соответственно к оболочке и средней части стержня. Следовательно, эти две степени подвижности не влияют на общую степень подвижности системы. Здесь одна степень подвижности используется для снижения динамических ударов в приводе при реверсах шпинделей, вторая – для самоочищения захватывающего элемента путем его встряхивания, а третья – для осуществления движения всей системы.
Во втором и третьем вариантах (рис. 2 б, в) также сразу осуществляется самоочищение, так как значительная часть стержня и оболочки подвижны относительно друг друга, что необходимо для самоочищения.
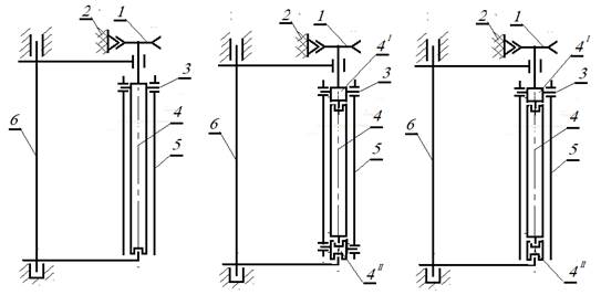
Оболочковый составной шпиндель хлопкоуборочного аппарата позволяет варьировать параметры его конструкции для повышения агротехнических показателей уборочной машины. Цель заключалась в уменьшении сил инерции в реверсивных движениях шпинделей при технологическом процессе при сохранении или увеличении агротехнических показателей уборочной машины. Для этого предложена конструкция стержня для оболочкового захватывающего элемента, который состоит из трех частей, связанных между собой шарнирно. Кинематическая схема шпиндельного барабана с таким устройством [1, 2] приведены на рис.3. Шпиндель имеет приводной ролик 1, неподвижно сопряженный с верхней частью 2 несущего стержня, к которому прикреплен оболочковый захватывающий элемент 3, а структурно-свободная средняя часть 4 стержня, расположенная между верхней 2 и нижней 5 его частями и имеющая дополнительную степень свободы, соединена с ними шарнирно и монтирована на шпиндельном барабане 6.
/Baratov.files/image016.jpg)
Рисунок 3. Принципиальная кинематическая схема шпиндельного барабана со структурно-свободным стержнем: 1 – приводной ролик; 2 – верхняя часть стержня; 3 – оболочковый захватывающий элемент; 4 – средняя структурно-свободная часть стержня; 5 – нижняя часть стержня; 6 – шпиндельный барабан; 7,8 – ремни прямого и обратного вращений.
При работе приводной ролик 1, контактируясь с ремнями 7 прямого и 8 обратного вращений, приводит оболочковый захватывающий элемент 3 в реверсивное движение вокруг собственной оси, либо вращается с большим отставанием относительно захватывающего элемента 3. Благодаря такой конструкции несущего стержня оболочкового шпинделя повышается срок службы рабочего аппарата хлопкоуборочных машин, и улучшаются условия работы узлов привода рабочих органов за счет существенного снижения их энергоемкости. Ограниченное движение оболочкового захватывающего элемента относительно частей стержня благодаря креплению захватывающего элемента к частям стержня и относительное движение оболочки со структурно-свободной частью стержня обеспечивают самоочищение за счет эффекта встряхивания.
При такой конструкции возможен широкий диапазон варьирования параметров конструкции захватывающего элемента и стержня, который выполняет функцию восприятия нагрузки кустов хлопчатника при сборе хлопка.
Соединение частей структурно-свободного стержня может быть различным (рис. 4: а) скольжение, б) качение, в) посредством единичного шарика, г) на шаровой опоре, д) без нижней чашки, е) на неподвижном цилиндрическом основании и т.д. Во всех случаях появляется эффект антиинерционности стержня в процессе привода и другие эффекты, например, не загрязнение нижней опоры (рис.4, е).
/Baratov.files/image017.png)
Рисунок 4. Принципиальные кинематические схемы структурно-свободных стержней с антиинерционными эффектами и различные способы соединения их частей.
Для варьирования параметров конструкции стержня, который выполняет функцию восприятия нагрузки кустов хлопчатника при сборе хлопка, разработана и испытана конструкция стержня с крестообразным сечением и закрученным по продольной оси [2, 3]. Масса такого стержня в сборе составляет среднем 960 г. и оболочковый захватывающий элемент 210 г. (Рис.4 а)
Усовершенствованиям конструкции оболочкового составного шпинделя является шпиндель – изготовленный в виде секторов цилиндра со согнутыми радиально во внутрь последовательно соединяющими между собой ребрами выполняющие роль несущего стержня [12]. Масса такого шпинделя составляет 1020 г.
/Baratov.files/image018.jpg)
а б в
Рисунок 5. Усовершенствование конструкции шпинделей. а - по авт. свид. CCCР № 1812928; б - патент на изобретение RU 2021673 C1; в - IAP 20240011.
Результаты и обсуждение
Зная массы шпинделей перечисленных конструкций вычислены их моменты инерции и определены остановочный путь после выхода из рабочей зоны сбора хлопка-сырца (Рис.6)
/Baratov.files/image019.jpg)
Рисунок 6. Углы поворота шпиндельного барабана до остановки шпинделей различных конструкций после выбега их из рабочей зоны (из сцепления с ремнями привода): I-шпиндельный барабан; II- ремень прямого вращения; III- ремень обратного вращения. Шпиндели: 1-оболочковый с цельным стержнем; 2 - оболочковый со структурно-свободным стержнем; 3 - оболочковый без структурно-свободного стержня; 4 - серийный цельнометаллический; 5 - серийный винтовой; 6 - рекомендуемый облегченный оболочковый; 7 - оболочковый с крестообразным стержнем.
Вычислением момента инерции серийных и разработанных конструкций шпинделей определены их остановочный путь после выхода из рабочей зоны сбора хлопка-сырца, установлено предохранение узла привода от ударных нагрузок в первой холостой зоне вращения
т.е. в зоне размыкания кинематической цепи и осуществление быстрого реверса вращения шпинделя.
Выводы
Разработан и исследован ряд принципиальных кинематических схем несущего стержня для оболочкового захватывающего элемента со структурно-свободной частью. Материализована наиболее приемлемая из них, дающая антиинерционный эффект. На основе анализа работы шпинделей в различных зонах на барабане, взаимосвязи захватывающего элемента и несущего стержня, а также функций их в технологическом процессе установлено, что выполнение средней части стержня структурно-свободным, т.е. соединение ее с верхней и нижней частями посредством шарниров, приводит к резкому уменьшению сил инерции в процессах реверсирования шпинделей.
Предлагаемые технические решения может применяться однозначно и во всех видах составных шпинделей, и во всех узлах машин и механизмов, имеющих реверсивно движущиеся узлы или узлы с частым остановом и пуском, где их масса отрицательно влияет на успешное протекание технологического процесса.
Список литературы:
- А.с. 826993 (СССР). МКИ АО1 Д 46/16. Шпиндель хлопкоуборочного аппарата / И.Х. Файзиев, Н.Б. Баратов, У.А. Абдувалиев, А.М. Икрамов, А. Шамшидинов // Открытия. Изобретения. 1981. № 17. С. 4.
- А.с.(СССР). № 1812928, МКИ АО1 Д 46/16. Шпиндель хлопкоуборочного барабана/ Баратов Н.Б// Открытия. Изобретения. Бюл. №16 30.04.93.
- Усманхаджаев Х.Х.,Баратов Н.Б., Ризаев А.А., Шамсутдинов Б.А. Патент на изобретение RU 2021673 C1, 30.10.1994.
- Баратов Н.Б. Теоретико-экспериментальное исследование движения оболочкового шпинделя со структрно -свободным стержнем. ISSN 2010-7250. Проблемы механики №2. Ташкент 2021. 87-97 стр.
- Фролов К.В., Попов С.А. и др. Теория механизмов и машин. М.: Высшая школа. 1987. – 496 стр
- M.V. Gorbenko, T.I. Gorbenko, N.B. Baratov. Mexanizm va mashinalar nazariyasidan amaliyot. (Oʻquv qoʻllanma). –Toshkent: “Innovatsion rivojlanish nashriyot maatba-uyi” 2021. 322 бет.
- Третьяков В. М. Построение рациональных планетарных механизмов на основе матричного метода структурного анализа //Транспортное машиностроение. – 2022. – №. 4 (4). – С. 4-16.
- Файзиев И.Х., Баратов Н.Б. Использование лишних степеней свободы в механизмах (на примере оболочкового шпинделя) // ДАН УзССР. 1980. № 8. С. 14-15.
- Abdukarimov A. Vertical spindle cotton harvester with symmetric movement of spindle drums //J of Modern Manufacturing Technologiesthis. – 2021. – Т. 13. – №. 3.
- N.B. Baratov. Amaliy mexanika. (Darslik). –Toshkent: “Innovatsion rivojlanish nashriyot- maatba uyi” 2021. 382 бет.
- Н.Б.Баратов. Прикладная механика. (Учебник). –Toshkent: “SARVAR PRINT” nashriyoti 2024. 385 стр.
- Шпиндель вертикально-шпиндельной хлопкоуборочной машины. SU 1812928. https://patents.su/3-1812928-shpindel-vertikalno-shpindelnojj-khlopkouborochnojj-mashiny.html