Senior lecturer, Bukhara state technical university, Bukhara, Uzbekistan
MATHEMATICAL MODELING AND CONTROL OF THE DRYING PROCESS OF HEAT SENSITIVE PRODUCT
ABSTRACT
This article presents a comprehensive study on the mathematical modeling and control of the drying process for heat sensitive products in a periodic drying chamber. A detailed mathematical description of the drying kinetics is developed, incorporating heat and mass transfer dynamics. The model is validated against experimental data, confirming its accuracy. A digital control system, utilizing PID regulators, is synthesized to optimize temperature and humidity parameters, ensuring product quality and energy efficiency. The proposed system demonstrates robust performance, with theoretical results aligning closely with experimental outcomes.
АННОТАЦИЯ
В данной статье рассмотрены исследования математического моделирования и управления процессом сушки термолабильных продуктов в периодической сушильной камере. Разработано подробное математическое описание кинетики сушки, включающее динамику тепло- и массопереноса. Модель проверена экспериментальными данными, подтверждающими ее точность. Синтезирована цифровая система управления на основе ПИД- регулятора, для оптимизации основных параметров, температуры и влажности, что обеспечивает качество готовой продукции и энергоэффективность установки. Предложенная система управления демонстрирует надежную работу, а теоретические результаты тесно согласуются с экспериментальными результатами.
Keywords: Heat sensitive products, drying process, mathematical modeling, heat and mass transfer, PID control, digital control system.
Ключевые слова: Термолабильные продукты, сушка, математическая модель, тепло и массо- обмен, ПИД регулятор, цифровая система управления.
Introduction
Drying heat sensitive products, such as fruits and vegetables, requires precise control to preserve nutritional value and quality. The process involves complex heat and mass transfer phenomena, necessitating accurate mathematical models and advanced control strategies. This study focuses on developing a mathematical model for the drying process in a periodic chamber with intermediate air heating and designing a digital control system to optimize operational parameters.
Materials and methods
The drying process utilizes air as the drying agent, interacting with the moist product to facilitate water evaporation through diffusion. Key air parameters include temperature, dew point temperature, wet bulb temperature, moisture content, relative humidity, pressure, specific enthalpy, and partial pressure of water vapor.
Relative humidity is calculated as:
|
|
(1) |
where Pa and Ps – are the actual and saturated partial pressures of water vapor, ρa and ρs – are the corresponding densities values.
Moisture content (x) (kg/kg) is determined by:
|
|
(2) |
The specific enthalpy of moist air is given by:
|
|
(3) |
The drying chamber’s material balance is described by the moisture removal rate:
|
|
(4) |
where Mн and Mк – are the initial and final product masses, M – is the dry product mass, Uн and Uк – are the initial and final moisture contents relative to dry mass, and τ – is the drying time.
The heat balance is modeled by a system of differential equations:
|
|
(5) |
|
|
(6) |
|
|
(7) |
where θw, θa, and θp – are the temperatures of the heat carrier, air, and product, respectively.
Moisture transfer is described by:
|
|
(8) |
where ωm – is the product’s dimensionless moisture content, ωp – is the equilibrium moisture content, and kd – is the moisture transfer coefficient, calculated as:
|
|
(9) |
Experimental results indicate a diffusion coefficient (D = 6.08∙10-7, m2/s) for a 4 mm product layer.
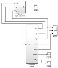
A computer model was developed to simulate the drying process, incorporating blocks for the electric water heater and drying chamber.
Figure 1 illustrates the primary structural components of the simulation model, namely the “Electric Water Heater” block and the “Drying Chamber” block, both of which serve as subsystems within the main program designed to simulate the drying process. Each of these blocks comprises several internal subsystems.
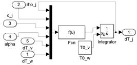
Figure 2 depicts the “Electric Water Heater” subsystem, which is responsible for calculating the variation in the temperature of the liquid heat carrier based on the principles of thermal balance.
|
|
|
|
Figure 1. Diagram of the generalized computational model for the drying process of a heat sensitive product |
Figure 2. Diagram of the Computer Model of the “Electric Water Heater” block |
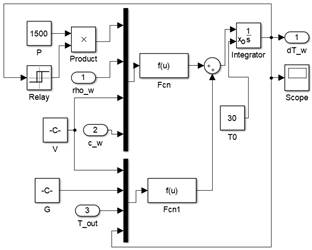
Figure 3 presents the blocks titled "Calculation of the Heat Balance Equation for the Liquid Heat Carrier" (fig 3.a) and "Calculation of the Heat Balance Equation for the Drying Agent" (fig. 3b). These subsystems contain functional units that perform the respective calculations of temperature changes for the heat carrier and the drying agent.
|
|
|
|
a) |
b) |
Figure 3. Diagram of the computer model for temperature determination:
a) heat carrier; b) drying agent
The model calculates temperature and humidity changes based on heat and mass balances, validated against experimental data for pear and plum drying (fig.4).
/Uvayzov.files/image014.png)
Figure 4. Graph of temperature change over time
— temperature of hot coolant; — temperature of drying agent; — temperature of dried product
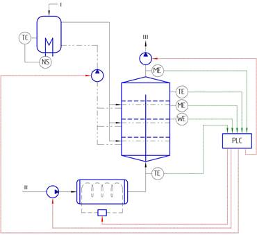
The control system comprises two loops:
- Temperature Control: Stabilizes chamber temperature by adjusting the circulation pump speed.
- Humidity Control: Regulates air humidity by controlling fan speed.
/Uvayzov.files/image015.jpg)
Figure 5. Functional diagram of the control system for the drying process of heat-sensitive products
1) water; 2) air - drying agent; 3) exhaust air;
TE) temperature sensor; ME) humidity sensor; WE) strain gauge; TC) temperature controller; NS) relay; PLC) controller
The functional scheme (Fig. 5) includes sensors for temperature (TE), humidity (ME), and mass (WE), with a programmable logic controller (PLC) controlling the process.
A PID controller is implemented with proportional kp, integral ki, and derivative kd components:
|
|
(10) |
Coefficients were tuned using the Ziegler-Nichols method, yielding:
- Temperature control: kp = 7.82, ki = 0.95, kd = -1.35;
- Humidity control: kp = -90.5, ki = -3.1∙10-5, kd = 9∙104.
Based on the obtained transfer functions of the digital control system, transient response graphs were constructed (Fig. 6).
|
|
|
|
a) |
b) |
Figure 6. Transient response graph of the digital control system
Analysis of the transient responses demonstrates that the software-based control provides the digital system with desirable dynamic performance characteristics.
Stability analysis confirms roots within the unit circle, ensuring system robustness.
Results and discussion
Theoretical results show product temperatures below 60°C, consistent with experimental data. Humidity and drying duration (approximately 330 minutes) align with empirical findings, validating the model’s accuracy.
Conclusion
The developed mathematical model accurately describes the drying kinetics of heat sensitive products. The synthesized digital control system, with PID regulators, ensures precise temperature and humidity control, enhancing product quality and energy efficiency. Future work will focus on real-time implementation and further optimization of control parameters.
References:
- Djuraev K., Uvayzov S. Synthesis of a digital PID controller to control the temperature in the agricultural products drying chamber //E3S Web of Conferences. – EDP Sciences, 2023. – Т. 390. – С. 03002.
- Х.Ф. Джураев, Ш.Х. Расулов, М.С. Мизомов, А.Х. Файзиев, С.К. Увайзов Разработка оптимального механизма перемещения тепло – и массопереноса в процессе сушки // Farg‘ona politexnika instituti ilmiy-texnikaviy jurnali. -2023. №5 Tom 27, с. 118-125.
- Sh.X. Rasulov, M.S. Mizomov, A.X. Fayziyev, S.K. Uvayzov Mathematical description of the process of heat and mass exchange during drying // Xorazm Ma’mum Akademiyasi axborotnomasi. -2023. №8/1. pp. 147-153.
- Kholiqov M. et al. Mathematical modeling of the pastilla jam drying process //AIP Conference Proceedings. – AIP Publishing, 2025. – Т. 3268. – №. 1.
- Khudoynazarov F. J. et al. Development of an optimal mechanism for a solar-air collector for drying thermolabile products //Journal of Physics: Conference Series. – IOP Publishing, 2024. – Т. 2697. – №. 1. – С. 012015.
/Uvayzov.files/image001.png)
/Uvayzov.files/image002.png)
/Uvayzov.files/image003.png)
/Uvayzov.files/image004.png)
/Uvayzov.files/image005.png)
/Uvayzov.files/image006.png)
/Uvayzov.files/image007.png)
/Uvayzov.files/image008.png)
/Uvayzov.files/image009.png)
/Uvayzov.files/image010.jpg)
/Uvayzov.files/image011.jpg)
/Uvayzov.files/image012.jpg)
/Uvayzov.files/image013.jpg)
/Uvayzov.files/image016.png)
/Uvayzov.files/image017.png)
/Uvayzov.files/image018.png)